2
svar
97
visningar
Ha en fin dag behöver inte mer hjälp
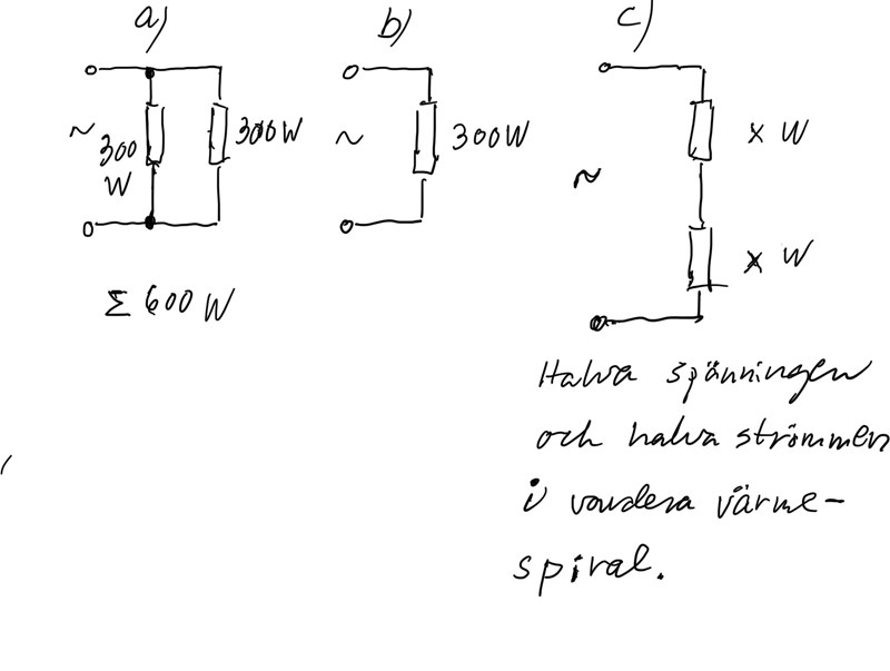
715 effekt
Jag försökte lösa uppgiften genom att använda P=UI för att ta reda på strömmen men detta blir ju dock lite fel. Vet inte varför


Jag har lite svårt att följa din uträkning, så jag ställer en ledande 😉 fråga istället:
Säg att du har två resistorer/motstånd, vardera med resistansen R. Vad blir då ersättningsresistansen om du:
- Parallellkopplar dem?
- Seriekopplar dem?
(Du kan ju också räkna ut resistansen av en värmespiral i ohm om du vill. Det är inte nödvändigt för att lösa uppgiften, men kan kännas tryggt.)
