Analog elektronik, Beräkna ersättningsresistans. (L.Bergström 1.13)
Hej! Jag har lite problem med följande uppgift:

Där jag har gjort följande:

Känner att jag inte riktigt kan förstå vilka som är seriekopplade och parallellkopplade, i min mening är dem som jag har gjort men då mitt svar inte stämmer överens med facit så har jag ju gjort fel. Någon här som kan förklara?
ChocolateTerrain skrev:Hej! Jag har lite problem med följande uppgift:
Där jag har gjort följande:
Känner att jag inte riktigt kan förstå vilka som är seriekopplade och parallellkopplade, i min mening är dem som jag har gjort men då mitt svar inte stämmer överens med facit så har jag ju gjort fel. Någon här som kan förklara?
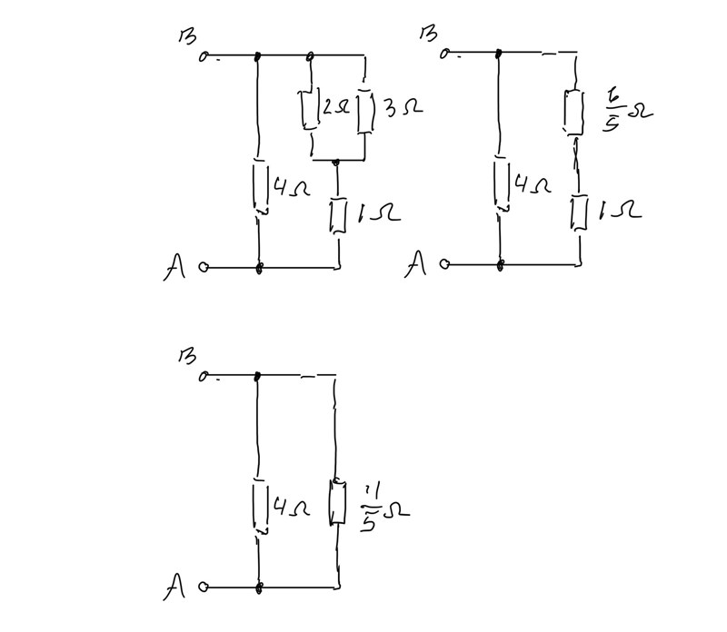
Hur fick du värdet 1 ohm för ersättningsresistansen till de båda parallellkopplade resistorerna på 2 respektive 3 ohm?
Humm, bra fråga, jag vet faktiskt nu fick jag den till 1,2 ohm enligt följande:
Däremot är det fortfarande inte rätt svar...
Fortsätt på a) enligt skisserna kör sedan vidare på b) och c).

Okej! Men hur vet du att det är 4ohm motståndet som sitter i parallellkopplingen och inte 1ohms motståndet? I min värld vill jag göra följande:


I ditt inlägg #5 är den översta blå kretsen rätt ritad, men de följande gula stämmer inte. Man måste vara noggrannare när man ritar om kretsar.
Okej, vet att den gula inte stämmer då facit stämmer överens med den som du ritade tidigare. Men (upprepning utav min fråga) hur vet du att det är 4ohm motståndet som sitter i parallellkopplingen och inte 1ohms motståndet?
I ursprungsuppgiften har man valt punkt B ”upptill” och punkt A ”nedtill” troligen för att villa bort elever. Resistansen mellan B och A är densamma som mellan A och B i sådana här linjära kretsar. Du gör det alltså onödigt komplicerat genom ditt sätt att rita.
Okej! Tack!
