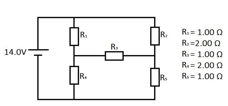
Bestäm ersättningsresistansen!
Hur bestämmer jag ersättningsresistansen i detta fall? Antar att R1 & R4 samt R2 & R5 är parallellkopplade, men hur blir det när R3 är placerad där i "mitten"? 
Välkommen till Pluggakuten!
Låt beteckna strömmen som flyter genom resistens nummer , där och låt beteckna strömmen som flyter från batteriets pluspol till dess minuspol. Kirschoffs strömlag ger sambanden
Error converting from LaTeX to MathML
Albiki
Denna krets kan inte brytas ner i parallell och seriekopplade element eftersom den inte består av parallell och seriekopplade element.
Detta är istället sin egen lilla topologi som brukar kallas för en "brygga". Ska man lösa denna från scratch utan hänsvisning till ersättningsresisansformler för denna topologi (som det inte verkas som du kan) så är det nödvändigt att lösa detta med någon av grundteknikerna för att ta fram strömmar/spänningar/resistanser. Exempel:
Nodanalys (Sätta upp ett ekvationssystem med spänningarna vid noderna som obekanta)
eller
Strömanalys (Bryta ner kretsen i cirkelströmar och rigga ett ekvationssystem för dem)
Nodanalys lär vara ganska enkellt då det bara finns två noder med okända spänningar.