Beräkna spänning
Pilen vid E, indikerar den något eller är det bara en markering att E är hela den sträckan?
Har löst denna uppgift (beräkna spänningen) och får fram rätt summa, dock får jag den positiv men den ska vara negativ. Hur ser jag att den ska bli negativ istället för positiv?

Har löst denna uppgift (beräkna spänningen) och får fram rätt summa, dock får jag den positiv men den ska vara negativ. Hur ser jag att den ska bli negativ istället för positiv?
Hur skall vi kunna veta det när du inte skriver steg för steg hur du har räknat? Vi son svarar här är bra på fysik,men usla på tankeläsning.
Jag antar att det är ganska lätt för någon som kan detta att se hur jag ska läsa av kretsen, därför tänkte jag att en beräkning inte behövde redovisas, då det rätta svaret egentligen inte är problemet. Förstår du hur jag menar? :)
Men givetvis kan jag lägga in uträkningen om det gör någon skillnad
Spänningen "faller" i strömriktningen över en resistans.
"V+" har då lägre potential än "V-"
Låt säga att E är 12 V. Efter en resistans, återgår spänningen till 12 V då?
Om plus och minus hade bytt plats med varandra vid V, då skulle alltså V- ha den lägre potentialen?
Har du lärt dig Kirchoffs spänningslag?
Om plus och minus hade bytt plats med varandra vid V, då skulle alltså V- ha den lägre potentialen?
Du ska relatera till att spänning och ström finns i verkligheten. Det du skriver på ditt papper beskriver verkligheten. Om du ändrar något (som plus och minus) på ditt papper, så ändrar det inte verkligheten, bara dina referenser till verkligheten.
Ström kan du likna vid hur vattnet strömmar i en å. Spänning kan du likna vid hur vattnet faller vid ett vattenfall. En damm gör motstånd (resistans).
Vattnet är högst upp (hög potential), uppe på dammen. Vattnet faller (lägre potential) när det passerat dammen (motståndet).
Jag tog mig friheten att rita om ditt schema:
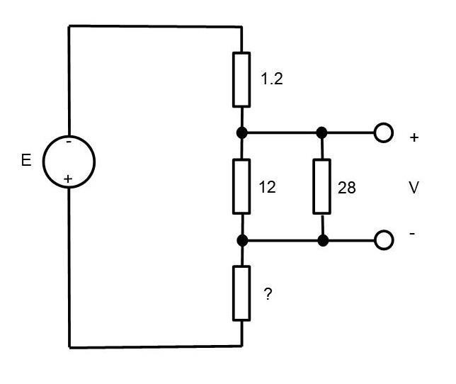
Det ser ut att saknas värde på det nedersta motståndet.
E är en spännigskälla med pluspolen neråt. V är den resulterande spänningen över de parallellkopplade motstånden och med en definierad polaritet (eller förväntad kanske man kan säga). Om beräkningen av spänningen V ger en motsatt polaritet ska den anges som negativ.
Om du kopplat in ett mätinstrument vid V enligt den definierade polariteten (V- till minus på instrumentet och V+ till plus på instrumentet) så kommer instrumentet att visa en negativ spänning.
Edit: Jag har själv aldrig blivit vän med att ange en potential med en pil. Jag tycker det är mer förvirrande än till hjälp. Bättre att bara skriva + och - ev kompletterat med en symbol för en spänningskälla.
Det ser ut att saknas värde på det nedersta motståndet.
Motståndet som saknas är 7,2.
Vattnet är högst upp (hög potential), uppe på dammen. Vattnet faller (lägre potential) när det passerat dammen (motståndet).
Om beräkningen av spänningen V ger en motsatt polaritet ska den anges som negativ.
Här blir jag lite osäker på vad som menas. Jag tror jag börjar förstå, men är inte riktigt där ännu.
V är negativ eftersom det är minus till plus, dvs tvärtom vad E är? Om E bytte riktning så skulle V vara positiv, då ?
Edit: Jag har själv aldrig blivit vän med att ange en potential med en pil. Jag tycker det är mer förvirrande än till hjälp. Bättre att bara skriva + och - ev kompletterat med en symbol för en spänningskälla.
Det var nog det här jag fastnade mycket på då jag inte hittat någon riktig förklaring till vad pilen egentligen säger. Tolkar jag det rätt att sådana typer av pilar alltid kommer peka från plus till minus eftersom det är precis samma sak som att ange spänningskälla på det sättet du gjorde?
Här blir jag lite osäker på vad som menas. Jag tror jag börjar förstå, men är inte riktigt där ännu.
V är negativ eftersom det är minus till plus, dvs tvärtom vad E är? Om E bytte riktning så skulle V vara positiv, då ?
Ja. Spänningsdelningen över motstånden blir densamma (den hade du redan räknat ut väl) men strömmen går åt andra hållet.
Det var nog det här jag fastnade mycket på då jag inte hittat någon riktig förklaring till vad pilen egentligen säger. Tolkar jag det rätt att sådana typer av pilar alltid kommer peka från plus till minus eftersom det är precis samma sak som att ange spänningskälla på det sättet du gjorde?
Ja.
Som sagt, med risk för att låta gnällig, jag tycker det är bäst att använda tydliga symboler för spänning eller strömkällor med plus- och minustecken för likströmskällor. Men andra i forumet kanske har invändningar :-)
Förstod du vad jag menade med att mäta på en sån här krets? Min tanke var att göra det lättare att förstå att det kan bli ett negativt värde på V.
Tack! Nu känner jag att jag förstår. Ibland blir man orimligt förvirrad av så enkla saker :)