1
svar
130
visningar
Aorta behöver inte mer hjälp
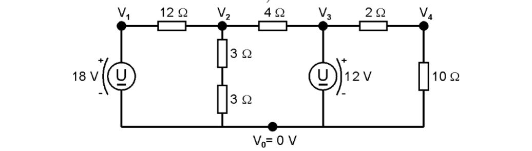
Beräkna spänningarna med nodspänningsmetoden
Hej! Jag lyckas ej få rätt på denna uppgiften. Jag ska beräkna spänningarna i de fyra givna noderna med nodspänningsmetoden.
Jag har fått fram värden på V1 och V3. Sen har jag ställt upp en ekvation med ohms lag för strömmen då jag vet att summan av den ska bli noll i hela systemet. Jag har då fortfarande en okänd. För att få fram fler värden tänkte jag att jag skulle kunna kolla på varje liten krets strömmen kan ta för sig (de röda ringarna jag har ritat ut). Här verkar det inte stämma, då jag ej får ut rätt värden. Kan jag inte tänka så?
Värdena på spänningarna ska bli V1=18V, V2=9V, V3=12V, V4=10V.


Jag fick hjälp på annat håll! :)