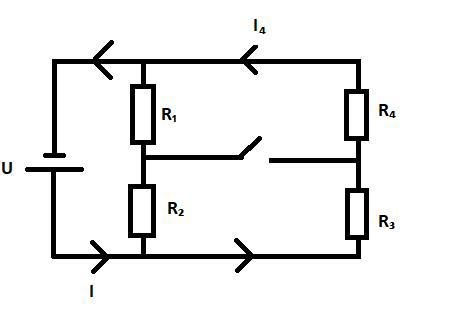
Beräkna ström parallellkoppling & seriekoppling

Vad händer med den totala strömmen I och strömmen I₄ genom R₄ när strömbrytaren stängs?
R₁, R₂, R₃ och R₄ samt U är oförändrade.
Jag kom fram till att de knappt påverkas med de värden jag hade på motstånden, U, I och I₄. Är det möjligt att I och I₄ inte påverkas av att strömbrytaren stängs?
Du har inte gett oss värdena eller visat dina beräkningar. Men ja, det är möjligt. Tex om alla R är lika.
Hur beräknar man strömmen I och I₄ efter att strömbrytaren stängs om man vet I och I₄ innan, samt alla motstånd, och U?
Värdena man hade från början (strömbrytaren öppen)var:
U = 4,5 V
I = 12,5 mA
I₄ = 4,5 mA
R₁ = 500 ohm
R₃ = 150 ohm
Kom fram till att
och
När strömbrytaren stängs är R₁ och R₄ parallella och har samma spänning, samma gäller för R₂ och R₃. R₁ och R₄ har tillsammans samma ström som R₂ och R₃ då de är i serie. Spänningen för R₁ och R₄ blir ungefär 7 gånger större än för R₂ och R₃, med tanke på ersättningsresistanserna 314,8 Ω respektive 44,1 Ω.
Detta ger att den totala ersättningsresistansen blir ungefär samma och därmed är även I samma då spänningen inte förändrats.
Stämmer det att ersättningsresistansen för R₁ och R₄ blir
och för R₂ och R₃ ? I så fall är nämligen totala ersättningsresistansen samma som innan.
När strömbrytaren är öppen skiljer spänningsfallet över och 0.175V
När strömbrytaren stängs blir den skillnaden noll och:
Ersättningsresistansen för R₁ och R₄:
Ersättningsresistansen för och :
Affe Jkpg skrev :När strömbrytaren är öppen skiljer spänningsfallet över och 0.175V
När strömbrytaren stängs blir den skillnaden noll och:
Ersättningsresistansen för R₁ och R₄:
Ersättningsresistansen för och :
Då blir ersättningsresistanserna 314,8 Ω respektive 44,1 Ω. Totalt blir det 358,9 Ω. Eftersom spänningen är 4,5 V så blir I = 4,5 V / 358,9 Ω = 0,012538 A. Stämmer det att strömmen ökat något?
Det tycks vara korrekt räknat
Ja, strömmen ökade bara lite. 12.538-12.500=0.038mA