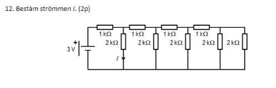
Beräkna strömmen i en lång krets

Har räknat ut den totala ersättningsresistansen till 2000 ohm och strömmen över batteriet och ersättningsresistansen till 0,0015A. Hur ska jag sedan beräkna strömmen I?
Jag trodde svaret var just 0,0015A då strömmen i en seriekoppling är densamma överallt men facit säger 0,008A.
Den totala strömmen delar sig i två delar efter det första motståndet på 1 000 ohm. En del av strömmen är och resten fortsätter "åt höger".

Yngve skrev:Den totala strömmen delar sig i två delar efter det första motståndet på 1 000 ohm. En del av strömmen är och resten fortsätter "åt höger".
Varför kan jag inte bara räkna ihop alla resistanser tills jag får en seriekoppling med endast ersättningsresistansen och batteriet och räkna ut strömmen där? Eftersom att strömmen i en seriekoppling är densamma överallt borde strömmen över ersättningsresistansen vara densamma som I.
Vad är det jag missar? Har för mig att det funkat på andra uppgifter där jag har en seriekoppling och pararellkoppling..
Du behöver börja längst till höger. Där har du två parallellkopplade resistorer på vardera. Vilken blir ersättningsresistansen för dessa båda?
Fortsätt med att titta på seriekopplingen mellan denna "nya" resistor och den seriekopplade . Vilken blir ersättningsresistanden till dessa båda?
Fortsätt på samma sätt tills du har ersatt samtliga resistorer med en enda.
Precis, det har jag gjort. Ersättningsresistansen blir 2000 ohm och strömmen över ersättningsresistansen är 0,0015A. Min fråga ovan kvarstår
Din krets är ekvivalent med följande:
där R är ersättningsresistansen för allt till höger om motståndet på 2 000 ohm.
Som du ser så är det inte en seriekoppling utan en parallellkoppling av motståndet R och det på 2 000 ohm.
Du får alltså en strömdelning, där den totala strömmen delas upp i två delar och , Storleken av och beror på förhållandet mellan resistanserna 2 000 ohm och R.
Yngve skrev:Din krets är ekvivalent med följande:
där R är ersättningsresistansen för allt till höger om motståndet på 2 000 ohm.
Som du ser så är det inte en seriekoppling utan en parallellkoppling av motståndet R och det på 2 000 ohm.
Du får alltså en strömdelning, där den totala strömmen delas upp i två delar och , Storleken av och beror på förhållandet mellan resistanserna 2 000 ohm och R.
Vet inte om jag missförstår dig men jag har räknat ersättningsresistansen på ALLT inte bara det till höger. Såhär:
2kΩ i bilden är alltså ersättningsresistansen.
Varför kan jag inte göra såhär?

Det är I1 du får då, inte I.
R i Yngves figur är
Totala strömmen är då , som delar sig i två lika delar där

Maals skrev:
Vet inte om jag missförstår dig men jag har räknat ersättningsresistansen på ALLT inte bara det till höger.
[...]
Om vi ritar ut alla strömmar i ursprungsschemat så ser det ut så här:

Är du med på det?
Den ström du har räknat fram genom att ta fram ersättningsresistansen för hela kretsen är . Är du med på det?
Det gäller att . Är du med på det?
Eftersom så är . Är du med på det?
Ok jag e med! tack