1
svar
136
visningar
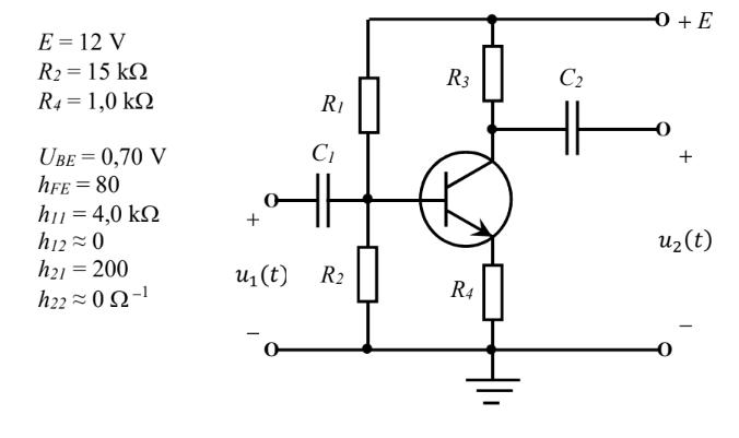
Beräkna ut och inimpedans
Jag ska beräkna ut och inimpedansen i förstärkarsteget nedan ():

Jag har gjort om det till ekvivalent signalschema:

Sen vet jag inte riktigt hur jag ska göra R4, för inimpedansen beräknas väll som allt till höger (R1//R2//h11) om transistorn och utimpedansen som allt till höger(R3) om transistorn. Men R4 är ju i mitten?
När det gäller utimpedansen, se strömkällan som en oändlig impedans. Ett avbrott alltså. Då kanske du ser vad utimpedansen blir.
När det gäller i impedansen är det kluriga att bestämma hur R4 ser ut sett från ingångssidan. Strömmen genom den är ju (1+hfe)Ib.