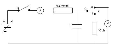
Beräkningar i en RC-krets
När B är sluten och C är i läge 1 kan jag se att strömmen hellre tar vägen genom 10 Ohm-motståndet än genom kondensatorn, därför att kondensatorer har extremt hög resistans. Detta leder till att kondensatorn förblir i stort sett oladdad. Hur kan jag visa detta med hjälp av beräkningar?
Så här lyder frågan: Visa med hjälp av beräkningar att kondensatorn är näst intill oladdad när
strömbrytaren (B) är sluten och strömställaren (C) är i läge 1 i
kopplingsschemat till del 1. Vilken spänning skall spänningskällan vara inställd
på i detta läge?
Min undran är om du har med hela beskrivningen till uppgiften?
Gissningsvis skall nog spänningskällan justeras så att amperemetern visar en viss ström. Om det finns uppgift om strömstyrka så kan du beräkna spänningen.