Beskriv jordfelsbrytares funktion mha bilden
Har denna bild till hjälp när jag ska beskriva en jordfelsbrytares funktion. Jag märkte att bilden är från wikipedia och jag har försökt förstå mig beskrivningen där men har lite svårt för det.

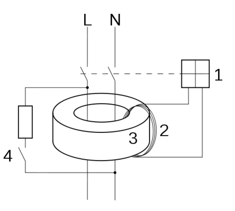
Jag har förstått det som: 1. Ström går genom fasledare och neutralledare. 2. Strömmarna är i vanliga fall lika stora och magnetfälten tar ut varandra. 3. När för lite ström kommer i någon av ledarna så tar magnetfälten längre inte ut varandra och en ström induceras som får elektromagneten att slå av strömmen genom en brytarmekanism,
Känns som jag uppfattat fel och inte riktigt förstår, Var är transformatorn här osv.
All hjälp är uppskattad!
N-ledaren kan ses som ena (primär) lindningen i en transformator, fast med extremt få varv.
"2" illustrerar sekundär-lindningen.
Denna "transformator" har då två primär-lindningar, L-ledaren och N-ledaren.
När allt är OK har strömmen i N-ledaren och L-ledaren motsatt riktning. Den inducerade spänningen från resp. ledare tar då ut varandra och ingen spänning kan registreras över spolen "2".
Affe Jkpg skrev:N-ledaren kan ses som ena (primär) lindningen i en transformator, fast med extremt få varv.
"2" illustrerar sekundär-lindningen.
Denna "transformator" har då två primär-lindningar, L-ledaren och N-ledaren.
När allt är OK har strömmen i N-ledaren och L-ledaren motsatt riktning. Den inducerade spänningen från resp. ledare tar då ut varandra och ingen spänning kan registreras över spolen "2".
Okej, hur kan de har motsatt riktning?
lamayo skrev:Affe Jkpg skrev:N-ledaren kan ses som ena (primär) lindningen i en transformator, fast med extremt få varv.
"2" illustrerar sekundär-lindningen.
Denna "transformator" har då två primär-lindningar, L-ledaren och N-ledaren.
När allt är OK har strömmen i N-ledaren och L-ledaren motsatt riktning. Den inducerade spänningen från resp. ledare tar då ut varandra och ingen spänning kan registreras över spolen "2".
Okej, hur kan de har motsatt riktning?
Det är ju växelström vi resonerar om, men ändå....
när strömmen "går in" via L så ska samma ström "gå ut" genom N...
när strömmen "går ut" via L så ska samma ström "gå in" genom N...
Affe Jkpg skrev:lamayo skrev:Affe Jkpg skrev:N-ledaren kan ses som ena (primär) lindningen i en transformator, fast med extremt få varv.
"2" illustrerar sekundär-lindningen.
Denna "transformator" har då två primär-lindningar, L-ledaren och N-ledaren.
När allt är OK har strömmen i N-ledaren och L-ledaren motsatt riktning. Den inducerade spänningen från resp. ledare tar då ut varandra och ingen spänning kan registreras över spolen "2".
Okej, hur kan de har motsatt riktning?
Det är ju växelström vi resonerar om, men ändå....
när strömmen "går in" via L så ska samma ström "gå ut" genom N...
när strömmen "går ut" via L så ska samma ström "gå in" genom N...
Vad gör den här delen? och vad är skillnaden mellan neitralledaren och fasen?

Din ursprungliga förklaring är ganska bra. Några saker att tillägga. strömmen i fasledaren och neutralledaren är lika stora men går åt olika håll (den ena uppåt i figuren och den andra nedåt) Detta kan man alltså se som ledarna som går till och från strömkällan.
Om strömmarna inte är lika stora, på grund av att ström går fel någonstans, induceras en spänning i sekundärspolen (2 i bilden) Detta gör att reläet (1 i bilden) slår ifrån och bryter både fas och nolledare.
Den delen du frågar om sist (4 i bilden) är testknappen. Om man sluter brytaren (trycker på testknappen på jordfelsbrytaren) skapar men just en sådan felkrets, en liten del av strömmen kommer att gå igenom denna delkrets och därmed skapa en skillnad i strömmen i N och L ledarna.
lamayo skrev:Affe Jkpg skrev:lamayo skrev:Affe Jkpg skrev:N-ledaren kan ses som ena (primär) lindningen i en transformator, fast med extremt få varv.
"2" illustrerar sekundär-lindningen.
Denna "transformator" har då två primär-lindningar, L-ledaren och N-ledaren.
När allt är OK har strömmen i N-ledaren och L-ledaren motsatt riktning. Den inducerade spänningen från resp. ledare tar då ut varandra och ingen spänning kan registreras över spolen "2".
Okej, hur kan de har motsatt riktning?
Det är ju växelström vi resonerar om, men ändå....
när strömmen "går in" via L så ska samma ström "gå ut" genom N...
när strömmen "går ut" via L så ska samma ström "gå in" genom N...Vad gör den här delen? och vad är skillnaden mellan neitralledaren och fasen?
Det finns en testknapp på jordfelsbrytaren. När du trycker på knappen "4" ska "1" bryta strömmen. Motståndet vid "4" är sedan dimensionerat för att testa gränsvärdet för "avbrott", som jag har för mig är typiskt 25mA.
Aha! då förstår jag, men neutralledaren och fasen, är det någon skillnad mellan dem?
Ja, det är en skillnad på neutral och fasledarna men det blir väldigt långt att ta hela 3-fas växelströmsteorin här för att riktigt förklara det.
Man kan enkelt beskriva det som att fasledaren är ledaren från strömkällan till lasten och neutralledaren är ledningen från lasten tillbaka till strömkällan. Det är också så att om du mäter spänningen mellan neutralledaren till jordpunkt så skall denna vara 0. Spänningen mellan fasledaren och jord är inte noll.
Till t.ex. villafastigheten går det tre faser L1, L2, L3 och nolledare N. Man strävar efter att ha samma last i resp. fas. Då går det ingen ström i N.
Okej! Vad är jordpunkt för någonting?
Det något som kallas skyddsjord. Kontakter i t.ex. en villafastighet kan ha fas (L), neutral (N) och jord (J). T.ex. metallhöljen på apparater ska vara anslutna till jord. Om det inträffar något fel så att fas (L) kommer i kontakt med jord (metallhöljet) så blir det kortslutning och en säkring löser ut i säkringsskåpet.
Affe Jkpg skrev:Det något som kallas skyddsjord. Kontakter i t.ex. en villafastighet kan ha fas (L), neutral (N) och jord (J). T.ex. metallhöljen på apparater ska vara anslutna till jord. Om det inträffar något fel så att fas (L) kommer i kontakt med jord (metallhöljet) så blir det kortslutning och en säkring löser ut i säkringsskåpet.
Okej, kan man då säga att jordfelsbrytaren, när den utlöses så löser en säkring ut?
lamayo skrev:Affe Jkpg skrev:Det något som kallas skyddsjord. Kontakter i t.ex. en villafastighet kan ha fas (L), neutral (N) och jord (J). T.ex. metallhöljen på apparater ska vara anslutna till jord. Om det inträffar något fel så att fas (L) kommer i kontakt med jord (metallhöljet) så blir det kortslutning och en säkring löser ut i säkringsskåpet.
Okej, kan man då säga att jordfelsbrytaren, när den utlöses så löser en säkring ut?
Jordfelsbrytaren erbjuder ett mycket bättre skydd än säkringen i ett proppskåp. Den löser ut vid t.ex. typiskt 25mA skillnad mellan ström i L och N. En typisk säkring för belysning i en villafastighet är på t.ex. 10A och smältsäkringar kan under kortare tid tåla högre ström än vad säkringen är märkt med.
Vid felaktigheter kan ström leta sig andra vägar än mellan fas (N) och jord (J) i villafastighetens ledningssystem.
Själv har jag kompletterat min elanläggning i villan med en jordfelsbrytare i proppskåpet. Vid kompletterings-tillfället hittade elektrikern ett elfel i anläggningen som jag inte visste om.
Affe Jkpg skrev:lamayo skrev:Affe Jkpg skrev:Det något som kallas skyddsjord. Kontakter i t.ex. en villafastighet kan ha fas (L), neutral (N) och jord (J). T.ex. metallhöljen på apparater ska vara anslutna till jord. Om det inträffar något fel så att fas (L) kommer i kontakt med jord (metallhöljet) så blir det kortslutning och en säkring löser ut i säkringsskåpet.
Okej, kan man då säga att jordfelsbrytaren, när den utlöses så löser en säkring ut?
Jordfelsbrytaren erbjuder ett mycket bättre skydd än säkringen i ett proppskåp. Den löser ut vid t.ex. typiskt 25mA skillnad mellan ström i L och N. En typisk säkring för belysning i en villafastighet är på t.ex. 10A och smältsäkringar kan under kortare tid tåla högre ström än vad säkringen är märkt med.
Vid felaktigheter kan ström leta sig andra vägar än mellan fas (N) och jord (J) i villafastighetens ledningssystem.
Själv har jag kompletterat min elanläggning i villan med en jordfelsbrytare i proppskåpet. Vid kompletterings-tillfället hittade elektrikern ett elfel i anläggningen som jag inte visste om.
Aha! Tack för hjälpen!