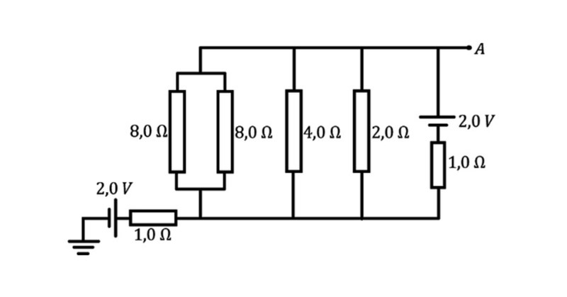
Bestäm potentialen
Bestäm potentialen i punkten A:

Jag vet inte hur jag ska gå till väga. Jag har räknat ut den totala ersättningsresistansen (3 ohm) men är osäker på hur spänningskällan nere till vänster påverkar kretsen.
Första frågan man bör ställa sig är ”Går det ström genom det undre 1 Ω motståndet?”.
Jan Ragnar skrev:Första frågan man bör ställa sig är ”Går det ström genom det undre 1 Ω motståndet?”.
Ja det gör det, men det är väl bara ström "från" spänningskällan nere till vänster?
För att det skall kunna gå en ström genom det nedre 1 Ω motståndet måste det finnas ytterligare en jordpunkt i kretsen för att få en sluten strömkrets.
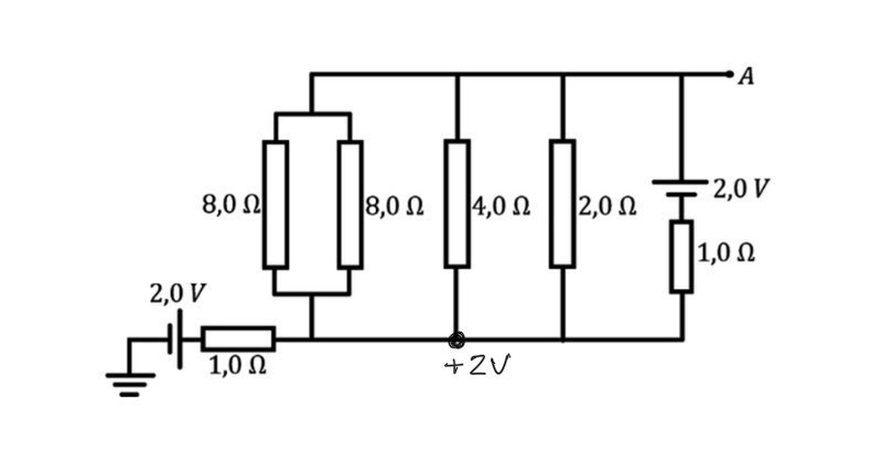
Den gemensamma nodpunkten för de 6 motstånden har alltså potentialen +2 V eftersom det inte går ström genom 1 Ω motståndet.
Jan Ragnar skrev:För att det skall kunna gå en ström genom det nedre 1 Ω motståndet måste det finnas ytterligare en jordpunkt i kretsen för att få en sluten strömkrets.
Den gemensamma nodpunkten för de 6 motstånden har alltså potentialen +2 V eftersom det inte går ström genom 1 Ω motståndet.
Okej vad är en nodpunkt? Är inte bekant med begreppet.
