7 svar
130 visningar
hejsan1874 behöver inte mer hjälp
hejsan1874 145
Postad: 20 sep 2024 17:02

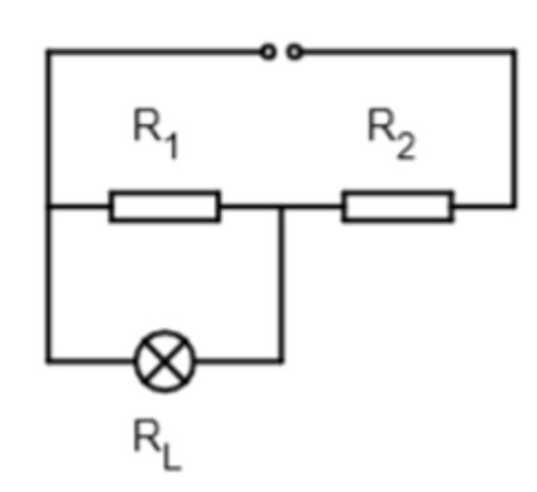
Bestäm resistans mellan två punkter

Hej! Vet inte riktigt hur jag ska ta mig vidare med denna uppgift. 
Detta kan ju ritas upp på följande sätt: 
R1+R2=10Ω.
Enligt informationen som ges i uppgiften blir lampans resistans RL=VLIL=60.5=12Ω

Spänningen över lampan ges i uppgiften (6V), och samma spänning finns ju då över R1 eftersom de är parallellkopplade. Enligt Kirchhoffs spänningslag tänker jag att spänningen över R2 måste vara lika med den spänning som finns över parallellkopplingen då potentialen i slutet av kretsen ska bli 0 (12-6-6=0).

Men hur ska jag ta mig vidare med detta antagande, och de siffror jag räknat ut? 

Pieter Kuiper 9458 – Avstängd
Postad: 20 sep 2024 17:06
hejsan1874 skrev: 


Men hur ska jag ta mig vidare 

En metod här är ju att testa. Det finns bara tio möjliga värden.

hejsan1874 145
Postad: 20 sep 2024 17:07
Pieter Kuiper skrev:
hejsan1874 skrev: 


Men hur ska jag ta mig vidare 

En metod här är ju att testa. Det finns bara tio möjliga värden.

Ja, så kan jag ju så klart göra men på ett prov skulle det definitivt dras av poäng. De vill alltid ha en "generell" lösning som kan tillämpas. 

Pieter Kuiper 9458 – Avstängd
Postad: 20 sep 2024 17:10 Redigerad: 20 sep 2024 17:18
hejsan1874 skrev:
Pieter Kuiper skrev:
hejsan1874 skrev: 


Men hur ska jag ta mig vidare 

En metod här är ju att testa. Det finns bara tio möjliga värden.

Ja, så kan jag ju så klart göra men på ett prov skulle det definitivt dras av poäng. 

Det tror jag inte i det här fallet.

Men det här är inte en provuppgift, och det är mitt intryck att det är skrivet som det är just för att räkna på det här sättet. Eller som det står där: "På något sätt".

Alternativet blir en ekvation. En kvadratisk ekvation, gissar jag.

hejsan1874 145
Postad: 20 sep 2024 17:12
Pieter Kuiper skrev:
hejsan1874 skrev:
Pieter Kuiper skrev:
hejsan1874 skrev: 


Men hur ska jag ta mig vidare 

En metod här är ju att testa. Det finns bara tio möjliga värden.

Ja, så kan jag ju så klart göra men på ett prov skulle det definitivt dras av poäng. 

Det tror jag inte i det här fallet.

Men det här är inte en provuppgift, och det är mitt intryck att det är skrivet som det är just för att räkna på det här sättet.

Alternativet blir en ekvation. En kvadratisk ekvation, gissar jag.

 Skulle verkligen uppskatta hjälp med att få fram ekvationen du talar om. 

Pieter Kuiper 9458 – Avstängd
Postad: 20 sep 2024 17:19 Redigerad: 20 sep 2024 17:19
hejsan1874 skrev:

Skulle verkligen uppskatta hjälp med att få fram ekvationen du talar om. 

Du får nog inspiration till det genom att testa dig fram :)

Pieter Kuiper 9458 – Avstängd
Postad: 20 sep 2024 22:50
hejsan1874 skrev:
Pieter Kuiper skrev: 


Alternativet blir en ekvation. En kvadratisk ekvation, gissar jag.

 Skulle verkligen uppskatta hjälp med att få fram ekvationen du talar om. 

Det är givet att UAC = 6 volt. Du ser att UBC = 6 volt.

Strömmen genom RBC är 0,5 A + RAC/6.

Med RAC = 10 Ω - RBC och Ohms lag får du så en kvadratisk ekvation för RBC

Kanske ändå trevligare att testa sig fram...

hejsan1874 145
Postad: 21 sep 2024 11:58 Redigerad: 21 sep 2024 11:58
Pieter Kuiper skrev:
hejsan1874 skrev:
Pieter Kuiper skrev: 


Alternativet blir en ekvation. En kvadratisk ekvation, gissar jag.

 Skulle verkligen uppskatta hjälp med att få fram ekvationen du talar om. 

Det är givet att UAC = 6 volt. Du ser att UBC = 6 volt.

Strömmen genom RBC är 0,5 A + RAC/6.

Med RAC = 10 Ω - RBC och Ohms lag får du så en kvadratisk ekvation för RBC

Kanske ändå trevligare att testa sig fram...

Tack så mycket! 

Kom fram till 10-R1=1R1+1R2-1
Vilket då går ut som X1=6 och X2=-20, negativt svar är ju inte rimligt så det blir 6 Ohm. 

Svara
Close