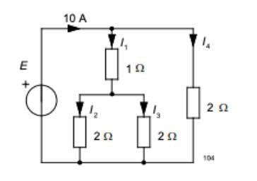
bestäm strömmarna, har jag räknat rätt?

jag har fått
I1=5/3
I2=10/3
I3=10/3
I4=5
Stämmer detta?
Nja, borde inte I1 + I4 = 10 A?
okej så hur räknar jag I1? Ska jag räkna ersätningsressistansen först?
NeedHelp skrev:okej så hur räknar jag I1? Ska jag räkna ersätningsressistansen först?
Ja!
Så då blir det 2 ohm vid I1 och 2 ohm vid I4 så I1 och I4 är 5 A?
NeedHelp skrev:okej så hur räknar jag I1? Ska jag räkna ersätningsressistansen först?
Ja, det är en möjlig approach.
NeedHelp skrev:Så då blir det 2 ohm vid I1 och 2 ohm vid I4 så I1 och I4 är 5 A?
Ja
är I2 = I3? alltså 5 A ?
NeedHelp skrev:är I2 = I3? alltså 5 A ?
Nja, I2 + I3 = I1 = 5 A.
rättelse menade I2 och I3 var 2.5A
NeedHelp skrev:rättelse menade I2 och I3 var 2.5A
Ja!
NeedHelp skrev:rättelse menade I2 och I3 var 2.5A
OK, det verkar stämma.
I1= 5A
I2= 2,5A
I3=2,5A
I4=5A
Stämmer det nu?
Stämmer det nu?
Ja :-)