Bestämma potentialer i elektrisk krets

Hej! Jag behöver hjälp med att bestämma potentialerna A & B i denna krets, och framför allt varför strömmen rör sig motsols i kretsen.
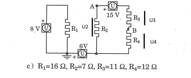
Det jag har kommit fram till är att noden till höger om den mittersta spänningskällan har potentialen -6V, kretsens totala resistans är 30 Ohm, varvid att kretsens ström I = 0,5A följer. Genom detta räknar vi vidare att U2 = 3,5V och U4 = 6V.
Eftersom spänningskällan uppe till höger har sin positiva sida till vänster tänker jag att strömmen ska gå medurs, vilket skulle resultera i B = (-6V+6V) = 0V samt A = (-6V-3,5V) = -9,5V, men enligt facit ska rätt svar bli A = -2,5V och B = -12V, alltså omvända tecken i mina ekvationer, vilket jag tolkar som att strömmen går moturs? Alltså från den negativa sidan till den positiva i spänningskällan?
Tack på förhand
Hur kom du fram till I=0.5A? Det stämmer inte (men dina spänningar verkar ha blivit rätt ändå)
Strömmen går från högre till lägre potentialer utanför spänningskällan, och från lägre till högre inuti (spänningskällan fungerar som en potentialhiss). Vad betyder det för strömriktningen?
Tack för snabbt svar! Jag tänker att jag kan ignorera den vänstra slingan i mina beräkningar (utöver beaktandet av att jorden finns i den) då ström inte kan passera genom den mittersta spänningskällan(Om jag tänker rätt?). Det innebär att den totala resistansen i den högra slingan blir R2+R3+R4= 30 Ohm, och I = U/R = 15/30 = 0,5A. Och nu kan jag räkna ut U4 = R4*I = 12*0,5 = 6V, U2 = R2*I = 7*0,5 = 3,5V. Vart gick fel där?
Måste ha lyckats missa att strömmen går åt andra hållet i spänningskällor, det förklarar saken! Tack! :)
Hej
Din uträkning av strömmen i högerslingan (I=0.5A) stämmer.
Dina uträkningar av U4 och U2 stämmer också. Då är frågan, vilken sida är + och vilken är - ? Titta på åt vilket håll strömmen går genom resistanserna.
ThomasN skrev:Hej
Din uträkning av strömmen i högerslingan (I=0.5A) stämmer.
Dina uträkningar av U4 och U2 stämmer också. Då är frågan, vilken sida är + och vilken är - ? Titta på åt vilket håll strömmen går genom resistanserna.
Förstår inte riktigt hur jag ser vilket håll strömmen går genom resistanserna, om man bortser från det haraldfreij skrev om att strömmen går från minus till plus i spänningskällan, vilket gav att den går motsols i hela slingan(tror jag?).
Det är precis så du ser det. Om du vet att strömmen kommer ut ur spänningskällan vid pluspolen, så måste den fortsätta motsols i hela slingan (den kan ju aldrig vända eller samla sig i någon punkt).
Hej
Japp, strömmen går motsols i högerslingan. Det är 15V spänningskällan som driver denna strömmen från + sidan genom motstånden till - sidan. Över varje motstånd genereras då en spänning enligt ohms lag U=R*I. Polariteten på denna spänningen bestäms av strömmens riktning genom motståndet. Tänk dig att, för varje motstånd, att det var en spänningskälla som genererat denna strömmen som i figuren:

Var ska + och - tecknen på denna tänkta spänningskälla vara?