Clamper krets - rita ut spänningen i kretsen
Hej,
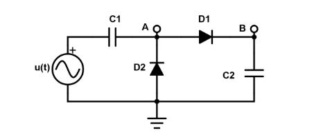
Detta tillhör en kurs i digitalteknik där det är en krets med dioder, kondensatorer och AC-källa.

Uppgiften går ut på att rita en graf för spänningen i figur A och B där U(t) = 5sin(2pit) [V].
Jag har kommit fram till att det är en variant av en clamper circuit, det vill säga: spänningen i A kommer att skjutas 5 volt uppåt, det vill säga: variera mellan 0 volt och 10 volt istället för mellan -5 och 5 volt.
Spänningen i B ska vara konstant 10 volt hela tiden, vilket jag inte riktigt förstår hur det går till. Vad har D1 och C2 för funktion i den här kretsen?
Tack på förhand om någon är villig att inge lite visdom!
Tänk (och rita!) vad som händer med spänningarna i A och i B efter att u(t) = -5 volt.
(Det är inte viktigt att det är en sinus, det kan vara lättare att rita för en trekantsvåg.)