Designa en förstärkarkrets som förstärker sensorns utsignal (vid maximal utsignal) till 10 V.
Hej pluggakuten som ni ser pårubriken har jag i uppgift att designa en förstärkarkrets. Jag vet inte riktigt hur jag ska gå tillväga men det enda som jag vet är att jag måste koppla en srömgivare (vilken som helst) till en Op-amp. Tack för hjälpen i förhand.
Hej
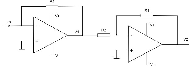
Skickar en bild på en OP-amp koppling som passar för en ström till spänningsomvandlare/förstärkare.

Sedan beror det på vilken ström du har som ska resultera i 10V på utgången.
När man använder den inverterade ingången så kommer en ström in i kopplingen att ge en spänning som är negativ i förhållande till referensen på +ingången. Hoppas det inte gör något?
Hej
Om du behöver en positiv utspänning för en ström in till OP-ampen kan man helt enkelt addera en inverterare efter första OP-ampen:

V1 = -Iin / R1 och V2 = -V1 x R3 / R2. Om du väljer R2=R3 så blir steg 2 en ren inverterare.
Om du ska bygga det här så skulle jag rekommendera att koppla en liten kapacitans parallellt med R1 och R3 för att minska förstärkningen vid höga frekvenser. (Men detta är kanske överkurs).
Duger detta?