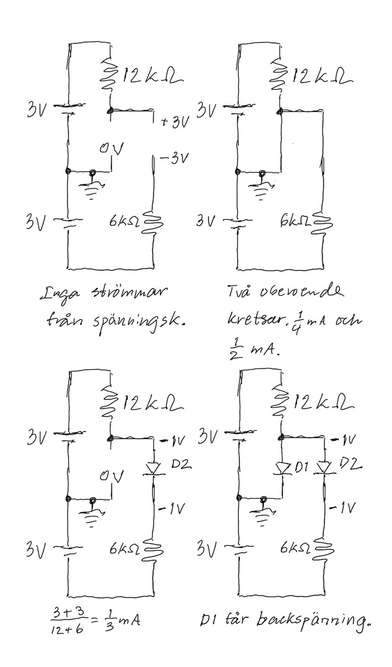
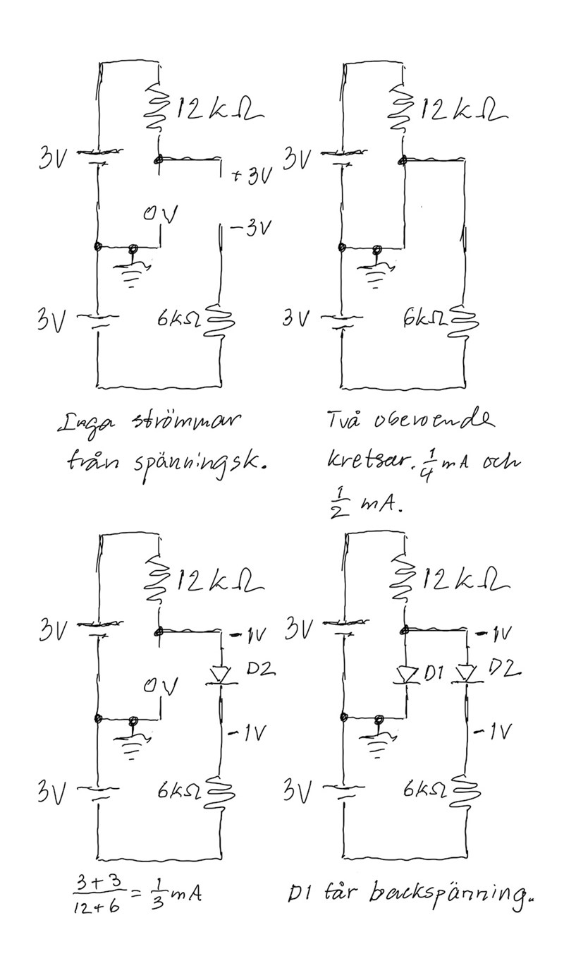
Diodkrets 2
Har inget facit till följande uppgift, men jag slängde upp en simulering och mina värden verkar inte stämma, i simuleringen går det exempelvis ingen ström genom D1. Har tidigare använt Thévenins theorem för att lösa liknande uppgifter men vet inte riktigt hur jag skulle göra detta här och om jag borde det?
Jag antar att noden mellan D1 och D2 är noll eftersom spänningsfallet över D1 är just noll, och eftersom D1 är kopplad till jord borde noden därför bli 0?
Cien skrev:Jag antar att noden mellan D1 och D2 är noll eftersom spänningsfallet över D1 är just noll, och eftersom D1 är kopplad till jord borde noden därför bli 0?
Då har du . Var kommer denna ström ifrån?
Pieter Kuiper skrev:Cien skrev:Jag antar att noden mellan D1 och D2 är noll eftersom spänningsfallet över D1 är just noll, och eftersom D1 är kopplad till jord borde noden därför bli 0?
Då har du . Var kommer denna ström ifrån?
Från den högra spänningskällan? (-3 V)
Cien skrev:Pieter Kuiper skrev:Cien skrev:Jag antar att noden mellan D1 och D2 är noll eftersom spänningsfallet över D1 är just noll, och eftersom D1 är kopplad till jord borde noden därför bli 0?
Då har du . Var kommer denna ström ifrån?
Från den högra spänningskällan? (-3 V)
Men hade du räknat ut till 0,25 mA.
Pieter Kuiper skrev:Cien skrev:Pieter Kuiper skrev:Cien skrev:Jag antar att noden mellan D1 och D2 är noll eftersom spänningsfallet över D1 är just noll, och eftersom D1 är kopplad till jord borde noden därför bli 0?
Då har du . Var kommer denna ström ifrån?
Från den högra spänningskällan? (-3 V)
Men hade du räknat ut till 0,25 mA.
Ja, och en del av den går ner genom D1 dioden. I min figur har jag ritat ut de tre strömmarna I1, I2 och I3.
Cien skrev:Pieter Kuiper skrev:Cien skrev:Pieter Kuiper skrev:Cien skrev:Jag antar att noden mellan D1 och D2 är noll eftersom spänningsfallet över D1 är just noll, och eftersom D1 är kopplad till jord borde noden därför bli 0?
Då har du . Var kommer denna ström ifrån?
Från den högra spänningskällan? (-3 V)
Men hade du räknat ut till 0,25 mA.
Ja, och en del av den går ner genom D1 dioden. I min figur har jag ritat ut de tre strömmarna I1, I2 och I3.
Nu åberopar du ofta Kirchhoffs strömlag. Det går inte ihop. Som jag har sagt tidigare: diodsymbolen är som skylten för enkelriktad trafik.
Det hjälper att skriva värden i schemat för att se det.
Pieter Kuiper skrev:
diodsymbolen är som skylten för enkelriktad trafik.
Jag har lagt upp strömmen så att det ska gå från anod till katod, alltså som för enkelriktad trafik?
Cien skrev:Pieter Kuiper skrev:
diodsymbolen är som skylten för enkelriktad trafik.
Jag har lagt upp strömmen så att det ska gå från anod till katod, alltså som för enkelriktad trafik?
Om du bara kan se det matematiskt, är det dessa två rött-inringade formler som inte stämmer med varandra:
Eftersom -3V är den lägsta potentialen i kretsen så kan det bara gå ström in i den. Därmed går det ström i D2:s framriktning. Det gäller båda kretsarna.
Men hur är det med D1?
Oftast blir det lättare att se hur en krets fungerar med och utan dioder än att använda Kirschhoffs lagar.
ThomasN skrev:Eftersom -3V är den lägsta potentialen i kretsen så kan det bara gå ström in i den. Därmed går det ström i D2:s framriktning. Det gäller båda kretsarna.
Men hur är det med D1?
För D1 är det jordat vid katoden, alltså måste potentialen vara större än 0 vid anoden. Jag återkommer.
Som Pieter i post # 8 påpeka, så hade jag gjort ett teckenfel. När jag korrigerar detta så får jag att I=I2<0, alltså går den "verkliga I2" strömmen i motsatt riktning det jag har valt, och då spärrar dioden. Sammanfattat så spärrar D1 dioden och därför är I=0. v0=0.
Verkar detta vettigt?

Cien skrev:Som Pieter i post # 8 påpeka, så hade jag gjort ett teckenfel. När jag korrigerar detta så får jag att I=I2<0, alltså går den "verkliga I2" strömmen i motsatt riktning det jag har valt, och då spärrar dioden. Sammanfattat så spärrar D1 dioden och därför är I=0. v0=0.
Verkar detta vettigt?
Nej, potentialen är alltså inte 0 volt där, det var en Ansatz som inte funkar.
Strömmen kan inte vara 0,5 mA. Som jag skrev i #2: var skulle den komma ifrån? Se även #6.
Jan Ragnar visade hur man kan lösa uppgiften steg för steg.
För D1 är det jordat vid katoden, alltså måste potentialen vara större än 0 vid anoden. Jag återkommer.
Potentialen måste inte vara större än noll. Den kan vara mindre än noll och då spärrar dioden.
Har läst på lite, tyvärr så tar boken inte upp några exempel med ideala dioder, utan endast dioder där ledspänningen är 0.7V.
Till uppgiften så har vi tre fall. Ett fall där D1 och D2 båda leder, ett annat fall där D1 leder och D2 spärrar, och till sist där D1 spärrar och D2 leder. Jag gör därför dessa antaganden och ser vad som händer.
I första fallet är antagandet att D1 och D2 båda leder. Vid räkning får jag dock en ström som går i motsatt riktning av antagandet vid D1, alltså spärrar D1? Men D2 verkar leda för vi har en ström som är i enlighet med antagandet samt en spänning på 0V där dioden satt. Betyder detta att antagandet att D1 leder är fel och att D1 spärrar?
Om jag gör antagandet att D1 leder och D2 spärrar så verkar detta stämma?
På samma sätt om jag antar att D1 spärrar och D2 leder så verkar detta också stämma? (detta verifierar dock det jag kom fram till i första antagandet).

D1 och D2 leder: Om det är så får vi en ström som skulle flyta i backriktningen på D1. Dvs så här kan det inte vara.
D1 leder och D2 spärrar: Då skulle punkten där anoderna är ihopkopplade ha potentialen 0V. Dioden D2 blir ju då framspänd och det motsäger antagandet. Dvs så här kan det inte heller vara.
Kvar alltså D1 spärrar och D2 leder: Det blir en ren spänningsdelning.

Varför räkna ut detta?
Till vänster står helt riktigt att VA och VB = -1.
Det säkerställer ju också antagandet att D1 spärrar!
ThomasN skrev:
Varför räkna ut detta?
pga 
OK, då förstår jag. Men det ger sig redan om man tittar på kopplingsschemat.
Ett annat sätt att säga det är att VA = VB = V. Där V är den spänningen i förhållande till jord som uppgiften frågar efter. Är du med på det?
(Sen håller jag inte med om att 3:e ger samma resultat som 1:a antagandet.)
ThomasN skrev:D1 leder och D2 spärrar: Då skulle punkten där anoderna är ihopkopplade ha potentialen 0V. Dioden D2 blir ju då framspänd och det motsäger antagandet. Dvs så här kan det inte heller vara.
Ett annat sätt att säga det är att VA = VB = V. Där V är den spänningen i förhållande till jord som uppgiften frågar efter. Är du med på det?
Om vi kollar på andra antagandet (D1 leder D2 spärrar). Så har vi att potentialen 0 där strömmarna grenar och potentialen -3 längst ner. Ström går från högre potential till lägre, 0>-3, så du menar att vi är klara här och behöver inte gör extra räkning? Dvs det går en ström från anoden till katoden i D2 (den leder), därmed är antagandet fel.
Precis!

