12 svar
271 visningar
Cien behöver inte mer hjälp
Cien 1323
Postad: 10 feb 2025 19:33

Diods beroende av insignalens tecken

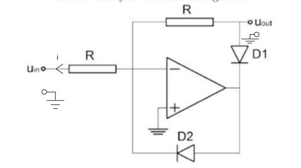
Hej, är ny med allt vad gäller dioder. Då vi har o göra med ideala dioder så leder de ström om spänningen över de är 0 och spärrar om spänningen över är <0. Har i tidigare uppgifter lärt mig att man tar bort dioden och skapar en öppen krets, och sen försöker uttrycka spänningen över dioderna. Har tagit fram ett uttryck på spänningen över D1 enligt UD1 = -uin-u0. Jag kan nu sätta exempelvis uin = +1 V eller uin = -1 V men problemet är att jag inte vet vad u0 är, så jag kan inte avgöra om UD1 är positivt eller negativt. Tänker jag rätt här? och hur tar jag reda på vad u0 är?

Pieter Kuiper 9458 – Avstängd
Postad: 10 feb 2025 19:49
Cien skrev:

Jag kan nu sätta exempelvis uin = +1 V eller uin = -1 V men problemet är att jag inte vet vad u0 är, så jag kan inte avgöra om UD1 är positivt eller negativt.  

Jo då, diodsymbolen ger dig strömriktningen. Om Uin är -1 volt kommer strömmen genom D2.

ThomasN 2681
Postad: 11 feb 2025 17:19

Om Uin är negativ så flyter strömmen i. För att hålla minus-ingången på noll volt så måste en lika stor ström flyta in till knutpunkten VA. Var kan den komma ifrån?

Gör ett liknande resonemang för Uin > 0V

Cien 1323
Postad: 12 feb 2025 20:26 Redigerad: 12 feb 2025 20:27
ThomasN skrev:

Om Uin är negativ så flyter strömmen i. För att hålla minus-ingången på noll volt så måste en lika stor ström flyta in till knutpunkten VA. Var kan den komma ifrån?

Gör ett liknande resonemang för Uin > 0V

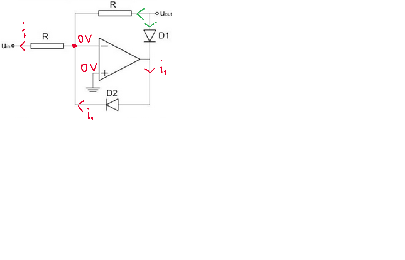
Jag är dålig på detta, men jag vet att dioder har den funktionen att de endast tillåter strömflöde i riktningen de pekar, förutsatt att en viss spänning ligger över de (i detta fallet 0V, tidigare uppgifter var det 0.7 V). Men, i tidigare uppgifter har man fått lära sig att man kan ta reda på denna spänningen genom att ta bort dioden och göra en öppen krets, och sen använda sig av nodanalys för att ta reda på denna spänningen. Därför tänkte jag att man borde kunna uttrycka spänningen över dioderna med avseende på uin, och sen bara anta ett positivt och ett negativt värde, men problemet här var att jag inte visste värdet på u0.

Men för att svara på din fråga så har jag ritat detta, kan dock inte uout möjliggöra att strömmen går igenom R istället och inte ner genom dioderna?

Jan Ragnar 2228
Postad: 12 feb 2025 22:38

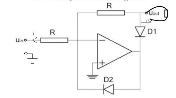
Jag tolkar din figur ovan som om du tänker dig att en spänningskälla vid uut skulle kunna ge strömmar och spänningar i kretsen, men så brukar det aldrig vara. 

Kretsen har en signalkälla vid uin som kanske borde ha ritats in.

Pieter Kuiper 9458 – Avstängd
Postad: 12 feb 2025 23:15 Redigerad: 12 feb 2025 23:37

Precis. Man kan koppla in en last (som också kan vara kapacitativ eller induktiv) men så är inte fallet i uppgiften så det finns ingen anledning att börja grubbla över det. Här är uout bara en nod i kretsen, mellan R och D1, inget mer.

OP-förstärkaren ger en feedbackström som håller V+ och V- lika (här lika med noll). Och den strömmen är bara lika med i i figuren.
Se Falstad: https://tinyurl.com/24hlzsme 

Cien 1323
Postad: 13 feb 2025 08:25
Jan Ragnar skrev:

Jag tolkar din figur ovan som om du tänker dig att en spänningskälla vid uut skulle kunna ge strömmar och spänningar i kretsen, men så brukar det aldrig vara. 

Kretsen har en signalkälla vid uin som kanske borde ha ritats in.

Tack ska du ha!

Cien 1323
Postad: 13 feb 2025 08:25
Pieter Kuiper skrev:

Precis. Man kan koppla in en last (som också kan vara kapacitativ eller induktiv) men så är inte fallet i uppgiften så det finns ingen anledning att börja grubbla över det. Här är uout bara en nod i kretsen, mellan R och D1, inget mer.

OP-förstärkaren ger en feedbackström som håller V+ och V- lika (här lika med noll). Och den strömmen är bara lika med i i figuren.
Se Falstad: https://tinyurl.com/24hlzsme 

Okej då är jag med tack! bra simulation på kretsen länkad!

Cien 1323
Postad: 19 feb 2025 10:34
Jan Ragnar skrev:

Jag tolkar din figur ovan som om du tänker dig att en spänningskälla vid uut skulle kunna ge strömmar och spänningar i kretsen, men så brukar det aldrig vara. 

Kretsen har en signalkälla vid uin som kanske borde ha ritats in.

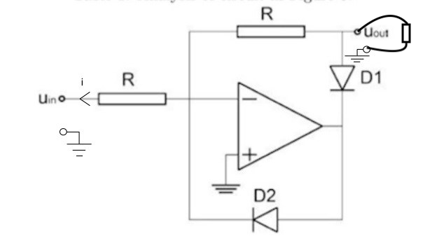
Hej, jag skulle vilja fylla i den tabellen, specifikt för uout kolumnen.

Så om uin är positiv så har vi en öppen krets vid D2 så ingen ström går där, jag använder mig av nodanalys (KCL) och uttrycker uout=-uin och eftersom uin är positiv så blir uout alltid negativ.

Men om uin nu är negativ så är D1 öppen, alltså går ingen ström till uout, kan jag då direkt säga att spänningen är noll vid uout?

Pieter Kuiper 9458 – Avstängd
Postad: 19 feb 2025 10:46 Redigerad: 19 feb 2025 10:51
Cien skrev:

Det är väl inget problem? Om strömmen är noll är spänningsfallet över R också noll, så uout = VA= VB = 0.

Cien 1323
Postad: 19 feb 2025 11:27
Pieter Kuiper skrev:
Cien skrev:

Det är väl inget problem? Om strömmen är noll är spänningsfallet över R också noll, så uout = VA= VB = 0.

Tack! 

Hur kommer det sig att falstad visar konstant spänning som inte är 0 då vi har negativ inspänning?

Pieter Kuiper 9458 – Avstängd
Postad: 19 feb 2025 16:01 Redigerad: 19 feb 2025 16:23
Cien skrev:

Hur kommer det sig att falstad visar konstant spänning som inte är 0 då vi har negativ inspänning?

Det är ju "noll".

Detaljen med 1,7 millivolt beror säkert på simuleringen. Falstad har också en mer realistisk diodkarakteristik. Kanske även en realistisk OP-förstärkare. Detaljer som man kanske kan hitta på Github-sidan för projektet.

Cien 1323
Postad: 19 feb 2025 17:37
Pieter Kuiper skrev:
Cien skrev:

Hur kommer det sig att falstad visar konstant spänning som inte är 0 då vi har negativ inspänning?

Det är ju "noll".

Detaljen med 1,7 millivolt beror säkert på simuleringen. Falstad har också en mer realistisk diodkarakteristik. Kanske även en realistisk OP-förstärkare. Detaljer som man kanske kan hitta på Github-sidan för projektet.

ok tackar!

Svara
Close