Effekt trefassystem, LTspice.
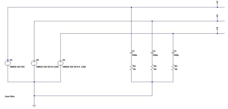
Hej! Jag undrar om någon vet om det går att mäta aktiv och reaktiv effekt i en trefaskrets i LTspice? Jag har räknat ut den reaktiva effekten manuellt och skulle nu vilja "bekräfta" att det är rätt via LTspice. Jag lägger in en bild på kretsen nedan.

Du kan plotta effektförbrukningen (även reaktiv - den pendlar runt 0) för en komponent genom att alt-klicka på komponenten. Vill du addera effekten för flera komponenter kan du själv skriva ett uttryck med addition.
Tror kanske jag får till det nu, hade inte tänkt på att addera ihop dom!
Hej,
Jag undrar hur lyckades du mäta aktiv och reaktiv effekt i LTspice? Hängde inte riktigt med.
student20 skrev:Hej,
Jag undrar hur lyckades du mäta aktiv och reaktiv effekt i LTspice? Hängde inte riktigt med.
Håll nere altknappknappen och vänster-klick med musen. Symbolen blir en termometer. (@student20, vi kunde ha gjort detta häromdagen med din uppgift, men man lär sig lite mer om vad effekt är om man plottar uttrycket för effekten som i videon du länkade till. Om man använder "termometern" så beräknar LTspice uttrycket automatiskt)
I LTspice finns fantastiska funktioner. Det enklaste brukar vara att googla på saker som man vill göra. Alltid finns det någon därute som har gjort en video på det.
Jag har samma uppgift.
Tack för en bra förklaring (Johan du förklara alltid på ett bra och enkelt sätt). Har nu testat med använda bägge metoderna. Är effekten det som är på toppen av kurvan? Så jag ska göra addera effekten för alla komponenter för att få effekten för hela kopplingen.
Jag undrar även om den reaktiva effekten är 0? Jag ska även räkna ut den reaktiva effekten för hela kopplingen, men jag ser bara den aktiva effekten.



Eftersom ni gör en transientanalys så ser man tiden på x-axeln, och man ser momentaneffekten [W] på y-axeln om man använder "effektproben" (termomentern). Normalt när man räknar med effekt så anger man medelvärdet över en tid (). Man är ju oftast inte intresserad hur effekten varierar med dubbla nätfrekvensen som man ser i ltspice-plotten, utan man är mer intresserad av hur mycket värme en krets utvecklar).
Naturligtvis finns det en funktion i ltspice som räknar ut medelvärdet av effekten. Man håller ner ctrl-knappen och vänsterklickar på effektkurvans legend. (Medelvärdet beräknas över den tid som plotten sträcker sig).
Man ser då (som Harald nämnde) att medeleffekten [W] i kondensatorn blir noll, dvs kondensatorn utvecklar ingen aktiv effekt.
Som du verkar ha noterat student20, så är inte detta detsamma som att säga att den reaktiva effekten i lasten (C'et+R'et) är noll. Jag har funderat en stund hur man på enklaste sätt "mäter" den reaktiva effekten [VAr] i kretsen.
Det kanske är lättast att beräkna , eller ( fasskillnad mellan ström och spänning) men det är inte så rättfram att "kontrollmäta" det i ltspce eftersom den storheten bara är en slags räknestorhet.
Ingår det i uppgiften att "kontrollmäta" den reaktiva effekten i ltspice?
Tack för svaret. Det funkar nu.
När jag räknar effekten får jag men när jag adderar effekterna i LTspice får jag 2237W. Är den lilla skillnaden ok, eller har jag räknat något fel?
Nej det ingår inte i uppgiften att "kontrollmäta" den reaktiva effekten i ltspice.
Jag tror inte man ska bry sig om den lilla skillnaden. ltspice räknar med numeriska metoder. Det blir också en liten transient vid starten på simuleringen som inte kommer med när man räknar. (Påverkan från sådana transienter kan man eliminera genom att integrera över större intervall, eller klippa bort första tiden.