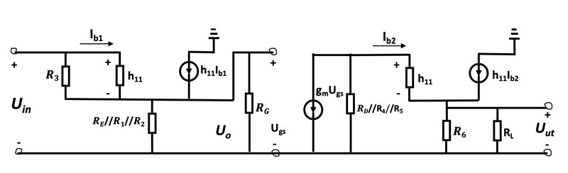
Ekvivalent småsignal, bootstrapped emitterföljare
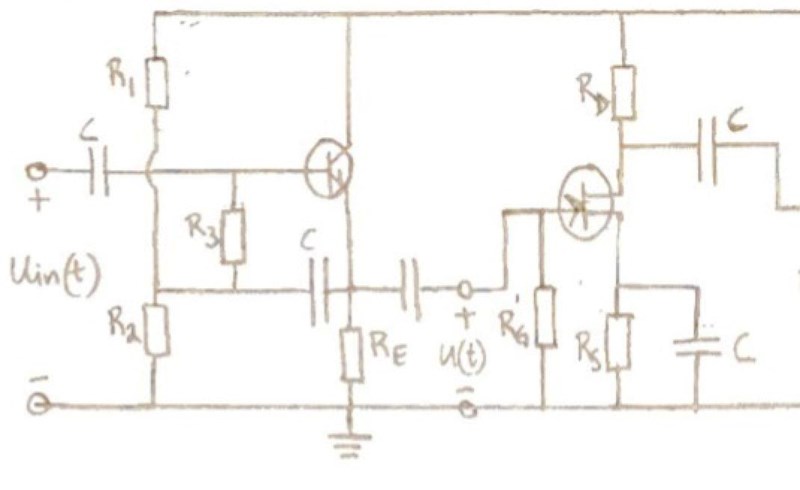
Jag har följande (del av) krets som jag dels ska rita ett ekvivalent småsignalschema för och därefter räkna ut utsignalen på. Vad jag har förstått är det första förstärkarsteget en "bootstrapped"-emitterföljare.
- R3 kan då försummas på grund av ”bootstrap-effect” som representerar ett väldigt stort motstånd. (R3 parallell med R1, R2 och RE). R3 har väldigt litet inflytande på AC-signalen.
- R3 har då samma växelströmssignal på båda sidorna om den första transistorn.
- Växelströmssignalen placeras vid basen på första förstärkarsteget, så emittern följer den signalen.
- Dessutom ser man RE//RG som lasten på utsignalen.
Då ritar jag upp följande ekvivalenta signalschema
Det jag är osäker på är första förstärkarsteget och främst kopplingen till RG. Det gör det då svårt att ställa upp en ekvation för UGS/Uin.
För att räkna ut förstärkningen tänker jag att:
F=Uut/Uin=(Uut/Ib2)*(Ib2*UGS)*(UGS/Uin)
där UGS=RE//RG(Ib1+h21Ib1+IG) (IG=0)
Så, med hjälp av Uin behöver jag alltså ett uttryck för UGS, men är som sagt osäker på om jag ens tänkt rätt.
Tack på förhand.
Nu är jag rätt säker på att det ekvivalenta småsignalschemat för min ursprungskrets är korrekt. Är dock fortfarande osäker på ekvationerna och om jag tänker rätt (speciellt ekvation 5). All hjälp uppskattas.
Hej
Jag får börja med att säga att det var ett tag sen jag räknade på sånt här, men jag gör ett försök.
Jag är lite tveksam till din senare modell för steg ett, jag tycker att din förra såg bättre ut. Re sett från insignalsidan kommer väl att se ut som (1+h21)*Re? Och R1 och R2 har ingen inverkan på förstärkningen.
Jag får då de här formlerna:
Sätt in uttrycket för Ib1 i översta formeln:
Ser det vettigt ut? En emitterföljare kan väl max ge förstärkningen 1 och det får vi om h11 är "litet".
Jag har också lite svårt att hänga med i formlerna. Var sitter R4, R5, R6 och Rl?
Varför strömgeneratorn h21Ib2 nere till höger? Är det ett tredje steg?
ThomasN skrev:Hej
Jag får börja med att säga att det var ett tag sen jag räknade på sånt här, men jag gör ett försök.
Jag är lite tveksam till din senare modell för steg ett, jag tycker att din förra såg bättre ut. Re sett från insignalsidan kommer väl att se ut som (1+h21)*Re? Och R1 och R2 har ingen inverkan på förstärkningen.
Jag får då de här formlerna:
Sätt in uttrycket för Ib1 i översta formeln:Ser det vettigt ut? En emitterföljare kan väl max ge förstärkningen 1 och det får vi om h11 är "litet".
Jag har också lite svårt att hänga med i formlerna. Var sitter R4, R5, R6 och Rl?
Varför strömgeneratorn h21Ib2 nere till höger? Är det ett tredje steg?
Det ser vettigt ut.
Utifrån ursprungskretsen har jag alltså detta småsignalschema och jag är jättesäker på att det stämmer. Är som sagt fortfarande osäker på ekvationerna. Är jag på rätt spår med ekvation 1-4? 
Jag ser inte R4, R5, R6 och Rl i ursprungsschemat. Finns det ett "tredje" steg med en bipolär transistor?
När det gäller det första steget med NPN-transistorn så tror jag att R1, R2 och R3 inte påverkar förstärkningen i småsignalmodellen alls. De behövs för att att säkerställa en DC-arbetspunkt för steget och påverkar inimpedansen.
Om vi går tillbaka till din första modell så tycker jag den stämmer bäst. Det är den jag utgått från när jag skrivit formlerna i mitt förra inlägg.
Jag är säker på att en emitterföljare har en förstärkning nära 1.
Din formel för Ugs (5) är nog inte rätt. Dimensionerna i den blir
Det tredje steget är en emitterföljare, fast utan "bootstrapkoppling" (som finns i ingångssteget), som sagt så är småsignalmodell rätt men ha lite svårt med ekvationerna speciellt då för ingångssteget.
Jag hänger med på ekvationen för Ib1 men tror inte riktigt uttrycket för Ugs är korrekt, R1, R2 och R3 ska vara med i uttrycket.
Fick fram något såhär men fortfarande osäker (Rin = inre resistans),
där
men vet inte riktigt vad som händer med R3?
Njaa, jag är inte säker på att småsignalmodellen stämmer.

Här ser det ju ut som om en del av signalströmmen h21xIb1 går genom R1 och R2 och det gör den ju inte alls. Jag tror du ska gå tillbaka till din första modell:

Din senaste formel för Ugs ser lite konstig ut. Jag antar att det andra Ugs i formeln ska vara Uin. Minustecknet ska nog inte heller vara där, en emitterföljare inverterar inte. Om man stoppar in uttrycket för Rin i nämnaren får man h11 + R1//R2//(Re//R1//R2x(1+h21)), hmm. Som sagt, jag tror att R1, R2 och R3 bara är till för att ge en DC-arbetspunkt för steget.
Ahh, nu tror jag jag fattar. Det tog ett tag , sorry.
I och med kondensatorn mellan Re och R2,R3 så ska R1 och R2 med i formlerna. R3 kan vi nog försumma, som du konstaterat så kommer vi ha samma signalspänning på båda sidor om den.
Nytt försök:
Om vi sätter in Ib1:
Rq1 = Re//R1//R2//Rg
Om h11 är litet får vi en förstärkning på 1, som man kan förvänta sig.
Aha, okej. Tror jag hänger med.
Kommer R3 inte påverka utsignalen överhuvudtaget?
Som jag nämnde i början har jag förstått att man kan försumma R3 pga "bootstrap-effect" och att R3 är parallell med R1, R2 och RE. Ska man inte ha med R3 i uttrycket för RQ1 så RQ1=RE//R1//R2//R3//RG? Har R3 bara inflytande på DC-signalen?
physicshandbook skrev:Aha, okej. Tror jag hänger med.
Kommer R3 inte påverka utsignalen överhuvudtaget?Som jag nämnde i början har jag förstått att man kan försumma R3 pga "bootstrap-effect" och att R3 är parallell med R1, R2 och RE. Ska man inte ha med R3 i uttrycket för RQ1 så RQ1=RE//R1//R2//R3//RG? Har R3 bara inflytande på DC-signalen?
R3 kommer inte påverka utsignalen alls, men bör väl ändå vara med i uttrycket för Ugs tänker jag?
Om R3 ska vara med så ska den bara vara parallellt med h11, precis som du ritat. Man kan då ersätta h11 med R3//h11 i formlerna.
Men h11 är i storleken några ohm och jag tror att R3 ska vara betydligt högre. Dessutom kommer den "se" ännu större ut genom den här bootstrap-kopplingen. När spänningen på basen ökar, så kommer spänningen på emittern också att öka. Det medför att det nästan inte går någon signalström alls genom den.
Nu hänger jag med och jag ser också att R3 är parallell med h11, men Ib1 går inte genom h11//R3? Strömmen som går genom R3 är väl Iin? Förstår inte hur jag ska få in R3 i ekvationerna.
Jag förstår hur du tänker, den formeln jag skrev för Ib1 stämmer bara om man försummar R3, och det tror jag man ska göra.
Om man tittar på strömmarna som går genom Rq1 så blir de IR3 + Ib1 + h21xIb1 = IR3 + Ib1(1+h21). Om inte R3 är ca 100ggr mindre än h11 så kommer R3 inte att påverka utsignalen över Rq1. (h21 är ju i storleksordningen 200-300 för en normal NPN transistor)
Det normala är säkert att R3 ska vara större än h11, annars är det ingen vits med denna kopplingen.
Vill först bara tacka för hjälpen. Jag vet inte om jag krånglar till det för mycket men har ett par frågor till, för
R3 ska inte försummas. Har funderat en del och läst på och har också tolkat det som att R3 kan försummas. Men jag tänker att man kan skriva
Vilket då istället ger att:
Som då ger ett annat värde på utsignalen.
Inget att tacka för, bara kul att motionera de små grå.
Jag tror inte det stämmer att placera R3 där. R3 kommer då att ha stor påverkan på förstärkningen och det har den inte. (Jag tog mig friheten att simulera i SPICE).

Om R3 = 1kohm blir förstärkningen 0.96, om R3 = 100kohm blir förstärkningen 0.94
Om man vill vara väldigt noggrann så kan man nog göra så här:
Sen kan man räkna vidare och samla alla termer med Ugs på vänstersidan och alla Uin på högersidan.
Men man kan se redan här att om R3 >> h11/(1+h21) så kan man bortse från R3.
Stort tack för hjälpen.