Elektricitet - kopplingsschema, lös ut strömmen
Frågan lyder:
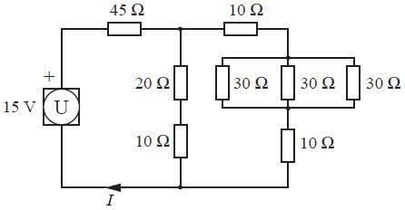
Beräkna strömmen I.

Dels har jag aldrig sett symbolen som jag antagit är "strömkällan" 15V, vad är det för symbol?
Dels är jag osäker på hur jag bör räkna för att få ut den totala resistansen i kretsen? Samt om de som är 30 ohm, alla tre är parallellkopplade, eller om det bara är de yttersta och den i mitten är seriekopplad?
Hittills har jag gjort ett försök, som ser ut som följande:
Rserie=45+10+30+10+20+10=125 ohm
Rparallel=15 ohm
Rtot= 125+15=140
I=U/R= 15/140=0.1A
Ellära är verkligen inte min grej så har inte ens en uppfattning om svaret blir rimligt.
Med vänliga hälsningar
15 V symbolen är 15 Volt likström. Seriekopplafe motstånd adderas ihop medan parallellkopplafe gör att motståndet minskar jmf. med om det bara var ett. Formeln för två parallella är
R1xR2/(R1+R2). Om det är fler än två får man ta det stegvis.
Börja med att räkna ut vilket motstånd de tre parallell kopplade har. Två uträkningar. Den första uträknade resistorn blir en ny tillsammans med den tredje som inte var med i den första.
Börja med att räkna ut vad 3st 30 ohm blir. Dvs använd R1xR2/(R1+,R2) två gånger.

Detta är då min beräkning, stämmer det?
Är nästa steg då att "slå" ihop de som är seriekopplade (20 +10) och (10+Parallel+10) för att få ut att "båda" sidorna som parallellkopplade, som i sin tur blir en serie med det första motstånden och det precis uträknade?
Det stämmer. Men skriv
Rättade till så jag har parenteser.
Menar du att nästa steg är det som jag försökte illustrera i bilden ovan?
Två parallellkopplade motstånd på ger motståndet
Det ska sedan seriekopplas med det sista motståndet .
Slutligen kan du beräkna strömmen mha Ohms lag.
Var svaret I = 0,25