Elektrisk krets


hejsan
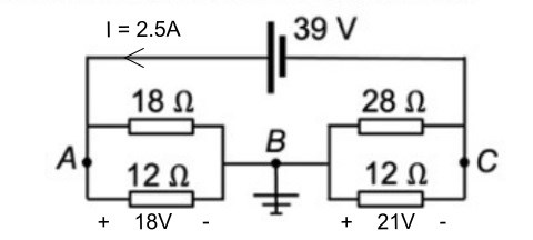
skulle behöva ha hjälp att komma igång med uppgiften. Kan konstatera att potentialen är noll vid punkt B. Pga jordad
ska man börja med att räkna ut ersättningsresistansen för respektive parallellkoppling?
Ja, börja med att ersätta parallellkopplingarna med ersättningsresistanser så du får
A --- [ R1 ] --- B --- [ R2 ] --- C
Därefter räknar du ut spänningen över R1 respektiva R2 med valfri metod.
Därefter gör du potentialvandring.
Sedan ohms lag för ström
I=U/R
39/7,2= 5,41 A
Spänningen 39 V är spänningen mellan A och C dvs över både R1 och R2 tillsammans.
Det ligger inte 39 V över R1 så detta blev fel.
För strömmen från batteriet så behöver du ta totala resistansen mellan A och C (hela kretsens resistans) vilken du får med summan av resistanserna.
Därefter får du korrekt ström
U/(7,2+8,4) => 39/15,6=2,5 A
Eftersom det nu är en seriekoppling så är Strömmen lika överallt.
på så vis kan man beräkna spänningen över varje resistor

korrekt beräkning? hur kan man utveckla sitt resonemang ytterligare?
Inte helt rätt, men VB och VC är OK.
Skillnaden mellan VA och VC skall vara 39 volt.
Hur menar ni?
VA-(-21) = 39
VA = 18 volt
När det finns en jordad punkt i kretsen, ska man alltid utgå ifrån det? Moturs riktning
så att man inte tänker fel på punkter
Ja, man utgår från jordningspunkten; den är referenspunkt. Med- eller moturs spelar inte så stor roll, men i strömrikningen genom en resistans sänks potentialen.
Så potentialen i den delen som är ansluten till noden A är inte 39 V trots att den noden är direkt ansluten till batteriets pluspol?
Nej, potentialen i A blir inte 39V. Det kräver att batteriets minuspol varit ansluten till jord. Men nu är den kopplad till punkten C.
Är beräkningen i bilden gällande VA korrekt resonerad?
Där försökte jag visa att VA erhålls genom att med hjälp av spänningskällan U (som är på 39 V) kan användas för att beräkna fram potentialen i VA .
dvs VA är lika med V2 av 7,2-resistorn, och som erhålls genom att subtrahera med V1 ifrån 8,4-resistorn. Då potentialen i punkt C är 8,4 V.
V2 av 7,2-resistorn behöver lösas ut. Då U= 39 volt
Jag hänger inte riktigt med i den, men slutkläm är helt rätt. (Jag fattar inte riktigt vad V1, V2, och U2 är)
Jag tänker så här:
Vi vet strömmen och dess riktning så då kan vi räkna ut spänningarna över motstånden och polariteterna. Sen har vi jordpunkten mitt i mellan.
Så här kanske:

Biorr skrev:
Är det inte efter man ”omvandlat” kretsen till en seriekoppling? Inlägg3#
Spelar ingen roll.
De parallellkopplade motstånden har samma spänningar. Totalströmmen ut från (och in på minussidan) är ju 2.5A.
Med lite andra ord: Om vi byter ut de parallellkopplade motstånden mot ett 7.2ohm och 8.4ohm så blir spänningarna och strömmen desamma.
PS. klockan börjar bli mycket, behöver vågrätt läge nu.
en fråga:
hur kan potentialen vara negativt i punkt C?
är det korrekt?
Vad betyder det potentialen i C är negativt?
Biorr skrev:Vad betyder det potentialen i C är negativt?
Att den är lägre än noll, lägre än potentialen i det jordade området.



