22 svar
301 visningar
Biorr 1405
Postad: 5 mar 2025 16:46 Redigerad: 5 mar 2025 16:48

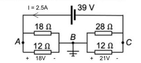
Elektrisk krets

hejsan 

skulle behöva ha hjälp att komma igång med uppgiften. Kan konstatera att potentialen är noll vid punkt B. Pga jordad

ska man börja med att räkna ut ersättningsresistansen för respektive  parallellkoppling?

SeriousCephalopod 2798
Postad: 5 mar 2025 16:49

Ja, börja med att ersätta parallellkopplingarna med ersättningsresistanser så du får

 

A --- [    R1     ] --- B --- [    R2     ] --- C

Därefter räknar du ut spänningen över R1 respektiva R2 med valfri metod.

Därefter gör du potentialvandring.

Biorr 1405
Postad: 5 mar 2025 16:53 Redigerad: 5 mar 2025 16:54

Biorr 1405
Postad: 5 mar 2025 16:57

Sedan ohms lag för ström 

I=U/R 

39/7,2= 5,41 A

SeriousCephalopod 2798
Postad: 5 mar 2025 16:59

Spänningen 39 V är spänningen mellan A och C dvs över både R1 och R2 tillsammans. 

Det ligger inte 39 V över R1 så detta blev fel.

För strömmen från batteriet så behöver du ta totala resistansen mellan A och  C (hela kretsens resistans) vilken du får med summan av resistanserna. 

Därefter får du korrekt ström

Biorr 1405
Postad: 5 mar 2025 17:04

U/(7,2+8,4) => 39/15,6=2,5 A

Biorr 1405
Postad: 5 mar 2025 17:53 Redigerad: 5 mar 2025 19:16

Eftersom det nu är en seriekoppling så är Strömmen lika överallt.

på så vis kan man beräkna spänningen över varje resistor

Biorr 1405
Postad: 5 mar 2025 19:39 Redigerad: 5 mar 2025 19:40

korrekt beräkning? hur kan  man utveckla sitt resonemang ytterligare?

Jan Ragnar 2228
Postad: 5 mar 2025 22:28 Redigerad: 5 mar 2025 23:40

Inte helt rätt, men VB och VC är OK.

Skillnaden mellan VA och VC skall vara 39 volt.

Biorr 1405
Postad: 5 mar 2025 23:29

Hur menar ni?

Jan Ragnar 2228
Postad: 5 mar 2025 23:48

VA-(-21) = 39 

VA = 18 volt

Biorr 1405
Postad: 5 mar 2025 23:54 Redigerad: 5 mar 2025 23:55

När det finns en jordad punkt i kretsen, ska man alltid utgå ifrån det? Moturs riktning

så att man inte tänker fel på punkter

Jan Ragnar 2228
Postad: 6 mar 2025 00:01

Ja, man utgår från jordningspunkten; den är referenspunkt. Med- eller moturs spelar inte så stor roll, men i strömrikningen genom en resistans sänks potentialen.

Biorr 1405
Postad: 6 mar 2025 00:04 Redigerad: 6 mar 2025 00:12

Så potentialen i den delen som är ansluten till noden A  är inte 39 V trots att den noden är direkt ansluten till batteriets pluspol?

ThomasN 2680
Postad: 6 mar 2025 00:42

Nej, potentialen i A blir inte 39V. Det kräver att batteriets minuspol varit ansluten till jord. Men nu är den kopplad till punkten C.

Biorr 1405
Postad: 6 mar 2025 00:48 Redigerad: 6 mar 2025 00:53

Är beräkningen i bilden gällande VA korrekt resonerad?

Där försökte jag visa att VA erhålls genom att med hjälp av spänningskällan U (som är på 39 V) kan användas för att beräkna fram potentialen i VA .

dvs Vär lika med V2 av 7,2-resistorn, och som erhålls genom att subtrahera med V1 ifrån 8,4-resistorn. Då potentialen i punkt C är 8,4 V.

Vav  7,2-resistorn behöver lösas ut. Då U= 39 volt

ThomasN 2680
Postad: 6 mar 2025 00:58

Jag hänger inte riktigt med i den, men slutkläm är helt rätt. (Jag fattar inte riktigt vad V1, V2, och U2 är)

Jag tänker så här:
Vi vet strömmen och dess riktning så då kan vi räkna ut spänningarna över motstånden och polariteterna. Sen har vi jordpunkten mitt i mellan.

Biorr 1405
Postad: 6 mar 2025 01:07 Redigerad: 6 mar 2025 01:09

l


ThomasN 2680
Postad: 6 mar 2025 01:23

Så här kanske:

Biorr 1405
Postad: 6 mar 2025 01:43 Redigerad: 6 mar 2025 01:43
Biorr skrev:

Är det inte efter man ”omvandlat” kretsen till en seriekoppling? Inlägg3#

ThomasN 2680
Postad: 6 mar 2025 01:51 Redigerad: 6 mar 2025 01:52

Spelar ingen roll.
De parallellkopplade motstånden har samma spänningar. Totalströmmen ut från (och in på minussidan) är ju 2.5A.

Med lite andra ord: Om vi byter ut de parallellkopplade motstånden mot ett 7.2ohm och 8.4ohm så blir spänningarna och strömmen desamma.

PS. klockan börjar bli mycket, behöver vågrätt läge nu.

Biorr 1405
Postad: 6 mar 2025 12:38

en fråga:

hur kan potentialen vara negativt i punkt C?

är det korrekt?

Vad betyder det potentialen i C är negativt?

Pieter Kuiper 9458 – Avstängd
Postad: 6 mar 2025 12:55
Biorr skrev:

Vad betyder det potentialen i C är negativt?

Att den är lägre än noll, lägre än potentialen i det jordade området.

Svara
Close