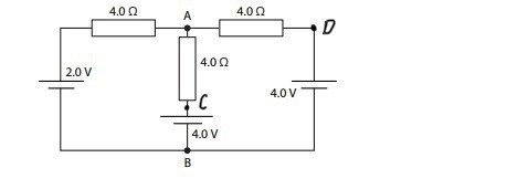
Elektrisk krets med tre celler
Kretsen till vänster:
ΣV = 2V - 4 I1 - 4 I2 - 4V = 0 --> 0 = -2V - 4 I1 - 4 I2 --> 2 V = -4 I1 - 4 I2
Kretsen till höger:
ΣV = 4V - 4 I3 - 4 I2 - 4V = 0 --> 0 = -4I3 - 4I2 --> I3 = -I2
När jag därefter fortsätter mina beräkningar så får jag fel svar. Jag skulle gissa på att detta i inledningen är det felaktiga. Någon som kan se och förklara vad jag gör för fel?
Tack på förhand!
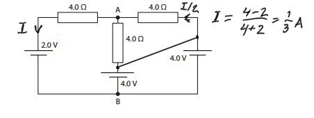
Är I2 på första raden lika med I2 på andra raden, eller har de olika tecken?
Då mittenkretsen och den högra kretsen är identiska så har punkterna C och D samma potential och kan sammanbindas.

Jan Ragnar skrev:Då mittenkretsen och den högra kretsen är identiska så har punkterna C och D samma potential och kan sammanbindas.
Vad innebär det att de sammanbinds? Att de olika cellerna tar ut varandra och att man därför kan anta att bara 2-voltscellen kommer att ha en effekt.
Smaragdalena skrev:Är I2 på första raden lika med I2 på andra raden, eller har de olika tecken?
Jag tänkte mig en ström som löper från 2-voltscellen medurs. Då "anländer" ju strömmen från samma riktning till de båda resistorerna. Eller ska man prioritera den ström som kommer från cellen i mitten och tänka sig att strömmen går i motsatt riktning?
Cellerna tar inte ut varandra. Eftersom C och D har samma potential kan man koppla ihop dem utan att det går någon ström från C till D eller omvänt. Två av 4 Ω motstånden blir då parallella liksom de båda 4 V spänningskällorna.
