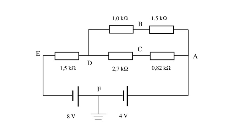
elektrisk potential

1. Hur hög är den uppmätta potentialen i position D?
2. Hur hög är den uppmätta spänningen mellan Position B och position E?
SVAR :
1. Enligt ohms lag är U=R*I i detta fall är I=4/(2700+1500+820)=7.968*10⁻4. Eftersom D är med urs blir E=-R¹*I-R²*I=-820*7.968*10⁻4-2700*7.968*10⁻4=-2.8V. Men detta är fel vet inte vart misstaget skett.
2. U=R*I där R=R¹+R²+R³ och I=U/R=0.1*10⁻3 detta medför att -(1500*2+1000)*(0.1*10⁻3)=-4V. Men detta är också fel. Vad är det jag missar i denna uppgift? Har 8V källan någonting med saken att göra?
Vid F är potentialen 0 V pga jordningen.
Om vi utgår från det och går genom spänningskällorna så ser vi att potentialen är -8 V vid E och +4 V vid A.
Kommer du vidare då?
Yngve skrev:Vid F är potentialen 0 V pga jordningen.
Om vi utgår från det och går genom spänningskällorna så ser vi att potentialen är -8 V vid E och +4 V vid A.
Kommer du vidare då?
Inte riktigt jag förstår att E=4 vid A det då borde E=1.2 vid D. Om jag går baklänges från -8V får jag att spänningen mellan B och E är -4V. Både de svaren är fel.
Du kan beräkna hela kretsens ersättningsresistans Rtit för att sedan beräkna den totala strömmen Itot.
Då kan du enkelt beräkna potentialen i punkt D.
Sedan kan du beräkna potentialen i punkt B genom att ta reda på hur stor del av Itot som flyter genom punkt B.
Yngve skrev:Du kan beräkna hela kretsens ersättningsresistans Rtit för att sedan beräkna den totala strömmen Itot.
Då kan du enkelt beräkna potentialen i punkt D.
Sedan kan du beräkna potentialen i punkt B genom att ta reda på hur stor del av Itot som flyter genom punkt B.
är u=4V eller 12V?
Vilket u menar du?
Markera i bilden och visa dina uträkningar så blir det lättare för oss att hjälpa dig.
Yngve skrev:Vilket u menar du?
Markera i bilden och visa dina uträkningar så blir det lättare för oss att hjälpa dig.
jag vet inte vad det är du vill att jag ska marker och hur jag löste uppgiften finns längre upp men som sagt var det fel svar. Om I=U/R måste jag veta vad U är men i detta fall finns två spänningskällor en med 4V och en med 8V ska de adderas eller ska jag utesluta 8V helt eftersom den kommer efter alla resistorer? Vad är U i detta fall?
Om du menar att U är potentialskillnaden mellan punkt A och punkt E så gäller det att U är lika med 4-(-8) = 12 V.
Visa hur du beräknar kretsens totala ersättningsresistans Rtot och den totala strömmen Itot
Yngve skrev:Om du menar att U är potentialskillnaden mellan punkt A och punkt E så gäller det att U är lika med 4-(-8) = 12 V.
Visa hur du beräknar kretsens totala ersättningsresistans Rtot och den totala strömmen Itot
Jag kan inte räkna på varken strömmen eller resistansen eftersom jag inte vet vad spänningen är i hela kretsen eftersom det finns två spänningskällor, hur tar jag mig tillväga om det finns två batterier? För att beräkna potentialskillnaden måste jag veta vad U är.
Rachel.younes skrev:För att beräkna potentialskillnaden måste jag veta vad U är.
Spänningen över motståndsnätet kommer från två seriekopplade spänningskällor: 8 + 4 = 12 volt (som Yngve redan skrev).
Pieter Kuiper skrev:Rachel.younes skrev:För att beräkna potentialskillnaden måste jag veta vad U är.
Spänningen över motståndsnätet kommer från två seriekopplade spänningskällor: 8 + 4 = 12 volt (som Yngve redan skrev).
Alltså : I=U/R=12/(1500+2700+820)=2.4*10⁻3
detta medför att U vid D är; 12-(2700*2.4*10⁻3)-(820*2.4*10⁻3)=3.55 en detta är fel.
Rachel.younes skrev:
Alltså : I=U/R=12/(1500+2700+820)=2.4*10⁻3
Nej.
Motståndsnätet innehåller också en parallellkoppling.
Bestäm R på rätt sätt.
Pieter Kuiper skrev:Rachel.younes skrev:
Alltså : I=U/R=12/(1500+2700+820)=2.4*10⁻3Nej.
Motståndsnätet innehåller också en parallellkoppling.
Bestäm R på rätt sätt.
okej nu förstår jag, jag fick fram det till -2V och det var rätt svar.
nu till fråga nummer två jag vet att spänningen vid E är -8V och spänningen vid D är -2V så där är spänningsskillnaden 6V men hur gör jag för att veta vad spänningsskillnaden är mellan D och B?
Rachel.younes skrev:
hur gör jag för att veta vad spänningsskillnaden är mellan D och B?
På samma sätt. Räkna ut strömmarna genom båda grenar av parallellkopplingen.
(Det finns genvägen med "spänningsdelning" men det är svårare att förklara.)
Pieter Kuiper skrev:Rachel.younes skrev:
hur gör jag för att veta vad spänningsskillnaden är mellan D och B?På samma sätt. Räkna ut strömmarna genom båda grenar av parallellkopplingen.
(Det finns genvägen med "spänningsdelning" men det är svårare att förklara.)Hur räknar jag ut strömmen? Spänningen varierar eftersom resistansen är annorlunda på varje resistor?
Rachel.younes skrev:Hur räknar jag ut strömmen? Spänningen varierar eftersom resistansen är annorlunda på varje resistor?
Du vet ju spänningen mellan D och A.
Som jag skrev: Räkna ut strömmarna genom båda grenar av parallellkopplingen.
Pieter Kuiper skrev:Rachel.younes skrev:Hur räknar jag ut strömmen? Spänningen varierar eftersom resistansen är annorlunda på varje resistor?
Du vet ju spänningen mellan D och A.
Som jag skrev: Räkna ut strömmarna genom båda grenar av parallellkopplingen.
Jag vet inte hur man räknar ut de eftersom jag inte hur mycket av spänningen går igenom varje gren? För att räkna ut I behöver jag multiplicera U*R och jag vet inte vad U är i detta fall. Om du berättar vad U är och hur du vet det kan jag sedan räkna ut strömmarna.
Om jag antar att det är 6V genom båda får jag, I=1.7*10⁻3 för den under och I=2.4*10⁻3 på den övre. Stämmer det?
Rachel.younes skrev:
Om du berättar vad U är och hur du vet det kan jag sedan räkna ut strömmarna:
Spänningen U är samma för båda grenen, potentialskillnaden mellan A och D.
Eller totalspänningen av båda batterier minus spänningsfallet över 1,5 kΩ motståndet: 4 + 8 - 6 = 6 volt.
Pieter Kuiper skrev:Rachel.younes skrev:
Om du berättar vad U är och hur du vet det kan jag sedan räkna ut strömmarna:Spänningen U är samma för båda grenen, potentialskillnaden mellan A och D.
Eller totalspänningen av båda batterier minus spänningsfallet över 1,5 kΩ motståndet: 4 + 8 - 6 = 6 volt.
Då får jag, I=6/3520=1.7*10⁻3 för den under och I=6/2500=2.4*10⁻3 på den övre. Vad gör jag sen?
Rachel.younes skrev:Då får jag, I=6/3520=1.7*10⁻3 för den under och I=6/2500=2.4*10⁻3 på den övre. Vad gör jag sen?
Du räknar ut spänningen över 1 kΩ-motståndet (det blir då 2,4 volt) och adderar det med spänningen över 1,5kΩ-motståndet som du redan hade räknat ut.
Pieter Kuiper skrev:Rachel.younes skrev:Då får jag, I=6/3520=1.7*10⁻3 för den under och I=6/2500=2.4*10⁻3 på den övre. Vad gör jag sen?
Du räknar ut spänningen över 1 kΩ-motståndet (det blir då 2,4 volt) och adderar det med spänningen över 1,5kΩ-motståndet som du redan hade räknat ut.
Jag fick fram det och då blir spänningen mellan B och E är 8.4V men detta är inte rätt svar.
Rachel.younes skrev:Pieter Kuiper skrev:Rachel.younes skrev:Då får jag, I=6/3520=1.7*10⁻3 för den under och I=6/2500=2.4*10⁻3 på den övre. Vad gör jag sen?
Du räknar ut spänningen över 1 kΩ-motståndet (det blir då 2,4 volt) och adderar det med spänningen över 1,5kΩ-motståndet som du redan hade räknat ut.
Jag fick fram det och då blir spänningen mellan B och E är 8.4V men detta är inte rätt svar.
Det kan bero på avrundning.
Om jag räknar ut motståndet mellan A och D får jag 2,5 kΩ // 3,52 kΩ = 1,462 kΩ.
Totala strömmen blir
Spänningen mellan E och D blir 6,077 volt, spänningen mellan A och D blir 5,923 volt.
Spänningen mellan D och B blir 2,379 volt.
Addera: mellan E och B borde det bli 8,456 volt, alltså 8,5 volt om man räknar noga.