Elektronik - Krets som ger temperaturstyrd utsignal
Hej!
Min uppgift är att designa en krets där utsignalen är en temperaturstyrd spänning. Jag har lite spridda tankar kring hur detta kan gå till, men har lite problem att sammanställa det till något konkret.
Jag tänker såhär:
- En diod kan användas eftersom strömmen genom en framspänd diod ökar då temperaturen ökar, pga att mättnadsströmmen ökar med temperaturen (Shockley's diodekvation).
- Någon form av op-förstärkare ska användas. En liten skillnad i spänning/ström på insignalen ska amplifieras på utsignalen.
- Det är viktigt att effektutvecklingen i dioden inte blir så stor att den värmer upp sig själv, så ett motstånd bör placeras i serie med dioden för att motverka detta.
Frågor:
- Vilken typ av op-amp bör användas? VV, IV...?
- Hur stor resistans bör motsåndet ha?
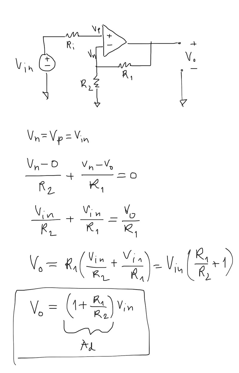
- För en ideal VV-förstärkare blir utsignalen . Hur ska jag placera dioden för att den ska påverka utsignalen?

Ovan är en skiss av en helt vanlig ideal VV op-amp. Utsignalen beror endast på de två motstånden, så jag förstår därför inte hur en diod kan påverka. Jag kanske behöver tänka på en icke-ideal förstärkare?
Något i denna stilen kanske:

Jag tror att framspänningsfallet över dioden sjunker med ca 25mV/K. Jag är osäker på hur olinjär den är över ett större temperaturområde.
Du har inte funderat på (och tillgång till) en termistor? De finns både med positiv och negativ temperaturkoefficient. De är inte linjära de heller men kan ge en större insignal med en liknande koppling.
I båda dess fallen får man trimma in vad noll volt på utgången ska betyda i form av temperatur.
En riktigt enkel lösning vore att använda en temperatursensorkrets. Det finns en uppsjö av sådana:
https://www.ti.com/sensors/temperature-sensors/analog/products.html
Men det kanske är lite fusk :-)
ThomasN skrev:Något i denna stilen kanske:
Tack för hjälpen! Det är en skoluppgift, så jag är tyvärr begränsad till de allra vanligaste komponenterna såsom dioder, resistorer osv, så jag kan tyvärr inte utnyttja en terminstor eller temperatursensor.
Några (dumma) följdfrågor:
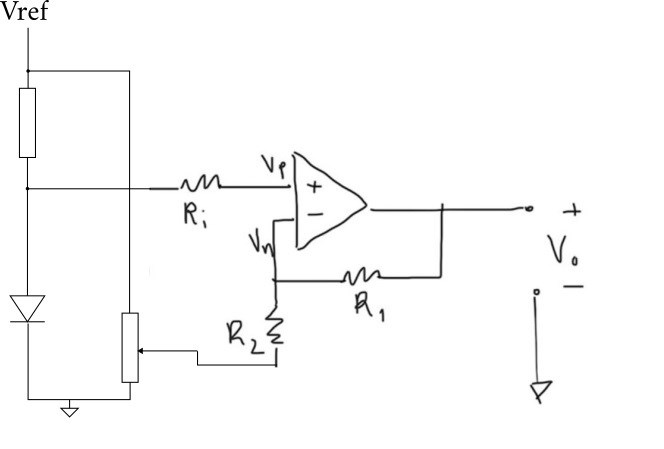
- Är Vref min inspänning som jag lägger på från en spänningskälla?
- Motståndet närmast Vref i din krets ser ut att vara kortsluten. Varför? Ska det inte gå ström genom motståndet?
- Vad betyder den pilen som är riktad från R2 in i ett annat motstånd?
När jag sen förstår kretsen lite bättre kan jag göra nodanalys osv så att jag förstår vad det egentligen är som händer när spänningen ökar/minskar.
Det är absolut inga dumma frågor du har!
1. Vref kan vara samma som matningsspänningen, det beror på vilken noggrannhet man vill ha. Om den spänningen varierar kommer det också att göra att mätvärdet varierar lite grand. En separat referensspänning som är noggrann och stabil kan vara en fördel.
2,3. Det är inte meningen att det ska vara förbindelse mellan den lodräta och den vågräta ledaren, det är jag som slarvat lite när jag ritade. Motståndet med pilen är en potentiometer, pilen är mittkontakten som kan flyttas. När ändarna kopplas till Vref och jord så får man en variabel spänning in på R2. Detta gör att man kan sätta DC-nivån på utgången. Resistansen i potentiometern ska vara mycket lägre än R2.
Har du möjlighet att simulera detta? Det finns utmärkta gratis simuleringsverktyg som LTSpice:
https://www.analog.com/en/design-center/design-tools-and-calculators/ltspice-simulator.html
En liten varning: Har man inte använt sånt här innan så tar det lite tid och möda innan man blir varm i kläderna, men det är väldigt användbart.
ThomasN skrev:Det är inte meningen att det ska vara förbindelse mellan den lodräta och den vågräta ledaren
Bara för att förtydliga, vilken av förbindelserna ska tas bort?

Några ytterligare följdfrågor:
- Varför använder man en potentiometer istället för en vanlig resistans? Varför vill man ha en variabel spänning över R2? Menar du att jag ska skruva den helt åt ena hållet? I så fall, åt vilket håll?
- På vilket sätt kontrollerar potentiometern spänningen över R2? Detta kanske blir mer tydligt för mig när jag vet exakt hur kretsen ser ut. Om man tänker sig att potentiometerns A är kopplad till jord, B till R2, vad är då egentligen C kopplad till? Det beror ju på om Vp = Vref eller inte. Om Vp = Vref får jag fram att , vilket är precis det vanliga uttrycket för en VV-amp.
- Blir det inte lite positiv återkoppling i denna krets? Alltså en del av strömmen som går genom R2 och potentiometern borde väl gå tillbaka in i Vp? Är detta meningen? Hittills har vi bara jobbat med negativt återkopplade kretsar, det är därför jag undrar. Min analys av kretsen är kanske fel om det är positiv återkoppling. T.ex. .
Tack för tipset om simuleringsverktyg. Om jag har tid ska jag testa, men jag har väldigt mycket skolarbete att stå i just nu, så jag får se.
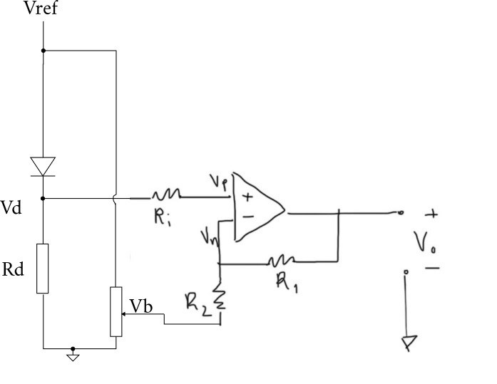
Som sagt, jag ritade nog lite slarvigt. Så här ser det bättre ut:

Jag kom att tänka på att spänningen över dioden minskar ju högre temperatur vi har, så jag bytte plats på diod och motstånd (Rd) för att få en ökande insignal, Vd, vid ökande temperatur.
Potentiometern fungerar som en variabel spänningsdelare. Den sätter en trimbar spänning Vb till ena änden av R2. På det viset kan man trimma in vilken inspänning Vd som ska resultera i en utspänning på noll volt.
Som exempel: Vi vill ha noll volt ut när dioden är 0 grader C. Vi vet att för den strömmen vi har genom dioden så blir spänningen över den 0.6V vid 0 grader. (Genom att mäta upp den eller från datablad).
Då får vi sambandet:
ThomasN skrev:
Nu börjar det likna något! Det känns som att allt börjar klicka nu.
Potentiometern används alltså här mest för att kunna justera vilken temperatur som ger 0V? Så man hade också kunnat skippa den och bara kopplat R2 till jord? Men då hade man gett upp viss kontroll alltså, vilket kanske är dumt?
Hur stor spänning ska man nu lägga på då? Dioden jag använder är denna: https://se.farnell.com/en-SE/diodes-inc/1n4002-t/diode-rectifier-100v-1a-do-41/dp/1858673. Och hur ska man välja resistanserna? Sambandet mellan R1 och R2 ska ju klart väljas beroende på vad man vill ha för förstärkning, men oklart hur man ska lägga nivån. Du nämnde att R2 skulle vara mycket större än potentiometerns resistans, som i mitt fall ligger på 10kohm.
Sen är det ju viktigt att Rd väljs rätt så att det blir lagom effektutveckling i dioden.
Med R2 kopplat till jord så får vi en utsignal som blir:
Ett exempel: Om vi har en matningsspänning på 5V som vi använder även till Vref och Vdiod ca 0.6V så blir Vd = Vref-Vdiod ~ 5-0.6 = 4.4V. Förstärkningen kan i så fall inte vara mer än ca 1 för att inte utgången ska nå sin övre begränsning, som är matningsspänningen. Det blir lite lättare om man kan ha en annan spänningskälla till Vref som då kan vara lägre, kanske ca 1V.
Men ska vi mäta spänningsförändringar i storleksordningen 25mV/C så bör vi nog ha ganska hög förstärkning.
När det gäller vilken spänning som ska sättas på R2 så tror jag att man får testa och trimma. Man skulle kunna kyla dioden i is så den blir 0 grader C och skruva på potentiometern så utgången blir 0V. (Se bara till så dioden inte blir blöt så man får läckströmmar genom vattnet).
Resistansen i potentiometern bör nog vara 1/100 av resistansen i R2. Kan kanske fungera med mindre, beror på vad man har för krav på noggrannhet.
Bra att du tänkt på att man inte kör för mycket ström i dioden så den värms upp.
Ska nog ta och simulera lite och se så jag har gjort något så när rätt :-)
Jag har gjort en simulering på detta och det ser ut som det ska fungera.
Noggrannheten blir nog inte så stor, den beror delvis på hur bra temperaturdata vi kan få på dioden och 1N4002 har inget sånt i databladet. Det finns lite info på 1N4148, ni har ingen sådan i komponentlådan?
Annars får man kalibrera mot kända temperaturer.
Jag var i skolan hela dagen igår och pillade med kretsen, men fick tyvärr inte den att fungera. En doktorand gav sedan antydan om en enklare lösning. Han kommenterade dock att min (din) lösning var elegant och han skulle bli imponerad om jag fick ihop det, men rekommenderade också en simplare krets eftersom det är lättare att felsöka med färre komponenter. Tidsbristen är en stor faktor här. Redovisning imorgon och högskolepoäng står på spel, så jag fick välja den enklare vägen. En annan faktor är min oerfarenhet. Jag går bara första året på elektroteknik så allt är ganska nytt.
Den lättare lösningen innebar en vanlig IV förstärkare med en diod kopplad mellan källan och förstärkarens inverterande ingång. Sedan kopplade jag även in en lysdiod på utgången som börjar lysa när temperaturen höjs. Inte lika elegant lösning och mindre möjlighet till finkalibrering, men det funkade till slut. Jag fick bara sitta och skruva sakta på spänningskällan tills jag nådde gränsen för lysdioden. Sen krävs att man berör den ordentligt med sitt finger eller håller en tändare på ett par cm avstånd. Ingen vidare känslighet direkt, men lysdioden skiner upp hur fint som helst efter ett par sekunders uppvärmning.
Hur som helst vill jag verkligen tacka något enormt för all hjälp! Det kändes hopplöst till en början, så jag behövde verkligen det! Jag kanske ger din krets ett försök en annan gång när jag har mer tid.
Såhär blev slutresultatet.

Toppen!
Och ja, det där var ju enklare än mitt krångliga förslag.
Fösta året på elektronteknik, bra gjort!
Hejsan, undrar bara hur stor Rf ska vara?
Välkommen till Pluggakuten!
Wow, kul att se att två år gamla diskussioner kommit till användning igen.
Jag är ju inte den som gjorde den slutliga lösningen, jag hjälpte bara till på vägen. Hoppas jonnefcb fortfarande är kvar på forumet.
Lite svårt att ge ett snabbt svar, dioden är ju ett olinjärt element. Men man kan ju i alla fall få fram utspänning som funktion av inström:

Uut = -Iin*Rf
Sen antar jag att spänningskällan ska vara ungefär 0.6V så vi får lite ström genom dioden. Går nog att fixa med en spänningsdelare.
saood34566 skrev:Hejsan, undrar bara hur stor Rf ska vara?
Hej, jag är ledsen att säga att jag tyvärr inte minns värdet. Det här var 2 år sen nu. Har försökt hitta det i gamla filer, men tyvärr utan lycka. Har en svag känsla för 1 kOhm, men är inte säker.
Hur som helst, de teoretiska beräkningarna tog mig bara halvvägs till slutresultatet. Minns att jag satt i labbet och kalibrerade noggrannt innan jag fick det att fungera. Du kan säkert räkna ut ett ungefärligt värde, sen kan du testa dig fram lite i labbet. Lycka till!
Tack så mycket för era svar har redovisning av kretsen imorgon och ska få den och fungera innan det säger vad jag får för krets att fungera. Men tack igen för era svar.
Lycka till!