1
svar
102
visningar
Leona11 behöver inte mer hjälp
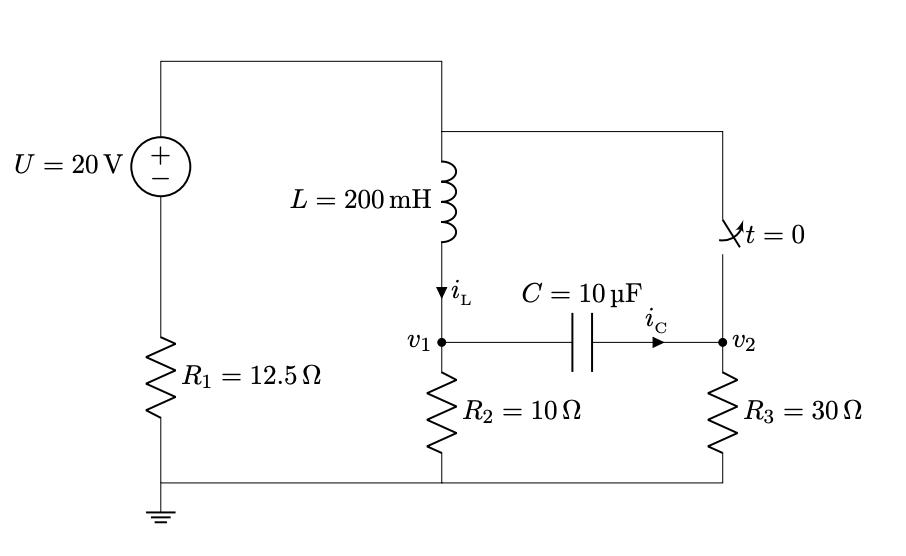
elkrets med induktor och kondensator
Hej,
jag ska beräkna strömmen (genom induktorn) vid tidpunkten ,
alltså vid jämvikt. jag förstår att =0(strömmen
genom kondensatorn), men kommer inte längre än så.
Strömmen genom induktorn innan brytaren aktiveras är densamma som strömmen genom R2. Du har då en likströmskrets, som du lätt beräknar genom att plocka bort kondensatorn och kortsluta induktorn.