Ellära
Vad menas med spänningen mellan strömförsörjningsenhetens och belastningens nollpunkt?
Det låter som spänningsskillnaden mellan strömkällans jord och belastningens jord.
Dvs att jordningen är ickeideal, vilket den kan vara om det är långt avstånd mellan dem.
Men jag kan ha fel. I vilket sammanhang står detta?
I sammanhang när man mäter vid osymmetrisk belastning.
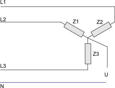
Är det U i figuren:
Om Z1=Z2=Z3 blir U=0. Om belastningarna är olika blir U inte noll.
Jag tror ThomasN har rätt.
Tack för svaret! Så om jag har förstått det rätt så är detta nollpunkt?

Jag utökar min figur lite för att förklara bättre (förhoppningsvis!).

Strömförsörjningsenheten är till vänster med lika stora spänningar med 120 graders fasförskjutning.
Belastningen till höger med olika Z (om det är osymmetrisk belastning).
De har var sin nollpunkt och vid osymmetrisk belastning får man en spänning U mellan de båda nollpunkterna
Tack för svaret, så det är summan av alla nollpunkter eller bara summan av två nollpunkter?
Du har två nollpunkter i figuren, belastningens nollpunkt och strömgeneratorns nollpunkt. Spänningsfallet är differensen mellan de två nollpunkternas potentialer.