Ellära - beräkna potentialen
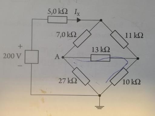
Beräkna potentialen i punkten A i kopplingen under. 
Har redan beräknat strömmen till Ix = 11.6 mA. Vilket stämmer enligt facit. Gjorde då en omvandling "Triangel-stjärn-transformation" eller vad det heter och fick följande krets.
(Lägg till k, eller *1000Ω på varje resistor)

Spänningen vid den första 5kΩ resistorn fick jag till: 5000 * 11.6 *10^-3 = 58 V
Vilket borde göra så att "spänningen över" till 2.48kΩ resistorn och de två andra parallellkopplade resistorerna är = 200 V - 58V = 142 V
Jag verkar ha löst det. Rätt svar enligt facit i alla fall. Kan någon kontrollera om detta är korrekt tänkt?
Spänningen 2.48kΩ restiron: 11.6 mA *2.48kΩ = 28.768 V
Spänningen över parallellkopplingen: 142 - 28.786 = 113.232 V
R total vänstra seriekopplingen: 2.93kΩ + 27kΩ = 29.93k Ω
Ström vänstra seriekopplingen: 113.232/29.93 = 3.78mA
Potential i punkt A? : 27kΩ * 3.78mA = 102.06 V (102 V enligt facit)