Ellära - Enkel krets kortslutning
Hej,


Jag förstår inte på uppgift 1.16c varför svaret blir 3A.
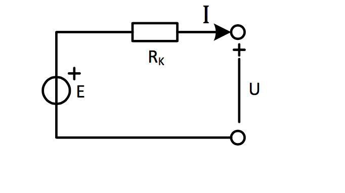
Från b) får vi ju informationen att det går åt 3V mellan polerna. Med strömmen 2A blir detta en resistans över polerna på 1.5ohm. Hur kan man vid beräkning av kortslutningsströmmen i c) bara strunta i denna resistans då de har fått fram i facit att kortslutningsströmmen = 3A? Jag ser ju framför mig att det är en kloss som ligger på samma sätt som Rk, fast över området där spänningen U ligger. Därav räknade jag i c) så att E=Rtot*I blev 9V = (3+1.5ohm) * I som skulle ge att I = 2A.
Var tänker jag fel?
Hur har du gjort i a)?
Man kan inte bara strunta i den interna resistansen när man beräknar kortsslutningsströmmen. Det är precis den man använder.
Formellt definieras ideal intern resistans som kvoten av kortslutningsströmmen och polspänningen tomgångsspänningen
Polsänningen är ju 9V 7,5 V 9V och inre resisansen 1,5Ohm så då är ju kortslutningsströmmen inom räckhåll.
EDIT: Tycker vid första kontroll att det är spänningen som blivit fel men ska läsa inlägget ovan.
EDIT: Nej är nog 9V bara. Läste mellan polerna fel.
Alan123 skrev:
Tack! Så på c) här så ignorerar man ju att det finns någon polspänning, man antar den blir noll vid kortslutning alltså? Så ingen inre resistans?
somsofia skrev:Alan123 skrev:
Tack! Så på c) här så ignorerar man ju att det finns någon polspänning, man antar den blir noll vid kortslutning alltså? Så ingen inre resistans?
Yes, ingen polspänning för att du inte har någon potentiallskillnad. Du drar en kabel mellan de två ändarna, så att du får en kortslutning, då försvinner de båda polerna.
Du kör bara kirchhoffs spänningslag en runda igenom, då får du
Jag var dålig med mina begrepp här. Jag borde ha använt "tomgångsspänning" eller "elektromotorisk spänning" för spänningen mellan polerna när ingen, dvs det som man mäter över ett oinkoplat batteri eller allmänt när lastens resistant är stor. . Ursäktar det.
Men ja, polspänningen, det man mäter mellan polerna, skulle vara noll om man kortslöt systemet (lasten har 0 resistans). Vid kortslutning så har dock intern resistans en roll i förklaringen.
Om spänningsalstraren inte hade någon intern resistans så skulle det ju inte finnas något som begränsade strömmen vid kortslutning och den skulle bli oändlig men iochmed att det finns intern resistans så är strömmen ändlig även om lastens resistans är 0 vilket är konfiguraitonen vid kortslutning.