Ellära - Kondensatorer/polaritet
Hej!
Har tenta imorgon och behöver akut hjälp. Har bifogat bilder på både uppgifterna och facit men har fortfarande svårt att förstå.
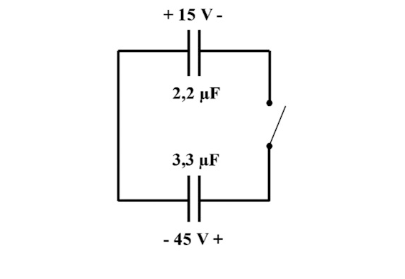
På uppgift 8, är väl kondensatorerna (innan kretsen sluts) seriekopplade? Pågrund av polariten? Men isf bör den totala laddningen vara detsamma som laddningen för var och sen av kondensatorerna?
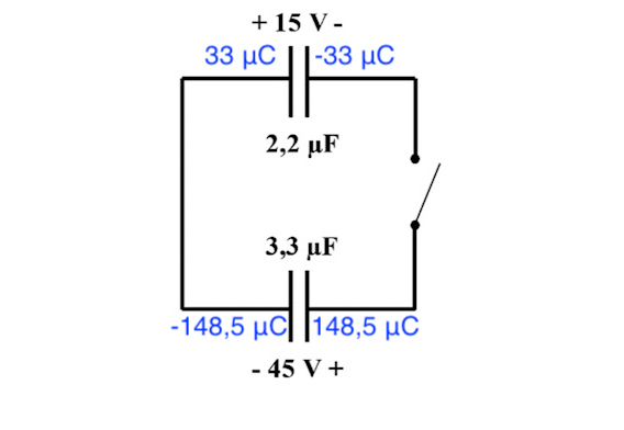
Men i facit står det att kondensator byter polaritet vilket gör att de verkar bli parallellkopplade, och att laddningen omfördelas så att de får samma spänning. Är det någon princip eller regel som jag har missat?
Jag tänkte i början att man kan göra någon ersättningskondensator och räkna utifrån det, men det verkade bli helt fel...
Är det för att laddningen måste "neutraliseras" innan de kan få samma spänning? Men hur vet man det?

Tacksam för svar!!!!
Börja med att skriva in laddingarna Q1 och Q2 in i schemat när brytaren är öppen:
Så här alltså:
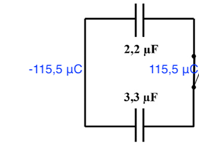
Nu stängs brytaren. Det ändrar inte den totala laddningen på vänstersidan. Inte heller den på högersidan. Så man kan rita in dessa:
Spänningarna över båda kondensatorerna är lika, laddningarna förhåller sig alltså som 2 : 3. Den stora får alltså 3/5 × 115,5 = 69,3 μC.
Jahaaa! Tack så mycket! Förstår nu, life saver!