Ellära, kopplingsschema
Jag fattar inte hur man ska göra om första bilden till den andra bilden. 

Ett sätt är att ta en färgpenna. Börja med rött vid batteriets pluspol. Färglägg alla ledningar som är kopplade till den. Ta sedan en blå och färglägg allt som sitter ihop med minuspolen.
Annars kan du tänka dig ledningarna som gummiband. De kan bli hur långa eller korta som helst.
Så här:

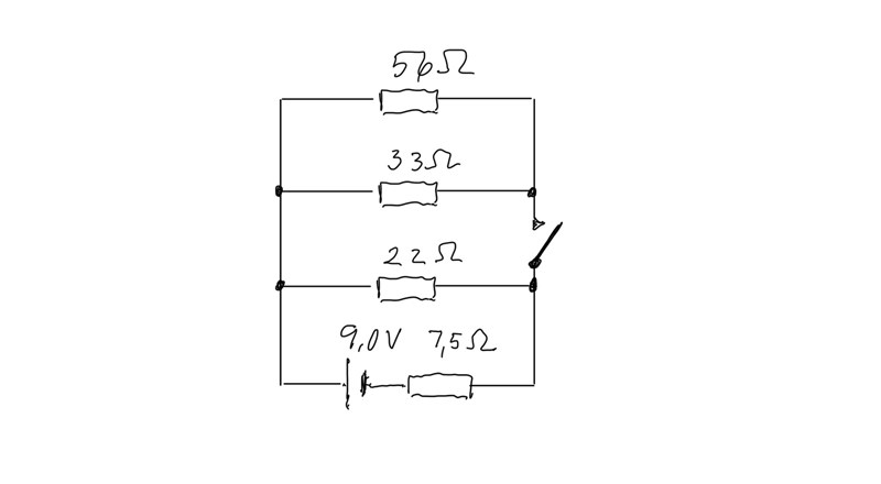
Här ser man att samtliga resistorer är anslutna till batteriets plus- respektive minuspol (när strömbrytaren är sluten). De är alltså parallellkopplade.
Okej tack, men jag fattar inte hur man vet vilken som är kopplad till vilken pol eftersom varje resistor har en blå och en röd sida. Strömmen går ju från pluspol till minus pol har de något med det att göra. Sedan förstår jag inte hur man kan ”dra” ut de till en parallell koppling, eller hur vet man att den är parallell?
Man kan rita kretsen lite förenklat som

Ja men jag fattar inte processen för hur man kan rita det så

De två kretsarna är identiska.
Hur vet man att resistorn med 56 är över den med 33? Eller spelar de någon roll?
GoskJW skrev:Hur vet man att resistorn med 56 är över den med 33? Eller spelar de någon roll?
Det vet man inte och det spelar ingen roll. De är parallellkopplade. Det enda som är viktigt är vad som är anslutet till vad. Hur det är ritat i ett schema har precis ingen betydelse i verkligheten, eller för hur man räknar.
Du ser att båda resistorerna är anslutna till samma punkter (eller "noder"). Ena änden är ansluten till den blå och den andra till den gröna. Det är allt som betyder något.