8 svar
1098 visningar
milad.houshangi 3
Postad: 14 apr 2022 23:29 Redigerad: 15 apr 2022 00:03

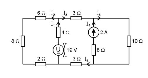
Ellära: mask-analys

Finns de någon som kan räkna fram I1 till I5?

Tack på Förhand !!!

Pieter Kuiper 9458 – Avstängd
Postad: 14 apr 2022 23:40 Redigerad: 14 apr 2022 23:40

I4 kan väl inte vara något problem?

Men du har I6?

milad.houshangi 3
Postad: 15 apr 2022 00:01

Inga av dem tyvärr har jag !

I4 är 2A. 

Pieter Kuiper 9458 – Avstängd
Postad: 15 apr 2022 00:09

Står det att du ska använda nodanalys eller maskanalys? Eller får du använda superposition?

milad.houshangi 3
Postad: 15 apr 2022 00:11

mask-analys!!!

Pieter Kuiper 9458 – Avstängd
Postad: 15 apr 2022 00:19

Då är det bara att sätta igång.

Sedan kan du kolla med superpositionsmetoden om hur det skulle vara :)

Jan Ragnar 2188
Postad: 15 apr 2022 14:53

Eftersom:

I3 = I1 - I2

I4 = 2A

I5 = I1 - I2 + 2

I6 = I1 - I2 (= I3)

så har du bara två obekanta strömmar kvar och behöver bara två ekvationer till.

SaintVenant 3999
Postad: 15 apr 2022 15:55

Vet du hur man gör maskanalys? Inför fiktiva cirkulerande strömmar i varje mask och räkna ut dessa med Kirchoffs spänningslag. 

Om du inte vet, läs exempelvis här:

https://www.kth.se/social/files/551125d5f276546a8a483415/kirchhoff.pdf

Visa sedan ditt försök.


Tillägg: 15 apr 2022 15:57

Jan Ragnar skrev:

Eftersom:

I3 = I1 - I2

I4 = 2A

I5 = I1 - I2 + 2

I6 = I1 - I2 (= I3)

så har du bara två obekanta strömmar kvar och behöver bara två ekvationer till.

Det där är nodanalys.

BTSARMY26 1
Postad: 13 sep 2022 20:49

Hej, har samma uppgift som du och jag skulle lösa metoden med hjälp av mask-analys. Fick då fram dessa ekvationer vilket enligt övningsledarna var rätt men när jag sen räknar på matten så får jag fel siffror enligt facit.

Dessa ekvationer fick jag:

Maska 1:  - 19V + 2Ia + 8Ia + 6Ia + 4(Ia - Ib) = - 19V + 20Ia - 4Ib = 0

Maska 2: 19V - 4(Ib - Ia) - 3Ib - U0 - 6(Ib - Ic) - 3Ib = 0

Maska 3: U0 - 10Ic - 6(Ic - Ib) = 0

Samband: 2A = Ic - Ib

Därefter vet du att:

I1 = Ib - Ia

I2 = -Ia

I3 = Ib

I4 = 2A

I5=Ic

I6=Ib

Prova om det funkar för dig och om du lyckas få rätt på matten skriv det gärna :)

Svara
Close