Ellära, spänning och potential
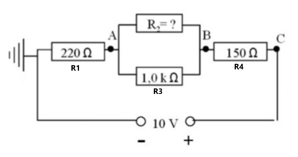
Jag behöver hjälp med hur man ska ta reda på den okända resistansen. På labben kommer vi mäta potentialen i punkterna A, B och C. Har själv försökt lösa uppgiften men kommer inte så långt. Jag såg att någon annan också frågade om den och då sa någon i kommentarerna att om man räknar ut potentialskillnaden mellan B och C så kan man räkna ut strömmen där, men vad gör man sedan?
Hej och välkommen till Pluggakuten!
Det är ju en labb, så du kommer att behöva mäta. Uppgiften går inte att lösa enbart utifrån bilden.
Du kommer att behöva kunna räkna på parallellkopplade resistorer och du behöver kunna ohms lag.
Känns de bekanta?
sictransit skrev:Hej och välkommen till Pluggakuten!
Det är ju en labb, så du kommer att behöva mäta. Uppgiften går inte att lösa enbart utifrån bilden.
Du kommer att behöva kunna räkna på parallellkopplade resistorer och du behöver kunna ohms lag.
Känns de bekanta?
Hej! Vi har det här som en förberedelseuppgift innan labben, så för att få labba måste man få godkänt på förberedelseuppgiften. Jag ska inte komma fram till något värde innan labben men jag måste ha gjort en metod och förklarat hur jag ska göra uträkningarna när jag väl har mätvärdena vid labbtillfället
OK. Verkar rimligt att man skall ha en idé om genomförande innan man står där.
Hur var det med parallellkoppling och ohms lag då?
sictransit skrev:OK. Verkar rimligt att man skall ha en idé om genomförande innan man står där.
Hur var det med parallellkoppling och ohms lag då?
Jag vet att resistorerna i en parallellkoppling har samma spänning och spänningen får man fram med hjälp av U=RI
Fikaochbullar skrev:sictransit skrev:OK. Verkar rimligt att man skall ha en idé om genomförande innan man står där.
Hur var det med parallellkoppling och ohms lag då?
Jag vet att resistorerna i en parallellkoppling har samma spänning och spänningen får man fram med hjälp av U=RI
Stämmer bra!
Eller så mäter man spänningen över parallellkopplingen om det är något annat man vill räkna ut. Har du ett okänt motstånd (som i din bild) så behöver du beräkna R.
För att kunna beräkna R behöver du veta U och I. (Du behöver veta två storheter, för att kunna beräkna den tredje.)
Spänningen U kan du mäta. Strömmen I kan man förstås också mäta, men det tror jag inte ingår i labben. Istället vill man nog att du skall räkna ut strömmen. Har du någon idé om hur det skall gå till?

(Jag klippte in en ny bild med numrerade motstånd, så är det lättare att diskutera.)
sictransit skrev:Fikaochbullar skrev:sictransit skrev:OK. Verkar rimligt att man skall ha en idé om genomförande innan man står där.
Hur var det med parallellkoppling och ohms lag då?
Jag vet att resistorerna i en parallellkoppling har samma spänning och spänningen får man fram med hjälp av U=RI
Stämmer bra!
Eller så mäter man spänningen över parallellkopplingen om det är något annat man vill räkna ut. Har du ett okänt motstånd (som i din bild) så behöver du beräkna R.
För att kunna beräkna R behöver du veta U och I. (Du behöver veta två storheter, för att kunna beräkna den tredje.)
Spänningen U kan du mäta. Strömmen I kan man förstås också mäta, men det tror jag inte ingår i labben. Istället vill man nog att du skall räkna ut strömmen. Har du någon idé om hur det skall gå till?
För att få fram U2 kan man mäta potentialskillnaden mellan A och B. Sedan för att få fram den totala strömmen skulle man kunna räkna ut potentialskillnaden mellan B och C. Men för att beräkna R2 måste man ju räkna med strömmen som går igenom R2 och inte den totala strömmen. Jag är inte riktigt säker på hur man kan räkna ut den.
Tar ett exempel, baklänges jämfört med din labb.
Om jag säger att du har två parallellkopplade resistorer: Rx=1000 ohm och Ry=2000 ohm. Spänningen över dem är 10 V. Kan du då räkna ut den totala strömmen genom dem?
Ja.
Ix=Ux/Rx=10/1000=0,01A
Iy=Uy/Ry=10/2000=0,005A
Tjusigt! Så 0,015 A totalt genom båda. Vi kallar den Itot.
Om jag istället vänder på uppgiften. Nu ger jag dig Itot=0,015 A, alltså det du precis beräknat. Nu får du låtsas att du inte vet vad Ry är.
Där har du din labb!
Itot kan du räkna ut genom att mäta spänningen över R4, precis som du korrekt skrev tidigare.
sictransit skrev:Tjusigt! Så 0,015 A totalt genom båda. Vi kallar den Itot.
Om jag istället vänder på uppgiften. Nu ger jag dig Itot=0,015 A, alltså det du precis beräknat. Nu får du låtsas att du inte vet vad Ry är.
Där har du din labb!
Itot kan du räkna ut genom att mäta spänningen över R4, precis som du korrekt skrev tidigare.
Jag tror jag förstår, tack så mycket! Så jag kan bestämma spänningen över parallellkopplingen genom att bestämma potentialskillnaden mellan A och B?
Fikaochbullar skrev:sictransit skrev:Tjusigt! Så 0,015 A totalt genom båda. Vi kallar den Itot.
Om jag istället vänder på uppgiften. Nu ger jag dig Itot=0,015 A, alltså det du precis beräknat. Nu får du låtsas att du inte vet vad Ry är.
Där har du din labb!
Itot kan du räkna ut genom att mäta spänningen över R4, precis som du korrekt skrev tidigare.
Jag tror jag förstår, tack så mycket! Så jag kan bestämma spänningen över parallellkopplingen genom att bestämma potentialskillnaden mellan A och B?
Jag gissar du får använda en voltmeter. Koppla in den mellan A och B. Läs av spänningen. Den ligger över parallellkopplingen.
Du vet hur du får ut totala strömmen. Den som inte går genom den kända resistorn, måste gå genom den okända. Hur mycket som går genom den kända kan du räkna ut när du mätt spänningen över den.
Mycket bra resonerat!
sictransit skrev:Fikaochbullar skrev:sictransit skrev:Tjusigt! Så 0,015 A totalt genom båda. Vi kallar den Itot.
Om jag istället vänder på uppgiften. Nu ger jag dig Itot=0,015 A, alltså det du precis beräknat. Nu får du låtsas att du inte vet vad Ry är.
Där har du din labb!
Itot kan du räkna ut genom att mäta spänningen över R4, precis som du korrekt skrev tidigare.
Jag tror jag förstår, tack så mycket! Så jag kan bestämma spänningen över parallellkopplingen genom att bestämma potentialskillnaden mellan A och B?
Jag gissar du får använda en voltmeter. Koppla in den mellan A och B. Läs av spänningen. Den ligger över parallellkopplingen.
Du vet hur du får ut totala strömmen. Den som inte går genom den kända resistorn, måste gå genom den okända. Hur mycket som går genom den kända kan du räkna ut när du mätt spänningen över den.
Mycket bra resonerat!
Då fattar jag! Tack för hjälpen, jag uppskattar det!
Fikaochbullar skrev:Då fattar jag! Tack för hjälpen, jag uppskattar det!
Inga problem. Jag ställde ju bara några ledande (hi hi!) frågor. Räknandet stod du för! Lycka till på labben!
