Ersättningsresistans
Hej, jag har en allmän fråga. När man stötter på såna här typer av frågor
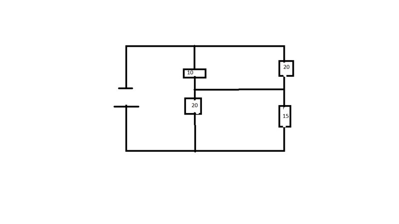
Hur ska man tänka angående ersättningsresistans. Ska man tänka att 15 ohm och 20 ohm är seriekopplad. Och att de är parallelkopplade med 20 och 10 ohm. Dvs
Så att Rer blir cirka 16.15 ohm.
Eller ska man tänka att de mitt emot varandra är parallekopplad. Och sedan addera, eftersom att de blir seriekopplade

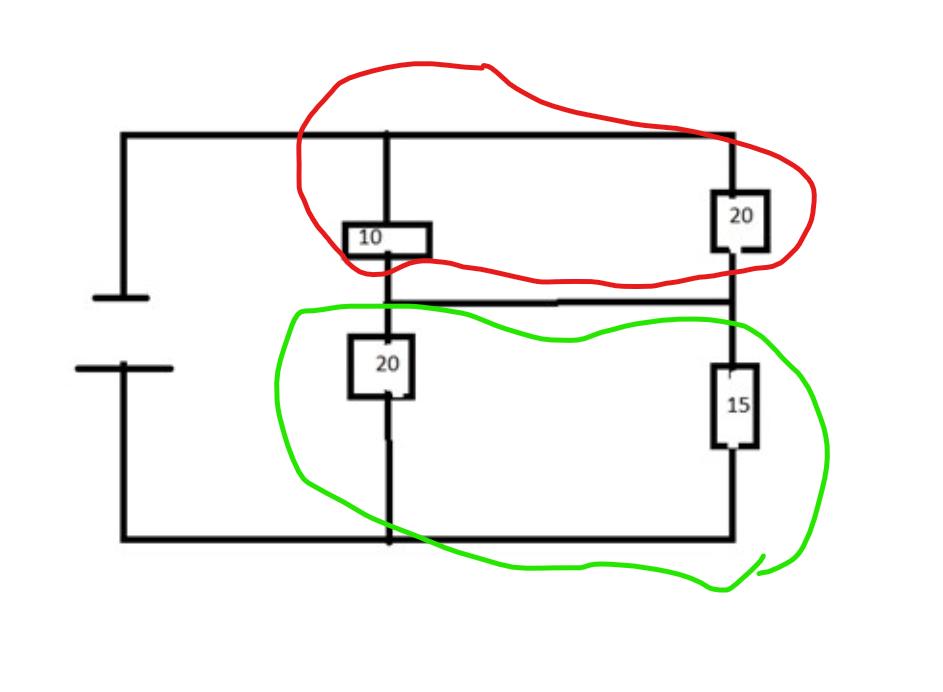
Räkna ut ers resistansen för de parallella först, (inringade i rött resp grönt) därefter kopplas dom i serie
Ture skrev:
Räkna ut ers resistansen för de parallella först, (inringade i rött resp grönt) därefter kopplas dom i serie
Aha ok, men om det var så här istället

Motstånden 2 och 4 är parallellkopplade, ber ersättningsres för dom.
Sen är motst 3 kopplat i serie med ersättningsresistansen enl ovan
motstånd 1 slutligen är parallellkopplad med den ovan
Ture skrev:
Motstånden 2 och 4 är parallellkopplade, ber ersättningsres för dom.
Sen är motst 3 kopplat i serie med ersättningsresistansen enl ovan
motstånd 1 slutligen är parallellkopplad med den ovan
aha, jag trodde att motståndet 40 och 30 var seriekopplade. Som i sin tur är seriekopplad till 20 ohm. Ersättningsresistans för det blir då 70. Den är i sin tur parallekopplad till 10 ohm.
Om du ritar om det så här så ser man lättare:

Detta är exakt samma koppling, bara med 40ohm flyttad lite.
ThomasN skrev:Om du ritar om det så här så ser man lättare:
Detta är exakt samma koppling, bara med 40ohm flyttad lite.
Men då ändrar man väl ju hela kopplingen. Är det inte viktigt att ledningen passerar 10 ohm?
Kopplingarna är likadana. Vilken ledning är det du menar?
Smaragdalena skrev:Kopplingarna är likadana. Vilken lednking är det du menar?
Den ledningen som 40 Ohm ligger på
Man räknar med att själva ledningarna inte har någon resistans alls (det är nästan sant), så om man flyttar en anslutningspunkt till någon annanstans på samma ledning, så ändras inte kretsen.

De röda ledarna är elektriskt samma punkt.
Smaragdalena skrev:Man räknar med att själva ledningarna inte har någon resistans alls (det är nästan sant), så om man flyttar en anslutningspunkt till någon annanstans på samma ledning, så ändras inte kretsen.
That makes sense, men hur vet man när man ska göra såna här flyttningar. Allt annat om strömkrets är förståeligt, men det som strular till det är ledningen i mitten
Tyvärr, jag har inget bättre råd än "Träna mycket på den här sortens uppgifter!".
Smaragdalena skrev:Tyvärr, jag har inget bättre råd än "Träna mycket på den här sortens uppgifter!".
Tack så mycket

