ersättningsresistans
jag har försökt länge men får inte fram det, vad blir ersättningsresistansen av denna krets nedan: 
Flyttade tråden till universitetskategorin /naytte
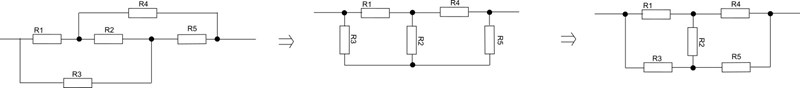
Det verkar som att man kan rita om kretsen som en bryggkoppling.
Det går nog ingen ström genom motståndet i mitten. Då kan man ta bort den, eller kortsluta den.
Pieter Kuiper skrev:Det verkar som att man kan rita om kretsen som en bryggkoppling.
Det går nog ingen ström genom motståndet i mitten. Då kan man ta bort den, eller kortsluta den.
hur skulle detta blivit stegvis? Kan du visa? Sedan, hur blir ersättningsresistansen om vi skulle tagit bort resistansen närmast "Rtot?"
Themuslim7 skrev:hur blir ersättningsresistansen om vi skulle tagit bort resistansen närmast "Rtot?"
Jag skrev: "motståndet i mitten".
Detta blir väl enkelt:
Eller den här:
Rita om det så här så ser du lättare:

Pieter Kuiper skrev:Themuslim7 skrev:hur blir ersättningsresistansen om vi skulle tagit bort resistansen närmast "Rtot?"
Jag skrev: "motståndet i mitten".
Detta blir väl enkelt:Eller den här:
Jag menade precis det som jag skrev, vad skulle hända om vi istället tog bort resistansen som ligger närmast "Rtot?"? Hur skulle vi tagit fram ersättningsresistansen
ThomasN skrev:Rita om det så här så ser du lättare:
Det är sant men jag kommer fortfarande inte vidare, hur kommer man efter din förenkling till en ersättningsresistans?
Themuslim7 skrev:Pieter Kuiper skrev:Themuslim7 skrev:hur blir ersättningsresistansen om vi skulle tagit bort resistansen närmast "Rtot?"
Jag skrev: "motståndet i mitten".
Detta blir väl enkelt:Jag menade precis det som jag skrev, vad skulle hända om vi istället tog bort resistansen som ligger närmast "Rtot?"?
Då får du ett annat svar (rita och räkna ut bara), som alltså skulle vara fel.
Pieter Kuiper skrev:Themuslim7 skrev:Pieter Kuiper skrev:Themuslim7 skrev:hur blir ersättningsresistansen om vi skulle tagit bort resistansen närmast "Rtot?"
Jag skrev: "motståndet i mitten".
Detta blir väl enkelt:Jag menade precis det som jag skrev, vad skulle hända om vi istället tog bort resistansen som ligger närmast "Rtot?"?
Då får du ett annat svar (rita och räkna ut bara), som alltså skulle vara fel.
Jag förstår, jag menade om man från början inte hade den resistansen, alltså en ny "uppgift"
Themuslim7 skrev:Pieter Kuiper skrev:Då får du ett annat svar (rita och räkna ut bara), som alltså skulle vara fel.
Jag förstår, jag menade om man från början inte hade den resistansen, alltså en ny "uppgift"
Det skulle vara en mycket enklare uppgift än den du började med.
Rita och räkna!
Pieter Kuiper skrev:Themuslim7 skrev:Pieter Kuiper skrev:Då får du ett annat svar (rita och räkna ut bara), som alltså skulle vara fel.
Jag förstår, jag menade om man från början inte hade den resistansen, alltså en ny "uppgift"
Det skulle vara en mycket enklare uppgift än den du började med.
Rita och räkna!
Vad är anledningen till att ingen ström skulle flöda genom resistorn i mitten
Themuslim7 skrev:Vad är anledningen till att ingen ström skulle flöda genom resistorn i mitten
Symmetrin. Noderna är ekvivalenta.
Det är ingen spänning mellan båda sidor av resistorn i mitten.
Potentialerna på båda dessa noder är lika och är .
Pieter Kuiper skrev:Themuslim7 skrev:Vad är anledningen till att ingen ström skulle flöda genom resistorn i mitten
Symmetrin.
Det är ingen spänning mellan båda sidor av resistorn i mitten.
Potentialerna på båda dessa noder är lika och är .
Jag förstår, hur skulle man gjort om resistanserna var olika för varje resistor i kretsen?
Themuslim7 skrev:Hur skulle man gjort om resistanserna var olika för varje resistor i kretsen?
Först kollar man om det skulle vara två spänningsdelare som gav ändå samma potential.
Annars blir det att ställa up system med ekvationer. Eller transformationer.
Pieter Kuiper skrev:Themuslim7 skrev:Hur skulle man gjort om resistanserna var olika för varje resistor i kretsen?
Först kollar man om det skulle vara två spänningsdelare som gav ändå samma potential.
Annars blir det att ställa up system med ekvationer. Eller transformationer.
Vi har inte kommit till transformationer ännu i kursen, så om man inte håller på med transformationer, kan man inte skapa en ersättningsresistans i detta fall? (när alla resistorerna skiljer sig från varandra och potentialerna inte är lika)

Vad blir ersättningsresistansen och varför i detta fall? Hur går man till väga?
Themuslim7 skrev:
Hur skulle man gjort om resistanserna var olika för varje resistor i kretsen?
Oroa dig inte, inget sådant kommer på gymnasiet.
Pieter Kuiper skrev:Themuslim7 skrev:
Hur skulle man gjort om resistanserna var olika för varje resistor i kretsen?Oroa dig inte, inget sådant kommer på gymnasiet.
Hahaha, jag vill veta, detta handlar inte om vad som kommer på prov. Jag måste förstå grundorsaken till varför och hur man tar fram en ersättningsresistans (pluggar på universitet)
Som tidigare skrivits, man använder Delta - Y transformationer.
Jan Ragnar skrev:Som tidigare skrivits, man använder Delta - Y transformationer.
ok så utan delta-y transformer kan man inte ta fram en ersättningsresistans av kretsen?
Themuslim7 skrev:Jan Ragnar skrev:Som tidigare skrivits, man använder Delta - Y transformationer.
ok så utan delta-y transformer kan man inte ta fram en ersättningsresistans av kretsen?
Man kan ofta bestämma en intervall genom att ta bort eller kortsluta motstånd. Om intervallet blir smalt ger det ett värde som kan vara tillräckligt bra. Eller man gör bara en uppskattning.
Det andra alternativet var att ställa upp system av ekvationer.
Pieter Kuiper skrev:Themuslim7 skrev:Jan Ragnar skrev:Som tidigare skrivits, man använder Delta - Y transformationer.
ok så utan delta-y transformer kan man inte ta fram en ersättningsresistans av kretsen?
Man kan ofta bestämma en intervall genom att ta bort eller kortsluta motstånd. Om intervallet blir smalt ger det ett värde som kan vara tillräckligt bra. Eller man gör bara en uppskattning.
Det andra alternativet var att ställa upp system av ekvationer.
hur ställer man upp ekvationer för denna krets? Testade förresten med falstad, https://www.dropbox.com/scl/fi/yw62pfaoosdmtxs74u5m7/falstad.mp4?rlkey=awhtmc9pt39tvfysc2pckleb8&st=wkulnb8y&dl=0 men jag vill kunna göra detta "för hand"
Themuslim7 skrev:...Hahaha, jag vill veta, detta handlar inte om vad som kommer på prov. Jag måste förstå grundorsaken till varför och hur man tar fram en ersättningsresistans (pluggar på universitet)
Om du pluggar på universitetet bör du lägga dina frågor på rätt nivå. Fy1 är gymnasiekursen Fysik 1.
Smaragdalena skrev:Themuslim7 skrev:...Hahaha, jag vill veta, detta handlar inte om vad som kommer på prov. Jag måste förstå grundorsaken till varför och hur man tar fram en ersättningsresistans (pluggar på universitet)
Om du pluggar på universitetet bör du lägga dina frågor på rätt nivå. Fy1 är gymnasiekursen Fysik 1.
Hade ingen aning att detta var en svår fråga, antog att eftersom ersättningsresistanser tas upp i fysik 1, så är det bara jag som hade svårt för något enkelt, så var inte fallet. Sedan är det väl frågorna som bestämmer vilken nivå det handlar om. Skulle jag frågat hur man använder pq-formeln, innebär detta inte att det är universitetsmatte väl?
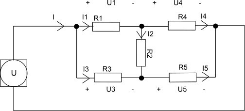
Något sånt här:

Med ett lämpligt ekvationssystem kan du räkna ut I.
ThomasN skrev:Något sånt här:
Med ett lämpligt ekvationssystem kan du räkna ut I.
tack! Ska testa