Fel mätvärden i elektronikkretssimulatorn QUCS för ström och spänning
Hej allihopa,
Jag håller på med en likströmssimulering i QUCS och har stött på några oväntade resultat som jag inte riktigt kan förstå. Strömmen I1.I visas som -5e+12 A, vilket verkar orimligt för en enkel kretssimulering med resistorer och en 5V källa. Baserat på Ohms lag förväntade jag mig att strömmen för I1.I skulle vara , så med en 5V källa och en 1kΩ resistor borde den vara runt -5e-3 A, inte i biljoners storlek.
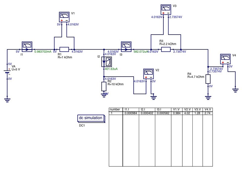
Som referens kan ni hitta de tabulerade mätvärdena från simuleringen i andra bilden nedanför:


Jag har redan testat att byta resistorvärdena till kOhm istället för att skriva ut tusentalen, men problemet kvarstår. Har någon annan upplevt detta eller kan peka ut vad som kan vara fel?
Någon kom med förslaget att använda denna krets och då fick jag mer realistiska mätvärden, frågan är dock varför mätvärdena är mer realistiska här?

Använder jag min multimeter på min bräda, kopplat till en 5V spänningskälla (Arduino) och resistorer, får jag:
- 1.27V på V3.V
- 2.71V på V4.V
- 0.96V på V1.V
- 3.91V på V2.V
I din första krets ser det ut som R1 och R2 är kortslutna. Då blir strömmen I2 teoretiskt sett oändlig.
Matsmats skrev:I din första krets ser det ut som R1 och R2 är kortslutna. Då blir strömmen I2 teoretiskt sett oändlig.
Tack, det löste problemet, jag undrar dock hur du lyckades upptäcka förekomsten av en kortslutning? Jag kollade på google och kom över definitionen här:
An element (e.g., resistor, voltage source, etc.) is shorted if both of its ends are connected to the same one node. Short circuits are represented as a wire. A wire is considered to have a negligible amount of voltage, or zero volts, meaning the voltage is zero for a short circuit.
Sker kortslutningen på grund av att vi skapar en krets för spänningssonden V2 genom den kabel som går tvärs över resistorn R2 (och för V1, R1)? Och vad skulle noden här motsvara, då det är definierat som "any region on a circuit between two circuit elements".
Om man tittar noga (som Matsmats gjorde) ser man en skillnad med R4 som inte har ett streck genom mitten.
För mig ser det ut som att OP lade R1, R2 och R3 ovanpå befintliga ledningar vid konstruktionen av simuleringen. Då påverkar de ingenting alls.
Det finns simuleringar som är tydligare (mer konkreta), t ex denna: