Förenkla elkrets
Hej,
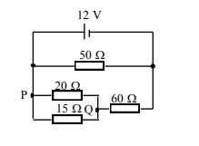
Jag undrar om hur man ska tänka när man ska förenkla en elkrets. Se exempel.

Facit säger att man kan måla det på detta viset:

Samtidigt kan även denna kretsen:

förenklas till följande sätt:

Jag har verkligen svårt att förstå tankegången bakom förenklingarna. Skulle vara väldigt tacksam för hjälp!
Ta en krets i taget.
Om du tittar på den första ser du att alla tre motstånd är kopplade mellan pluss-polen och minus-polen av batteriet.
Eller jorda en sida av batteriet. Skriv sedan potentialen på alla noder i kretsen.
Pieter Kuiper skrev:Ta en krets i taget.
Om du tittar på den första ser du att alla tre motstånd är kopplade mellan pluss-polen och minus-polen av batteriet.
Eller jorda en sida av batteriet. Skriv sedan potentialen på alla noder i kretsen.
Jo det ser man, men jag undrar om hur man ska veta att motstånden ska vara pararellkopplade med varandra just på det vis som i facit.
oscardrottinger skrev:Jo det ser man, men jag undrar om hur man ska veta att motstånden ska vara pararellkopplade med varandra just på det vis som i facit.
Det är bara att flytta sladdar. Det är inte svårt att göra några ritningar, ta bara penna och papper.
Pieter Kuiper skrev:oscardrottinger skrev:Jo det ser man, men jag undrar om hur man ska veta att motstånden ska vara pararellkopplade med varandra just på det vis som i facit.Det är bara att flytta sladdar. Det är inte svårt att göra några ritningar, ta bara penna och papper.
Borde man inte då kunna exempelvis seriekoppla resistorerna istället? Men då blir troligtvis beräkningarna fel eller?
oscardrottinger skrev:Pieter Kuiper skrev:Det är bara att flytta sladdar. Det är inte svårt att göra några ritningar, ta bara penna och papper.
Borde man inte då kunna exempelvis seriekoppla resistorerna istället? Men då blir troligtvis beräkningarna fel eller?
Nej, försök bara.
Det hjälper inte att fråga. Det hjälper inte heller om jag skulle göra en massa ritningar åt dig.
Gör ritningar. Själv. Då ser du.
Pieter Kuiper skrev:oscardrottinger skrev:Pieter Kuiper skrev:Det är bara att flytta sladdar. Det är inte svårt att göra några ritningar, ta bara penna och papper.
Borde man inte då kunna exempelvis seriekoppla resistorerna istället? Men då blir troligtvis beräkningarna fel eller?
Nej, försök bara.
Det hjälper inte att fråga. Det hjälper inte heller om jag skulle göra en massa ritningar åt dig.Gör ritningar. Själv. Då ser du.
Har potentialen i de olika noder/punkter där kretsen avgrenar sig något att göra med i hur man kan omkonstruera kretsen?

Eller så kan man bara rita om. Lägga sladdarna lite annorlunda. Vända på motståndet i mitten, där sladdarna ska följa med.
Pieter Kuiper skrev:
Eller så kan man bara rita om. Lägga sladdarna lite annorlunda. Vända på motståndet i mitten, där sladdarna ska följa med.
Jag förstår inte riktigt. Är punkten C och A samma nivå eftersom de har samma potential, likaså med punkt D & B? Hur ska man veta att just den kretsen ska förenklas till en pararellkoppling?
oscardrottinger skrev:Hur ska man veta att just den kretsen ska förenklas till en pararellkoppling?
Det behövs inte förenklas någonting.
Det är en parallellkoppling.
Som framgår rätt tydligt från min färgläggning av kretsen, anser jag.
Det enda som behövs är att lägga sladdarna lite annorlunda. Som du själv lätt kan göra med papper och penna. Varför gör du inte det?
oscardrottinger skrev:Jag förstår inte riktigt. Är punkten C och A samma nivå eftersom de har samma potential, likaså med punkt D & B?
Den här frågan förstår jag inte alls. 
Jag ser inte vilken funktion bokstavarna har i facit, men det är A och B som har samma potential.
Mellan A och C är det en spänning på 9 volt.