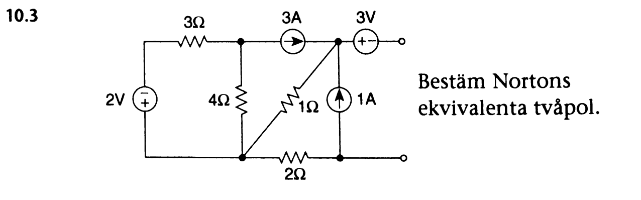
Förenkling av elnät

Förstår inte vad som händer här. Spänningskällan är 2V, övre resistansen är 3 och den till höger 4. Anar att det är något uppenbart.
De två kretsarna ovan är ekvivalenta avseende på vad som händer i kretsen i black boxen.
Det är jag med på. Men hur sker förenklingen?
I ditt exempel med 3 A strömkällan går det lika stor ström in i black box nätet som kommer ut ur det. För att beräkna strömmar och spänningar i black box nätet kan man därför kortsluta kretsarna i serie med strömkällan.

Den vänstra bilden visar att vi genererar 3A oberoende av vad vi kopplar in. Strömmar och spänningar inne i den kopplingen blir vad de blir - men ut kommer 3A i alla fall.
En koppling som alltid genererar 3A beskrivs enklast av den högra bilden.
Okej, då förstår jag det. Tack.
Detta är uppgiften:

och jag har följande övriga frågor:
- Efter den förenklingen kan vi beräkna i kretsen genom att nollställa alla beroende källor, är detta en korrekt metod eller råkar det bli rätt ()? För jag tänker att förenklingen blir korrekt om man endast tittar på strömmar i den svarta boxen, och inte på motstånd eller spänningar?
- Hur kan man annars lösa uppgiften (utan förenklingen ovan)? Mina försök blir inte bra.

Om du kortsluter spänningskällor och tar bort strömkällor så ”ser” du 3 Ω sett från a - b.
Om du sedan kortsluter a - b, genom att mäta med en amperemeter, vilken ström mäter du då?
Alternativt till att mäta kortslutningsström, kan man mäta tomgångsspänningen vid a - b. Med kortslutningsström eller tomgångsspänning plus utgångsresistansen beräknar du Nortonekvivalenten.
1, Är jag med på.
2, Jag antar att det är 1 A eftersom det inte finns någon resistans i strömkällan.
Ja, Nortonkretsen bör bli 1 A strömkälla plus 3 Ω resistans.
Ideala spänningskällor har ingen resistans, ideala strömkällor oändlig (levererar viss ström vid vilken spänning som helst).