Hej det är ellära
Hej jag har suttit och funderat på den här frågan försökte att lösa den men misslyckades.
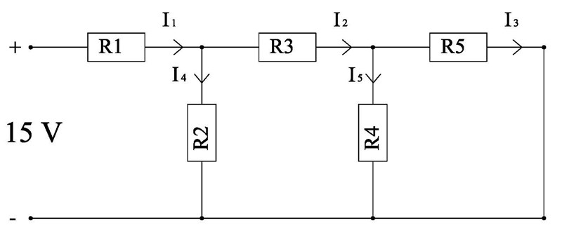
I ovanstånde krets är resistanserna R1 = 447 Ω, R2 = 560 Ω, R3 = 390 Ω, R4 = 250 Ω och R5 = 820 Ω. Beräkna strömmen I3 om kretsen kopplas till en spänningskälla på 15 V ? Svara i mA med 1 decimals noggrannhet..jpg?width=800&upscale=false)
Börja med att hitta ett uttryck för ersättningsresistensen för R4 och R5. Är de kopplade i serie eller parallellt?
Varför heter strömmen som går vid egentligen ? Borde vara där...
Hursomhelst, vilket svar ger facit?
Vet ej har inte facit.
Antingen använder du kirschoffs lagar eller också nätförenklar du i några steg och räknar ut en ström i taget.
Hur gör jag det Ture jag kommer inte ihåg med att nätförenklar? Kan du visa till mig för att jag har försökt många gånger och det blev fel?
Visa hur du har gjort, så kan vi hjälpa dig att hitta var det har blivit fel.
Börja med att hitta ett uttryck för ersättningsresistensen för R4 och R5. Är de kopplade i serie eller parallellt?
R4 och R5 är parallel kopplat.
För att hitta en ersättningsresistans Re till två parallellkopplade resistanser R1 och R2 gäller
1/Re = 1/R1 + 1/R2
Är R1 och R2 seriekopplade blir Re = R1+R2
Hur menar du att R1 och R2 är seriekopplade.
För parallelkopplade:
1/Re = 1/447 + 1/560 ger 1*560/560*447 + 1*447/560* 447 ger 560/250320 + 447/250320 = 1007/250320 vända om och blir 250320/1007 ungefär 248,5 ohm.
För seriekopplade Re = R1 + R2 ger 560 + 447 = 1007 ohm
Vilken av dem metoden behöver jag använda ?
Du måste börja i rätt ände för att inte få det jättekrångligt. Vilken är ersättningsresistensen till R4 och )5, som är parallellkopplade? När du räknat ut detta värde kan du beräkna ersättningsresistansen för denna i serie med R3.
Jag tror Ture ville visa formlerna för parallell och seriekoppling generellt, inte för just dina R1 och R2.
Som du säger så är R4 och R5 parallellkopplade. Börja där och gå åt vänster. Till slut har du bara ett resulterande motstånd och då kan du räkna ut I1.
Sen får man räkna strömdelning mellan R2 och R3,4,5 så får du I2 osv, osv.
Ah jag ser så det är parallelkoppplat.
1/Re = 1/R4 + 1/R5 ger 1/250 + 1/820 ger 1*820/250*820 + 1*250/250 * 820 = 820/205000 + 250/205000 ger 1070/205000 invända om ger 205000/1070 ungefär 1/Re = 191,5 ohms.
Ja nu är det bara att tugga på :-)
Som Ebola skrev, det verkar ha blivit lite oordning i numreringen av motstånd och/eller strömmar. Kanske bra att kolla hur det står i uppgiften så du räknar ut rätt ström.
Vet inte det stod i uppgiften. Att beräkna strömmen. I3.
För att räkna ström så är ohms lag U=R*I
I= U/R ger 15 V/191,5 ohm ger 0,0783 sen det ska vara mA ungefär 78,3. Är det rätt?
Ersättningsresistansen för R4//R5 är rätt, däremot är inte spänningen 15 V över Re, därför blir svaret fel.
Eftersom det går ström genom alla motstånd har vi spänningsfall över vart och ett av dom för att räkna ut I3 måste vi veta spänningen över R5 eller strömmarna I2 och I5
Så för att komma fram till rätt svar med den här metoden måste du ta det i steg, börja med att räkna ut ersättningsresistansen för R2,3,4 och 5. Då kan du beräkna I1,
Sen kan du beräkna ersättningsres för R3,4 och 5 och då beräkna I4 ..osv
Det blir alltså några steg men i slutändan kommer man förhoppningsvis fram till rätt svar.
Eftersom den här uppgiften ligger på universitetsnivå tror jag att det är tänkt att vara en övning på Kirschoffs spänningslag och dito strömlag, har du läst om dom?
Kan du visa till mig för att jag kommer inte fram.
Du har räknat ut erstättningsresistansen för R4 och R5 parallellt, eller hur? Vilken blir ersättningsresistansen för dessa båda i serie med R3?
För ersätningresistans för R4 och R5 blir 191,5 ohms.
Då blir det också parallellt för R3 och blir 1/Re = 1/390 + 1/191,5 ger 191,5*1/390*191,5 + 1*390/390*191,5 = 191,5/74685+ 390/74685 = 581,5/74685 ger 74685/581,5 = 128,4 ohms för ersättningresistans.
Är det rätt?
Ersättningsresistansen för (R4 och R5) verkar rimlig, mindre än det minsta av motstånden. Nej, R3 är i serie med de (R4 och R5).
R4 och R5 blir ersättningresistand blir 191,5 ohm. Då det blir R3 = Re= R1 + R2 ger 191,5+ R3 = 390 ger 581,5. Är det rätt?
Ja, förutom att du missbrukar likhetstecknet.
Nästa steg är att räkna ut ersättningsresistansen för (R3 och R4 och R5) och R2. Är de seriekopplade eller parallellkopplade?
Det har jag redan gjort. Vad ska jag göra mer? Igen jag har redan räknat ut ersättningresistans.
Är de parallellkopplade elle rseriekopplade?
Parallel igen
Stämmer. Och (R2 och R3 och R4 och R5) och R1, är de parallellt eller i serie?
Det är serie. Jag har fått ersättningensresistans för (R2, R3, R4,R5) blir 285,27 ungefär 285,3 totalt.
Om du har räknat ut ersättningsresistensen för alla fem motstånden, så kan du räkna ut strömmen I1.
U=R*I ger I =U/R
Rtot= R1+ R2 ger 447 + 285,3= 732,3
15 V/732,3 = 0,0204 Amps
Hur konverterar man Amps till mA.
mask134 skrev:U=R*I ger I =U/R
Rtot= R1+ R2 ger 447 + 285,3= 732,3
15 V/732,3 = 0,0204 Amps
Hur konverterar man Amps till mA.
på samma sätt som du konverterar meter till millmeter, multiplicera med 1000.
Den ström du räknat ut är I1
Jag får det nu 20,4 mA.
För att ta reda på I3 så behöver jag dela med 3 som ger 20,4/3 ger 6,8 mA tror jag.
Hur motiverar du att du skulle få I3 om du dividerar I1 med 3?
Nej, du behöver utnyttja att spänningen över R2 är lika med spänningen över (R3 och R4 och R5), då kan du räkna fram I4 och sedan I2, och sedan beräkna spänningen över R3, och sedan...
Vet inte kan du visa mig.
Ta det steg för steg. Du har gjort första steget ,och du har fått veta vad som är nästa steg.
Du postar på universitetsnivå. Du förväntas kunna vara förhållandevis självständig.
Vad ska jag göra för nästa steg om jag har nu 20,4 ohm.
Läs igenom den här tråden, det står här.
20,4 ohm har jag räknat för I1 men hur räknar jag ut I3?
Kanske jag ska ta det igen för I4 med R3, R4 och R5 som kanske blir Rtot = 390+250+820 =1460 ohm sen tar jag med I=U/R ger mig 15 V/1460 ohm = 0,01027*1000 =10,27 ungefär 10,3 mA för I4.
Sen vad ska jag göra ska jag använda minus I4-I1 = 10,3 mA - 20,4 = -10,1 mA för I 3 tror jag.
Du får gå steg för steg igen och räkna strömdelning för varje knutpunkt. Första steget:

Du vet I1 (20.4mA), R1, R2 och resulterande resistansen för R3, R4 och R5. Då kan du räkna ut I2.
Sen nästa steg:

Nu vet du I2 och även R3, R4 och R5. Då kan du räkna ut I3.
Nej jag förstår inte med ritningen. Har jag inte gjort rätt. Vad ska jag göra sen?
Det är rätt fram till att I1 = 20.4mA
Om vi tar första steget: Strömmen I1 = 20.4mA och R1 = 447ohm. Spänningsfallet över R1 blir då I1xR1 = U
Då blir ju I2 = (15-U) / R3,4,5 . Och R3,4,5 har vi innan räknat ut till 581.5ohm.
Sen samma jobb i nästa steg: Du har I2, kan räkna ut spänningen i förgreningspunkten och därmed också I3
Fel post.
Menar du att spänningsfallet blir 20,4*447 = 9118,8 U.
Och för I2 blir (15-9118,8)/581,5 = -15,65. Är det rätt? Men varför får jag negativt på kanske det ska vara I2= (U-15)/R3,4,5 ger I2 = (9118,8-15)/581,5 = 15,6 Ungefär 16 amps.
Det är inte 20.4 Ampere utan milliAmpere. Alltså ditt prefix ger att du har 20.4*10^(-3) = 0.0204.
För I2 får jag det (15-9,118)/581,5 = 0,01011 mA
Hur kan jag göra för att ta reda på I3?
mask134 skrev:För I2 får jag det (15-9,118)/581,5 = 0,01011 mA
Ditt svar är inte i mA. Du har Volt delat på Ohm, det ger enheten Ampere.
Hur kan jag göra för att ta reda på I3?
Strömmen I2 delas över R4 och R5. Känner du till strömdelning? Du kan räkna ut I3 som:
Du har att R4 och R5 är parallella och därför sker samma spänningsfall över dem. Detta ges av Kirchoffs spänningslag egentligen:
Sedan vet du enligt Kirchoffs strömlag att:
Om du eliminerar I5 från dessa två ekvationer får du den första. Annars kan du göra som när du räknade ut I2.
Hej vad menar de att jag ska svara 1 decimal nogrannhet?
En googling på "fysik noggrannhet" ger de första tre svaren som:
SI-enheter, prefix och Noggrannhet
Sedan har du massvis med videor på Youtube att kolla på. Precis som Smaragdalena säger bör lite mer självständighet än så här förväntas om du läser på universitet. I det minsta borde du åtminstone först googla på frågan innan du frågar på ett forum.
Osäkerhet och dåligt självförtroende är okej i början men det ska inte tangera lathet eller att det är skönt att låta andra göra jobbet åt en. Att få svaren serverade är inte ett bra sätt att lära sig på.
10.11 mA * 250 ohm/250 ohm + 820 ohm ger 2,362 mA. Men hur kan jag räkna till 1 decimal noggrannhet?
Men hur kan jag räkna till 1 decimal noggrannhet?
Du avrundar till en decimal. Just nu har du 3 decimaler.
Ah ok kanske 2,362 blir 2,4 kanske det är rätta svaret att man ska skriva så.
Tack för hjälpen alla. :)