hjälp med formel för att beräkna i en krets!

I denna krets ska jag ha olika formler för att beräkna olika mätningar.
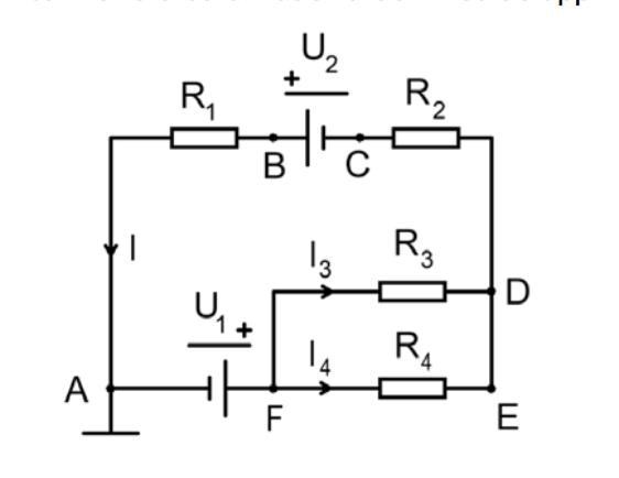
började med ersättningsresistansen som döps till R34 för R3 och R4. min formel:
sedan fortsätter uppgiften:
"Rita ett nytt kopplingsschema med de båda spänningskällorna U1 och U2 samt de tre
motstånden R1, R2 och R34 och bestäm en formel för huvudströmmen I=I3 + I4 genom en
potentialvandring ett helt varv."
Och det är här jag inte vet vad som ska ritas ut mellan punk F och punk D. båda resistorerna och ett nytt U (som får heta U34) eller ska jag rita ut en ny gemensam resistor istället för R3 och R4 som heter R34?
I =
är jag på rätt spår eller helt vilsen? =S
Först: Där du skrivit R_34 ska det stå 1/R_34, vet inte om det var ett misstag eller feltänk.
Enligt den kursiverade texten ska du rita ut den gemensamma resistorn R_34 istället för R_3 och R_4.
Oh oavsett vilket så påverkas inte spänningen över resistorerna av om du byter ut dem mot en ersättningsresistans, och den är samma över R_3 och R_4. Det är själva poängen med att använda ersättningsresistanser, att allt runtomkring lämnas oförändrat.
Därefter ska du alltså skriva en ekvation som beskriver en potentialvandring för ett helt varv i kretsen. och som alltså innehåller I, R_1, R_2, R_34, U_1 och U_2
haraldfreij skrev :Först: Där du skrivit R_34 ska det stå 1/R_34, vet inte om det var ett misstag eller feltänk.
Enligt den kursiverade texten ska du rita ut den gemensamma resistorn R_34 istället för R_3 och R_4.
Oh oavsett vilket så påverkas inte spänningen över resistorerna av om du byter ut dem mot en ersättningsresistans, och den är samma över R_3 och R_4. Det är själva poängen med att använda ersättningsresistanser, att allt runtomkring lämnas oförändrat.
jag hade feltänkt! tack :D är sambandet:
=
Du kan tillämpa den potentialvandring jag visat dig i denna tråd:
https://www.pluggakuten.se/trad/hjalp-med-potentialvandring/
Var noga med var du sätter dina likhetstecken!
Ditt andra likhetstecken är alltså inte sant, men det första och sista är det. Däremellan har du inverterat uttrycket.