Hjälp med transistorströmmar
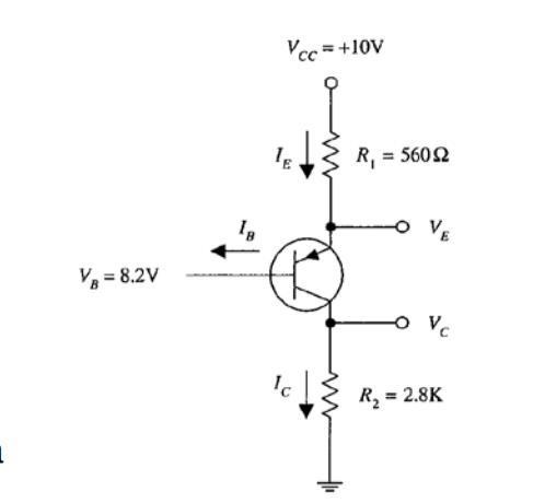
Hej! Jag har en uppgift i Ellära att göra men vet inte riktigt hur jag skall börja. Den har att göra med transistorer och lyder: Betrakta transistorn. Givet Vcc=+10V, Vb=8,2V, R1=560ohm, R2=2,8k och hfe(Beta)=100. Beräkna Ve, Ie och Ib, Ic och Vc.

Mitt problem är att jag vet inte hur kretsen är kopplad i praktiken. T.ex. så ska jag också verifiera svaren i TINA (kretsanalysprogram) men jag e inte säker på var vad skall kopplas till vad för att strömmen ska gå runt... Har allti haft svårt att förstå sånahär "halv-kretsar" var de antar man förstår va de betyder...
Jag har kommit fram till att Ic=Ie-Ib, Ic=hfe*Ib och Ie=Ib(1+hfe).Hur ska jag börja? Funkar kirchoffs lagar? Hur vet jag voltage droppen över transistorn? Tack!
Man brukar anta att framspänningsfallet är runt 0.6V samt att
Sedan tror jag du fortsätta...
Affe Jkpg skrev :Man brukar anta att framspänningsfallet är runt 0.6V samt att
Sedan tror jag du fortsätta...
Tack har nog provat räkna med Veb 0.7 typ men mitt största problem är nog att jag inte vet hur den verkliga kretsen med alla wires ser ut. Ja menar som den ser ut nu så far ju ingen ström för de måste ju gå runt. Kan du förklara hur den borde kopplas om jag kopplar upp den i en kretssimulator??
Ja vill förstå hur kretsen ser ut så jag kan använda kirchoffs lagar på ett korrekt vis.
Tack
Du kan lägga ett motstånd från basen på transistorn till jord.
Storleken på resistorn matchar du mot att är kända
Affe Jkpg skrev :Du kan lägga ett motstånd från basen på transistorn till jord.
Storleken på resistorn matchar du mot att är kända
Jag ser att Vb är känd men förstår inte hur jag ska få Ib... Om man tänker som du säger att Ie är ungefär Ic så skulle det ju enligt Ic=Ie-Ib att Ib=0? Och om det är så har ju ett motstånd ingen verkan?
Affe Jkpg skrev :
hmm. tack! Detta är då med antagandet att Ie=Ic eller hur? Och du tänker då att om man går ner från Vcc med potential 10V till jorden (med tanken att man har kopplat ihop basen med jorden) ska få 0? Eller hur? Eller e de en loop som jag inte ännu förstår du gör?
eftersom hfe är så stor.
Du kan lägga ett motstånd från basen på transistorn till jord...om du behöver något till en "kretssimulator".
Affe Jkpg skrev :eftersom hfe är så stor.
Du kan lägga ett motstånd från basen på transistorn till jord...om du behöver något till en "kretssimulator".
Jo den delen förstod jag nog såklart. Tänkte mera om du kunde berätta om ja tänkte rätt angående din kirchoff där. asså 10=560*IC+0.6+8.2. E de en slinga eller e de bara potentialskillnader som ska bli = 0 när man nått ground?
Tandkräm skrev :Affe Jkpg skrev :eftersom hfe är så stor.
Du kan lägga ett motstånd från basen på transistorn till jord...om du behöver något till en "kretssimulator".
Jo den delen förstod jag nog såklart. Tänkte mera om du kunde berätta om ja tänkte rätt angående din kirchoff där. asså 10=560*IC+0.6+8.2. E de en slinga eller e de bara potentialskillnader som ska bli = 0 när man nått ground?
Jaha...när jag skriver på det sättet så beskriver jag hur 10V genom potential-skillnader (-fall) blir noll (jord).
Affe Jkpg skrev :Tandkräm skrev :Affe Jkpg skrev :eftersom hfe är så stor.
Du kan lägga ett motstånd från basen på transistorn till jord...om du behöver något till en "kretssimulator".
Jo den delen förstod jag nog såklart. Tänkte mera om du kunde berätta om ja tänkte rätt angående din kirchoff där. asså 10=560*IC+0.6+8.2. E de en slinga eller e de bara potentialskillnader som ska bli = 0 när man nått ground?
Jaha...när jag skriver på det sättet så beskriver jag hur 10V genom potential-skillnader (-fall) blir noll (jord).
Man kan påstå något om Kirchhoff också, men det är inte lika pedagogiskt.
Tänkte det också..
Provade i TINA-TI som vi ska använda men verkar inte få samma som jag räknat ut... E de fel kopplat? Ända ändringarna ja gjort till PNP transistorn är att jag lagt forward Beta=100 och reverse Beta = 1 (ingen aning om va reverse beta e )

Mina svar jag räknat på papper är Ic=Ie=2,1mA, Ib=0,021mA och Rb=3,8K
VB=8.2V ska ses som ytterligare en spänningskälla och R3 ska ligga parallellt med den
Såhär? Å nu verkar Ie vara någorlunda va ja räknat ut. Men Ib och Ic är inte..
I_R2 borde väl motsvara Ic och I_R2 motsvarar Ie i uppgiften. Enligt va ja sa ovan så är ju då Ie ganska rätt (I_R2) men AM1 (e den på rätt ställe för Ib?) år inte samma och Ic stämmer inte..?

Jag har svårt med din svenska.
Kan du numrera dina frågor t.ex.:
1. är inte lika med
2. ,,,
Så svarar jag
1.
Affe Jkpg skrev :Jag har svårt med din svenska.
Kan du numrera dina frågor t.ex.:1. är inte lika med
2. ,,,Så svarar jag
1.
Förlåt. Ska göra mitt bästa att skriva så bra jag kan.
Och tack för det svaret. De stämmer ju, hur dum ja e.
1. gäller visst? ty ger ju int exakta svaret som programmet gör?
2. Ser kretsen korrekt kopplad ut?
3. Får jag ?
Affe Jkpg skrev :
Sorry men varifrån kom dedär? Du sa ju innan att Rb=Vb/Ib?
Ib hade jag räknat till 0,000021...A och Vb är ju 8,2V. Också, kan du svara på frågorna ja numrerade?
EDIT: Noterade nu jag har fel R3 ändå. Borde vara 382kOhm enligt mina beräkningar. Stämmer fortfarande inte med ditt nya R3 men ja har nog fel.
Nästan...
Tandkräm skrev :Affe Jkpg skrev :Sorry men varifrån kom dedär? Du sa ju innan att Rb=Vb/Ib?
Ib hade jag räknat till 0,000021...A och Vb är ju 8,2V. Också, kan du svara på frågorna ja numrerade?
EDIT: Noterade nu jag har fel R3 ändå. Borde vara 382kOhm enligt mina beräkningar. Stämmer fortfarande inte med ditt nya R3 men ja har nog fel.
Observera sedan hur jag använder för att förenkla beräkningarna.
Ok! Tack! Fattar nu tror ja. Får se på de mer imoron då ja e piggare :)
Om du vill simulera en mer "verklig" kretslösning, kan du skapa från spänningsdelning med 10V. Ett pedagogiskt val av resistanser blir då . Strömmen genom dom två resistanserna blir då 10/10=1mA, vilket är mycket större än . kan då försummas när vi skapar 8.2V.