Hur mycket ström går det i ledaren

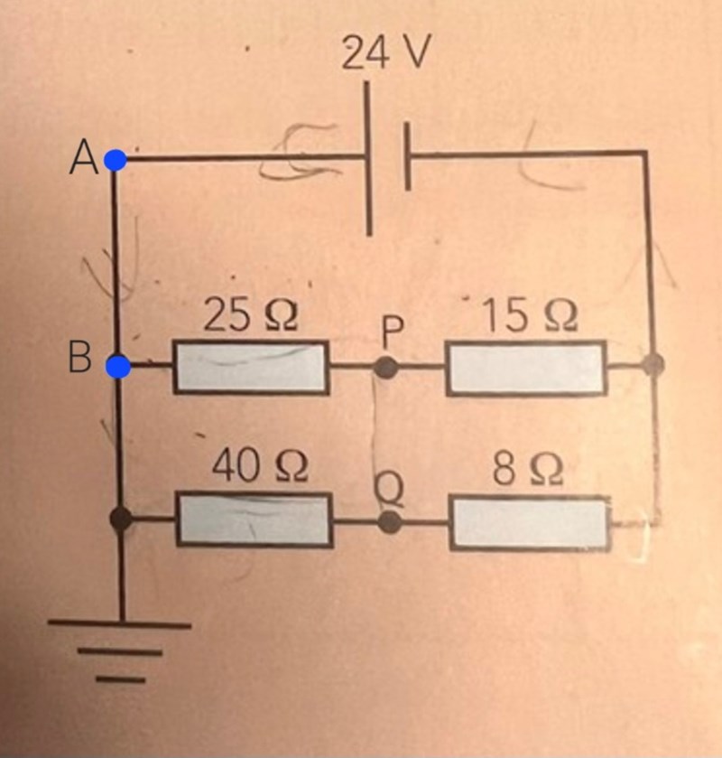
Jag har fastnat på uppgift 9101 c). Jag förstår att potentialskillnaden blir 0 mellan P och Q, och jag förstår att trots att spänningen är 0, måste strömmen gå igenom P och Q för att kunna anpassa sig till resistorerna. Men det jag inte förstår är hur vi vet att strömmen kommer att gå just från P till Q, eftersom de har samma potential. I början trodde jag att strömmen flödade från P till Q för att potentialen i P var högre, men nu Ãr ju potentialen samma vid både P och Q
Jag förstår inte heller varför strömmen genom 25 ohms-resistorn skulle vara lika mycket som den ström som flödar mellan P och Q, vilket stod i facit. Men en del av strömmen som går genom 25 ohms-resistorn också går genom 15 ohms-resistorn, så det borde inte vara samma som strömmen som flöder genom 25 ohm resistorn eller.
och varför är det ingen ström som flöder till jod?
korrekta gärna om det jag har förstått är fel. Tackar i förväg
Matteärsvår skrev:[...]
Jag har fastnat på uppgift 9101 c). Jag förstår att potentialskillnaden blir 0 mellan P och Q, och jag förstår att trots att spänningen är 0, måste strömmen gå igenom P och Q för att kunna anpassa sig till resistorerna. Men det jag inte förstår är hur vi vet att strömmen kommer att gå just från P till Q, eftersom de har samma potential.
Jag inför två nya punkter A och B enligt bild.
Är du med på att
- Dessa punkter har samma.potential?
- Strämmen flödar trots det från A till B?

I början trodde jag att strömmen flödade från P till Q för att potentialen i P var högre, men nu Ãr ju potentialen samma vid både P och Q
Jag förstår inte heller varför strömmen genom 25 ohms-resistorn skulle vara lika mycket som den ström som flödar mellan P och Q, vilket stod i facit. Men en del av strömmen som går genom 25 ohms-resistorn också går genom 15 ohms-resistorn, så det borde inte vara samma som strömmen som flöder genom 25 ohm resistorn eller.
Kan du visa vad det står i facit?
och varför är det ingen ström som flöder till jod?
Jordpunkten finns bara där för att markera att kretsen har potrntialen 0 just där.
Yngve skrev:Matteärsvår skrev:[...]
Jag har fastnat på uppgift 9101 c). Jag förstår att potentialskillnaden blir 0 mellan P och Q, och jag förstår att trots att spänningen är 0, måste strömmen gå igenom P och Q för att kunna anpassa sig till resistorerna. Men det jag inte förstår är hur vi vet att strömmen kommer att gå just från P till Q, eftersom de har samma potential.
Jag inför två nya punkter A och B enligt bild.
Är du med på att
- Dessa punkter har samma.potential?
- Strämmen flödar trots det från A till B?
I början trodde jag att strömmen flödade från P till Q för att potentialen i P var högre, men nu Ãr ju potentialen samma vid både P och Q
Jag förstår inte heller varför strömmen genom 25 ohms-resistorn skulle vara lika mycket som den ström som flödar mellan P och Q, vilket stod i facit. Men en del av strömmen som går genom 25 ohms-resistorn också går genom 15 ohms-resistorn, så det borde inte vara samma som strömmen som flöder genom 25 ohm resistorn eller.
Kan du visa vad det står i facit?
och varför är det ingen ström som flöder till jod?
Jordpunkten finns bara där för att markera att kretsen har potrntialen 0 just där.

Här är facitet
Jag förstår nu vad du menar med punkten A och B. Men hur vet man riktningen? Om båda har samma potential vet vi ju inte riktningen var strömmen kommer gå
om jod är så låg potential varför går ingen ström dit då? För strömmen går ju från högre till lägre potential
Matteärsvår skrev:Här är facitet
I facit står det att I1 delar sig i I2 och I3 vid punkten P, inte att I1 = I3
Jag förstår nu vad du menar med punkten A och B. Men hur vet man riktningen? Om båda har samma potential vet vi ju inte riktningen var strömmen kommer gå
Strömmen går från hög potential mot låg potential.
I det här fallet från spänningskällans pluspoäng, som pga jordningen har potentialen 0, till spånningskällans minuspol, som då får potentialen -24 V
om jod är så låg potential varför går ingen ström dit då? För strömmen går ju från högre till lägre potential
Jo, strömmen går dit, och fortsätter sedan mot spänningskällans minuspol.
Yngve skrev:Matteärsvår skrev:Här är facitet
I facit står det att I1 delar sig i I2 och I3 vid punkten P, inte att I1 = I3
Jag förstår nu vad du menar med punkten A och B. Men hur vet man riktningen? Om båda har samma potential vet vi ju inte riktningen var strömmen kommer gå
Strömmen går från hög potential mot låg potential.
I det här fallet från spänningskällans pluspoäng, som pga jordningen har potentialen 0, till spånningskällans minuspol, som då får potentialen -24 V
om jod är så låg potential varför går ingen ström dit då? För strömmen går ju från högre till lägre potential
Jo, strömmen går dit, och fortsätter sedan mot spänningskällans minuspol.
jag förstår nu tack så mycket