1 svar
259 visningar
sassenoo 38 – Fd. Medlem
Postad: 1 mar 2023 19:52

Induktionsfenomenet

Uppgift: 

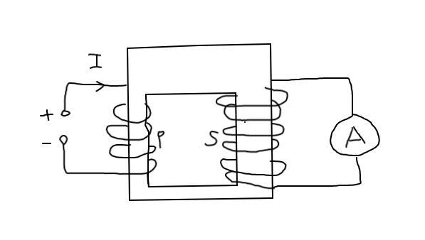
Detta ska föreställa en järnkärna med två spolar P och S. P-spolen är kopplad till en variabel likspänningskälla. S-spolen till en amperemeter. När det går ström i P uppstår det ett magnetfält inne i hela järnkärnan, också i S. 

Avgör i vilka fallen nedan som det induceras en spänning i S-spolen. 

1) Vi slår på strömmen i P-spolen 

(vidare följer fall 1-6)

Min fråga: 

Jag har svarat att det induceras spänning i S-spolen på grund av att ett magnetfält alstras från P, vidare motiverar jag detta genom att skriva "magnetfältet sprider sig och varierar". 

Jag vet inte om det jag svarat stämmer, eller vad jag själv menar med att det sprider sig och varierar. 

 

Vad är det som händer och varför? 

CurtJ 1264
Postad: 1 mar 2023 22:33

I princip har du rätt svar men du kanske kan förtydliga det lite. 

Ett magnetfält skapas när strömmen ändras i spolen. För en  likspänningskälla så är strömmen konstant men när man slår på strömmen så går den från 0 till sitt "normala" värde på en viss (kort) tid och då genereras ett magnetfält. Magnetfältet sprider sig i rummet som du säger men spridningen går lättare i metallen så där blir magnetfältet starkare. Spolen S omsluter metallen och ledaren i den spolen påverkas av magnetfältet på ett sätt så att det induceras en spänning i den spolen. Räcker det som förklaring?

Svara
Close