Ingen facit
Som rubriken tyder så har ingen facit till den här frågan. Min fråga är vad ni får svaret tillfrågan?
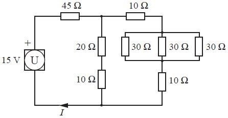
Jag fick att I är 0,25 A.
Kan ni också säga vilken nivå den ligger i
The_0ne340 skrev:Som rubriken tyder så har ingen facit till den här frågan. Min fråga är vad ni får svaret tillfrågan?
Jag fick att I är 0,25 A.
Kan ni också säga vilken nivå den ligger i
Ett svar utan beräkningar ger nästan aldrig någon poäng.
Visa steg för steg hru du har räknat, så kan vi se om det stämmer eller inte.
Visa spoiler
Jag skulle bärja med att beräkna ersättningsresistansen för de tre parallellkopplade likadana motstånden.
Smaragdalena skrev:The_0ne340 skrev:Som rubriken tyder så har ingen facit till den här frågan. Min fråga är vad ni får svaret tillfrågan?
Jag fick att I är 0,25 A.
Kan ni också säga vilken nivå den ligger i
Ett svar utan beräkningar ger nästan aldrig någon poäng.
Visa steg för steg hru du har räknat, så kan vi se om det stämmer eller inte.
Visa spoiler
Jag skulle bärja med att beräkna ersättningsresistansen för de tre parallellkopplade likadana motstånden.
Efter det, ska man addera de två 10 ohm som är seriekopplade. Då får du Rer för den parallela kopplade. Därefter beräknar du ersättningsresistansen med 20 ohm och 10 ohm och Rer. Du får en ny Rer. Det nya ersättningsresistansen är seriekopplad med 45 ohm, då tar du plus det. Då får du att Rer = 60 ohm. 15/60 = 0,25 A.
Kan för övrigt tipsa om följande hemsida: https://www.falstad.com/circuit/circuitjs.html
Använder den mycket för att dubbelkolla mina svar när jag räknar på kretsar.
Den kan se lite överväldigande ut först, men är ett väldigt bra verktyg!