Kinetik, mekanik

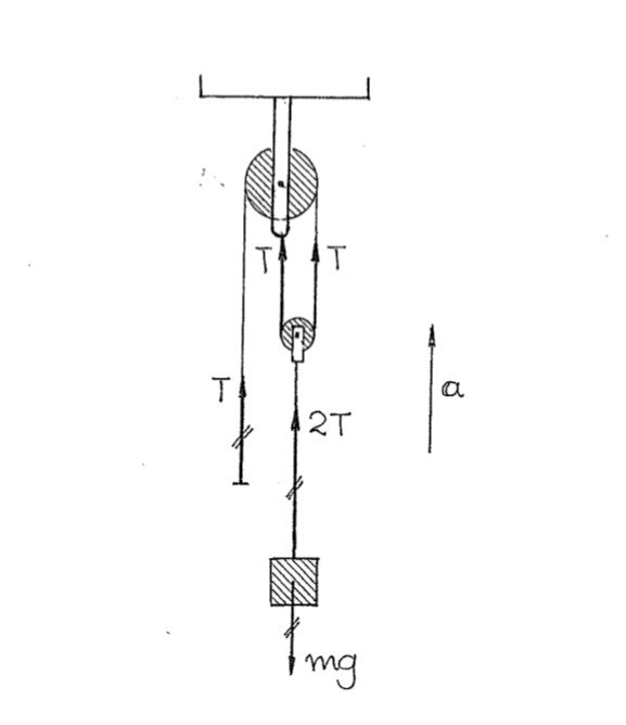
Jag förstår inte riktigt den uppåtriktade kraften T längst till vänster. Jag antar att det är den ”svarande” kraften till att han drar neråt i snöret men jag förstår inte varför den blir exakt lika stor? Då borde ju han förbli still och inte accelerera?
Maja9999 skrev:jag förstår inte varför den blir exakt lika stor?
Newtons tredje lag. Här är T beteckningen för tension, spänningen i vajern.
Om han accelererar upp eller ner beror på förhållandet mellan tyngden mg och dragkraften.
Pieter Kuiper skrev:Maja9999 skrev:jag förstår inte varför den blir exakt lika stor?
Newtons tredje lag. Här är T beteckningen för tension, spänningen i vajern.
Om han accelererar upp eller ner beror på förhållandet mellan tyngden mg och dragkraften.
Ahh okej, men finns det ALLTID en motverkande kraft till alla krafter? Då borde ju saker alltid vara i jämvikt?
Ahh okej, men finns det ALLTID en motverkande kraft till alla krafter? Då borde ju saker alltid vara i jämvikt?
Nej, det finns inte alltid någon motverkande kraft, och även om det finns en motverkande kraft är det inte säkert att den är lika stor som någon annan kraft. Som vanligt gäller det att läsa OCH FÖRSTÅ uppgiften - och det är minsann inte alltid så enkelt!
Smaragdalena skrev:Ahh okej, men finns det ALLTID en motverkande kraft till alla krafter? Då borde ju saker alltid vara i jämvikt?
Nej, det finns inte alltid någon motverkande kraft, och även om det finns en motverkande kraft är det inte säkert att den är lika stor som någon annan kraft. Som vanligt gäller det att läsa OCH FÖRSTÅ uppgiften - och det är minsann inte alltid så enkelt!
Yes okej. Men hur vet man när det finns en motverkade kraft och storleken på den?
Yes okej. Men hur vet man när det finns en motverkade kraft och storleken på den?
Man läser frågan, och förstår vad det står där. I det här fallet står det att mannen drar i vajern med kraften T. Då bör man förstå att kraften T existerar.
Maja9999 skrev:
Då borde ju saker alltid vara i jämvikt?
Det finns två olika saker.
Newtons tredje lag: jordens kraft på äpplet är lika stor som äpplets kraft på jorden. Också när den faller.
Och det andra när äpplet ligger stilla på ett bord: bordets kraft på äpplet som håller emot. Eller som lyfter den om bordet står i en hiss och accelererar uppåt. Då är den kraften (normalkraften) större än mg.