Komplex krets
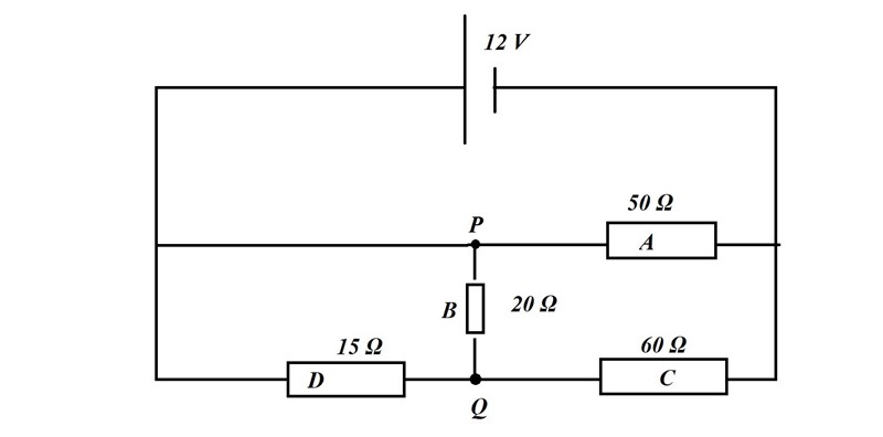
Jag körde fast att lösa den här uppgiften; Jag vill räkna spänningen mellan P och Q. Svaret i facit är 1.5 V.
Mitt problem är att jag inte kan räkna den totala resistansen.
Är D och C i serie eller parallella med varandra ?!
Om jag börjar med en potentialvandring från + sida:
Jag vet att enligt Kirchhoffslag kommer vid första korsningen att den totala strömmen I delas i en del som går i horisontell riktning, och en del som går i vertikal riktning neråt. Men vad händer vid punkten P? Den som jag vet är att potentialen är fortfarande 12 V där...
B och D är parallella med varandra.
C är i serie med D//B
Ture skrev:B och D är parallella med varandra.
C är i serie med D//B
OK tack
Och A är parallell med C som är i serie med D//B....
R_tot = 29 Ohm
I_tot = 12/29 A = 0.41A
pooyan89 skrev:Och A är parallell med C
Du bör nog göra en ritning. Det är inte samma spänning över dessa två motstånd.