Kondensator i krets.
Hej jag har ett problem med en uppgift, vet inte om jag har förstått konceptet kapacitans rätt.
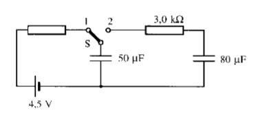
Frågan lyder; "Kopplingsschemat som finns i figuren är en strömbrytare,S,först i läge 1, så atten kondensator med kapacitansen 50,0 μF helt och hållet blir uppladdad. Kondensatorn med kapacitansen 80,0 μFär då oladdad.
a) Beräkna den ström som gårgenommotståndet på 3,0 kdirektefter det att strömbrytarenslagits över till läge2.
b) Beräkna hur stor spänning som finnsöver kondensatorn med kapacitansen på 80,0 μF efter en lång stund (dvs när strömmen genom 3,0 k-motståndet har upphört)." 
a) Till en början (precis när kretsen sluts) kan du tänka bort den oladdade kondensatorn (), och beräkna strömmen utifrån att du vet spänningen över den laddade kondensatorn ().
Sedan kommer uppladdningen av den andra kondensatorn att bromsa strömmen, tills att den blir noll.
b) Efter en lång tid så är strömmen noll, och alltså även spänningsfallet över resistorn. Det innebär att spänningen över respektive kondensator kommer att vara samma (Kirchoffs spänningslag), fast med olika polaritet.
Så och laddningen är bevarad, så .
Tror jag.
Jag är också fast på en liknande uppgift. Så man kan räkna ut a) via ohms lag? I=U/R = 0,0015A
Och sen räkna ut b) via U=U1+U2? Men problemet här är ju att jag inte har laddningen?
För b)
Laddningen i 50 uf-kondensatorn skall fördelas mellan de båda kondensatorerna.
Laddningen i 50 uf-kondensatorn är ?
Oh, jag fattar. Jag antar att laddningen fördelas lika.
"Oh, jag fattar. Jag antar att laddningen fördelas lika."
Varför antar du det?
Och, om du får att spänningen är över den högra kondensatorn, vad är då spänningen över den vänstra?
Går det ihop med Kirchoffs spänningslag?
Då blir ju spänning över den vänsta 4,5-1,4 = 3,1V men frågan var ju vad spänning var över den högre? så svaret borde väl bli 1,4V . Eller tänker jag fel?
Okej, insåg nu att det inte kan stämma. Vet inte vad jag tänkte med.
Ja, om laddningsfördelningen hade varit så som du antar, men den kan inte fördela sig så, eftersom att spänningen över båda kondensatorerna måste vara lika. Spänningen måste vara lika eftersom att kondensatorplattorna är kopplade till varandra.
Men om båda kondensatorerna ska ha samma spänning så kan ju inte 2,81V vara rätt? För
2,81+2,81= 5,6 V och kretsen ska ju ha 4,5V?
1. Det är spänningskällan (batteriet) som har spänningen V.
Batteriet laddar upp den vänstra kondensatorn, när kretsen är i läge 1. På samma sätt kan vi här ta reda på att spänningen över kondensatorn är V, eftersom att batteriet och kondensatorn är sammankopplade (och ingen ström går igenom kretsen). Då kan vi räkna ut laddningen .
2. Kretsen går över i läge 2. Tänk att batteriet har pumpat upp vatten i en hög pelare (A i bilden nedan), sedan stänger vi tillförseln, och öppnar upp, så att vattnet kan flöda ut till en annan pelare (B i bilden nedan) till dess att trycket har utjämnats. De kommer att ha olika mycket vatten (laddning), men samma höjd (spänning). Jag vet inte om analogin är så bra.
3. Så, och där är laddningen på den vänstra kondensatorn när kretsen är i läge 1.
()
Spänningen ges därför av
Tack så hemskt mycket, finns inte en chans dock att jag skulle kunna hitta en sådan lösning på en tenta!
Uttryckt på ett annat sätt:
Det tillgängliga laddningen är 50 x 4.5 = 225Q. Den ska nu fördelas (olika) mellan de båda kondensatorerna eftersom en liten kondensator inte kan hålla lika mycket laddning som en större.
Q = C x U
225 = 50U + 80U -> 225 = 130U
U = 225 / 130.
Ca 1.73V vilket Pi-streck också kom fram till