Kontroll av lösning
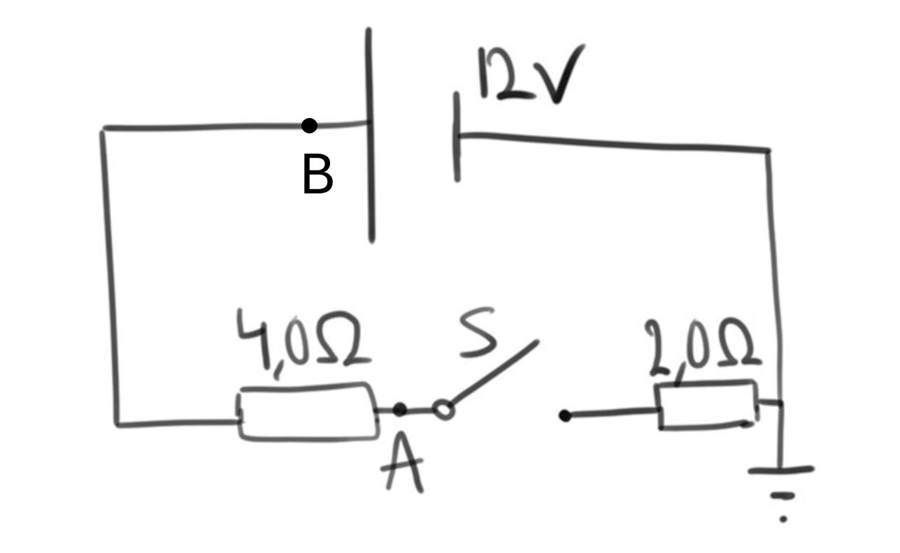
Hej! Har en uppgift som lyder "I kretsen i figuren kan resistanserna hos strömställare och spänningskälla försummas. Bestäm potentialen i A, när strömbrytaren S är sluten.
Undrar ifall någon skulle vara villig att kontrollera min metod. Mitt svar stämmer överens med facit men är osäker på om jag helt enkelt haft tur, eller om jag faktiskt räknat som det är tänkt att man ska. 
Börjar med att räkna ut ersättningsresistansen som blir 4+2=6 ohm
Räknar sedan ut strömmen som går genom kretsen
Räknar sedan ut hur många Volt som 4 Ohms resistorn "Tar upp"
Subtraherar då batteriets spänning med spänningen som resistorn tar upp 8-4=4V
Alltså är potentialen i punkt A = 4 Volt
Detta stämmer överens med facit, men är inte helt 100 på att min metod faktiskt är korrekt. Skulle någon vara villig att kontrollera?
Hej!
Jo, du har kommit fram till rätt värde på svaret, men jag är osäker på hur du resonerar här. Kan du förklara mer?
Subtraherar då batteriets spänning med spänningen som resistorn tar upp 8-4=4V
JohanF skrev:Hej!
Jo, du har kommit fram till rätt värde på svaret, men jag är osäker på hur du resonerar här. Kan du förklara mer?
Subtraherar då batteriets spänning med spänningen som resistorn tar upp 8-4=4V
Hela kretsen har en ström på 2 Ampere.
Spänningen (V) innan resistorn är 12. VA i punkt A blir
Resistorn minskar kretsens elektriska potential, vilket leder till att potentialen i punkt A blir
Hoppas detta nu stämmer!
Detta förstör ditt resonemang, eftersom vad du säger är att potentialen i punkt A är 8V:
Resten av resonemanget stämmer.
Om man utgår ifrån ditt resonemang i trådstarten, så blir det här bra:

JohanF skrev:Detta förstör ditt resonemang, eftersom vad du säger är att potentialen i punkt A är 8V:
Resten av resonemanget stämmer.
Om man utgår ifrån ditt resonemang i trådstarten, så blir det här bra:
Jaha, tack!
Skulle det fungera om jag skrev att spänningen över resistorn är 8V, istället för spänningen i punkten?
Skulle det fungera om jag skrev att spänningen över resistorn är 8V, istället för spänningen i punkten?
Ja, det skulle fungera. En spänning (eller potential) i en punkt, är inte samma sak som en spänning (eller potentialskillnad) över en resistor. Om punkten på ena sidan av resistorn har potentialen och punkten på andra sidan resistorn har potentialen , så är spänningen över resistorn , dvs det spänningsfall man upplever om man potentialvandrar över resistorn i strömmens riktning från punkten B till punkten A.
Om du tycker att det är svårt att förklara hur du menar med bara ord, använd figuren till hjälp för att beskriva vilka punkter i kretsen som du menar, och beteckna potentialen i dessa punkter som . Till exempel, med beteckningarna som jag satt ut i figuren blir spänningen över 4Ohm-motståndet . Och eftersom du räknat ut att spänningsfallet över motståndet är 8V, och konstaterat att ,så får du

JohanF skrev:Skulle det fungera om jag skrev att spänningen över resistorn är 8V, istället för spänningen i punkten?
Ja, det skulle fungera. En spänning (eller potential) i en punkt, är inte samma sak som en spänning (eller potentialskillnad) över en resistor. Om punkten på ena sidan av resistorn har potentialen och punkten på andra sidan resistorn har potentialen , så är spänningen över resistorn , dvs det spänningsfall man upplever om man potentialvandrar över resistorn i strömmens riktning från punkten B till punkten A.
Om du tycker att det är svårt att förklara hur du menar med bara ord, använd figuren till hjälp för att beskriva vilka punkter i kretsen som du menar, och beteckna potentialen i dessa punkter som . Till exempel, med beteckningarna som jag satt ut i figuren blir spänningen över 4Ohm-motståndet . Och eftersom du räknat ut att spänningsfallet över motståndet är 8V, och konstaterat att ,så får du
Tack så mycket!



