3
svar
175
visningar
Konvertera källor
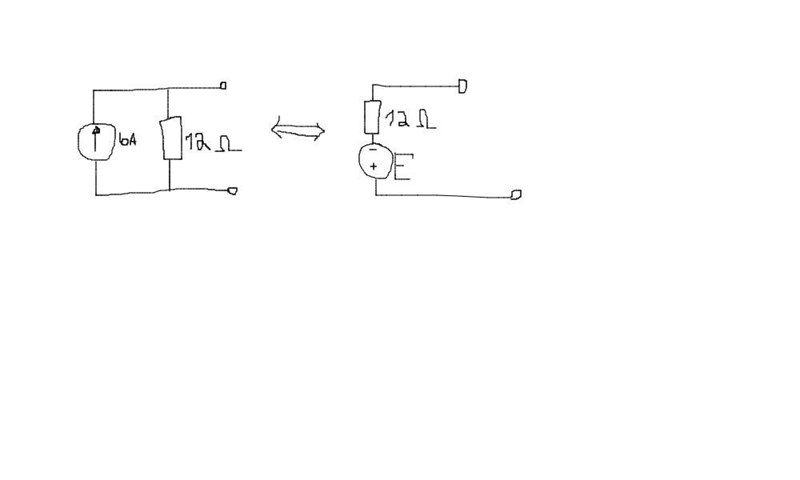
Har jag konverterat det rätt? Borde inte Vs vara 12 x 6 = 72V? Facit säger 4,5V...
.jpg?width=800&upscale=false)
Vad är "6"? Försöker du gå från vänster till höger? Resistansen är rätt.
statement skrev :Vad är "6"? Försöker du gå från vänster till höger? Resistansen är rätt.
Strömkällan är 6A. Ja, från vänster till höger.
72V verkar vara rätt. Du kan kontrollera genom att gå från höger till vänster. Beräkna kortslutningsströmmen och resistansen då du nollställer källan.